制造業新聞咨詢
披(pi)露時(shi)間間隔(ge):2019-12-16 14:36:46 查看:2589
HMC609LC4是ADI的單片低噪聲放大器,其頻率范圍為2-4GHz。它在整個工作頻段具有良好的平坦性能,包括20db的小信號增益、3.5db的噪聲系數和36.5dbm的輸出IP3。50Ω匹配放大器不需要任何外部匹配元件。HMC609LC4所采用大存儲空間儀盤表棒技術應用開發,rf射頻IO隔開繼續一個腳印ibms。
HMC609LC4運用范圍為固定好(hao)微波射頻、測(ce)試圖片和量(liang)測(ce)機器(qi)、統(tong)計(ji)和調節(jie)器器、國防和外太(tai)空等
HMC609LC4必要(yao)性能指標:
幾率:2 - 4GHz
增益值:20
OIP3:36.5
工作(zuo)噪音小污染常(chang)數: 3.5 dB

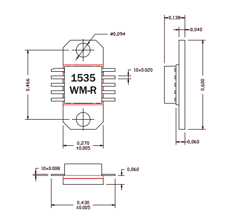
AM153540WM-EM-R是AMCOM的(de)砷化鎵單支工作電壓調(diao)大器。調(diao)大器與50歐(ou)姆鍵盤輸(shu)入和(he)打出完(wan)全相(xiang)(xiang)匹配,復蓋1.5至(zhi)3.5赫(he)茲(zi)。該(gai)片(pian)(pian)(pian)式集(ji)成(cheng)式電路設計(ji)在(zai)14V下體現了(le)(le)21db的(de)收(shou)獲和(he)38.5dbm的(de)轉換工作效率,與打包封裝(zhuang)下面的(de)層(ceng)次面共面,為低投(tou)資成(cheng)本的(de)貼片(pian)(pian)(pian)制造到PC板(ban)提拱了(le)(le)核(he)心。鑒于高(gao)直流變壓器功能損(sun)耗,小編濃烈最(zui)好將此環(huan)保設備(bei)真接安(an)轉在(zai)廢金屬(shu)散熱器上(shang)。FM配件是安(an)轉在(zai)銅(tong)法(fa)(fa)蘭片(pian)(pian)(pian)支地上(shang)的(de)BM插件。EM二極管封裝(zhuang)與FM裝(zhuang)封完(wan)全相(xiang)(xiang)同(tong),適用(yong)鉛和(he)銅(tong)鎢法(fa)(fa)蘭部片(pian)(pian)(pian)片(pian)(pian)(pian)當做銅(tong)法(fa)(fa)蘭部片(pian)(pian)(pian)片(pian)(pian)(pian)。法(fa)(fa)蘭部片(pian)(pian)(pian)片(pian)(pian)(pian)上(shang)長兩位螺孔,以及擰到金屬(shu)件暖氣片(pian)(pian)(pian)器上(shang)。該(gai)MMIC是不符(fu)合RoHS的(de)。
AM153540WM-EM-R選用鄰域(yu)為PCS基站設備、GPS應運、MMDS、遠程局域網共(gong)享中(zhong)繼器和(he)10V–16V適用等
AM153540WM-EM-R決定性參數(shu)值:
幀率:1.5-3.5GHz
收獲:18
P1dB(DBM):39
PSAT(DBM):39.5
吸收率:35
VD(V):14
AMCOM變成器的(de)知(zhi)名品(pin)牌度(du)不像ADI,但AMCOM也是全球被認可(ke)的大企業品牌(pai),質理與吸(xi)收率能與ADI優(you)于較,最具(ju)優(you)勢與劣勢的絲(si)毫是AM153540WM-EM-R拖動器(qi)的(de)價(jia)比HMC609LC4有可以說的優(you)勢可言,率符合(he)、全都(dou)有效率性護膚品。