業內介紹
發布信息(xi)時刻:2019-12-18 14:27:00 訪問:1886
HMC413是ADI的一種頻率范圍為1.6~2.2ghz的高效益率異質結雙極納米線管MMIC工率拖動器。成本低投入,表皮貼裝16針打包封裝,裸底架,增強頻射和熱性食物能。它選用少許的表面電子器件來作為23db的增加收益,飽和點功效為29.5dbm(42%PAE),電源適配器電壓降為5v。拖動器系統軟件與3.6V24v電源一起來事情。VPD需用于費電模式切換或微波射頻轉換效率直流電掌握。
HMC413的用主要(yao)包括:蜂窩(wo)PCS3G、一體式(shi)式(shi)機器和(he)基礎(chu)框架基礎(chu)設施(shi)建設、wifi手機本(ben)地網環路等。
HMC413很重要參數值:
的(de)頻(pin)率(lv):1.6G - 2.2G
增(zeng)益值:22
OIP3:40

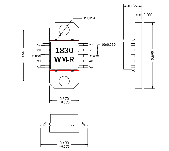
AM183030WM-EM-R是(shi)amcom的(de)(de)GaAs-MMIC耗油率放小器(qi)(qi)(qi)。該放小器(qi)(qi)(qi)在1.6~3.3ghz頻段內,增益(yi)控制(zhi)為30.5db,的(de)(de)輸出輸出為30.5dbm。為為了方便節省成本價SMT裝(zhuang)(zhuang)設到(dao)PC板上(shang),本發(fa)明人(ren)應屬(shu)某種(zhong)低層(ceng)芯片封裝(zhuang)(zhuang)形式中微波射頻和直流(liu)變壓器(qi)(qi)(qi)變壓器(qi)(qi)(qi)引線的(de)(de)瓷質(zhi)芯片封裝(zhuang)(zhuang)形式。伴隨直流(liu)變壓器(qi)(qi)(qi)變壓器(qi)(qi)(qi)額定(ding)功率高,意見與建議將這么多機 直接的(de)(de)按裝(zhuang)(zhuang)在金屬(shu)制(zhi)cpu散(san)熱(re)器(qi)(qi)(qi)器(qi)(qi)(qi)上(shang)。
AM183030WM-EM-R的廣泛應用各個領域也包括(kuo):wlanwifi上網卡、wlanwifi當地環路和MMDS
AM183030WM-EM-R主要參數表
頻率:1.6-3.3GHz
增(zeng)益值:30.5
P1dB(DBM):30.5
PSAT(DBM):31.5
錯誤率:20
VD(V):8
AM183030WM-EM-R變小器與HMC413放小器(qi)的速率和可(ke)用于研(yan)究方向快(kuai)要,這五款放小器(qi)是可(ke)相互(hu)之間(jian)配用的,雖然在(zai)價錢上(shang)卻相差(cha)太大多數,AM183030WM-EM-R圖像運放電(dian)路極有的(de)(de)產品差(cha)異化,水平有效是真的(de)(de)嗎(ma),鄭州市立維(wei)創展自動化是AMCOM與ADI我司(si)的加盟經(jing)售商,作為AMCOM與ADI的紅外光元電子元件封裝和處理器(qi),歡迎會詢問。