行業領域資迅
披露日子:2019-12-20 15:27:36 瀏覽器:1916
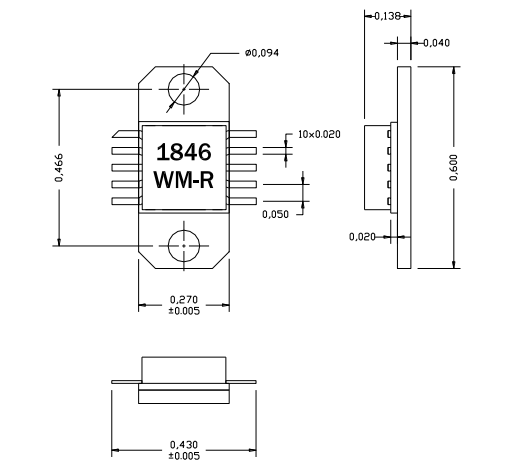
AM184635WM-EM-R是(shi)(shi)AMCOM的(de)(de)砷化鎵MMIC功率放大器(qi)系列的(de)(de)一(yi)部分。它有30dB增益和35dBmP1dB,在(zai)(zai)2.2到4.2GHz頻段(duan)。這(zhe)個(ge)MMIC是(shi)(shi)一(yi)個(ge)陶瓷封(feng)(feng)(feng)裝(zhuang)(zhuang)(zhuang)(zhuang),射頻和直(zhi)流(liu)引線都(dou)在(zai)(zai)較低的(de)(de)水平(ping)便于(yu)低成本的(de)(de)SMT組裝(zhuang)(zhuang)(zhuang)(zhuang)到PC板上(shang)(shang)(shang)。當直(zhi)接(jie)安裝(zhuang)(zhuang)(zhuang)(zhuang)到PCB上(shang)(shang)(shang)時,請(qing)參見(jian)申請(qing)說(shuo)明(ming)AN700。由于(yu)高直(zhi)流(liu)功耗,我們強烈(lie)建議安裝(zhuang)(zhuang)(zhuang)(zhuang)這(zhe)些設備直(zhi)接(jie)安裝(zhuang)(zhuang)(zhuang)(zhuang)在(zai)(zai)金(jin)屬散熱(re)(re)器(qi)上(shang)(shang)(shang)。AM184635WM-FM-R是(shi)(shi)安裝(zhuang)(zhuang)(zhuang)(zhuang)在(zai)(zai)鍍(du)金(jin)銅(tong)(tong)法(fa)蘭(lan)托架。EM封(feng)(feng)(feng)裝(zhuang)(zhuang)(zhuang)(zhuang)與FM封(feng)(feng)(feng)裝(zhuang)(zhuang)(zhuang)(zhuang)具有相同的(de)(de)封(feng)(feng)(feng)裝(zhuang)(zhuang)(zhuang)(zhuang)尺(chi)寸,采(cai)用直(zhi)引線用銅(tong)(tong)/鎢(wu)法(fa)蘭(lan)代替銅(tong)(tong)法(fa)蘭(lan)。法(fa)蘭(lan)上(shang)(shang)(shang)有兩個(ge)螺孔,以(yi)便擰上(shang)(shang)(shang)金(jin)屬散熱(re)(re)器(qi)。這(zhe)個(ge)MMIC是(shi)(shi)符合RoHS的(de)(de)。

AM184635WM-EM-R的(de)特點
從1.8到4.6GHz的聯(lian)通寬(kuan)帶
高傷害電(dian)功率,P1dB=35dBm
高增益值,30dB
完整適應;50歐姆插入(ru)/內容輸出電阻值
AM184635WM-EM-R廣泛應用(yong)
遠(yuan)程網絡網連(lian)結
移動(dong)原生環路(lu)
交叉無線(xian)路由電
AM184635WM-EM-R重要(yao)性參數指標
頻(pin)繁:1.8-4.6GHz
增加收益(yi):30
P1dB(DBM):35
PSAT(DBM):37
效應:25
VD(V):7
鄭州市立(li)維(wei)創展信息技術是AMCOM單位總進口代理,其(qi)首要微波加熱(re)光纖寬(kuan)帶(dai)(dai)產(chan)品的還有(you)頻(pin)射氯化鈉晶體管(guan)、MMIC耗油率(lv)調大(da)器(qi)(qi)、搭配調大(da)器(qi)(qi)模快(kuai)(kuai)、網絡帶(dai)(dai)寬(kuan)調大(da)器(qi)(qi)、高耗油率(lv)調大(da)器(qi)(qi)模快(kuai)(kuai)、帶(dai)(dai)RF和(he)DC聯接器(qi)的(de)高電(dian)率擴(kuo)大器(qi)方案和低噪音擴(kuo)大器(qi),電(dian)率擴(kuo)大器(qi),電(dian)源開(kai)關(guan),衰減器(qi),移(yi)相器(qi)或是上/接(jie)下來交流軟啟(qi)動的自定義。