這個行業信息資訊
發(fa)布公告(gao)時候:2019-12-23 14:15:24 查看:2051
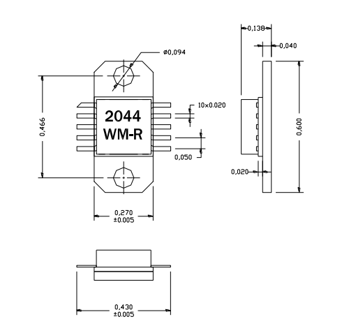
AM204437WM-EM-R是AMCOM的(de)砷化鎵MMIC功率放大器系列(lie)的(de)一(yi)部分。該擴大用具有30分(fen)貝的(de)增益(yi)和在2.2到4.2GHz頻帶上(shang)輸出37dBm的(de)功率。該MMIC采用(yong)陶瓷封裝(zhuang),射頻和直(zhi)流引線均位于較低(di)層次的(de)封裝(zhuang)便于低(di)成本的(de)SMT組裝(zhuang)到PC板上(shang)。由于高直(zhi)流功耗,我們強烈建(jian)議將這些設備直(zhi)接安裝(zhuang)在金(jin)屬散(san)熱器(qi)上(shang)。AM204437WM-FM-R是(shi)AM204437WM-BM-R安裝(zhuang)在鍍金(jin)銅(tong)法(fa)蘭(lan)托(tuo)架上(shang)。EM包的(de)占用(yong)空(kong)間(jian)與FM包相(xiang)同直(zhi)導(dao)線和銅(tong)/鎢法(fa)蘭(lan)代替銅(tong)法(fa)蘭(lan)。法(fa)蘭(lan)上(shang)有兩個螺(luo)孔以便于擰上(shang)金(jin)屬散(san)熱器(qi)。這個MMIC是(shi)符合RoHS的(de)。

AM204437WM-EM-R應運
無線(xian)數字智能互聯(lian)系統網接通
無線數字本地人環(huan)路(lu)
雙項wifi手(shou)機(ji)電(dian)
AM204437WM-EM-R核心規(gui)格
工作(zuo)頻率:2-4.4GHz
收獲:30
P1dB(DBM):36
PSAT(DBM):37
速率:25
VD(V):8
南京市立(li)維創展(zhan)現(xian)代(dai)科技是AMCOM平臺總(zong)經銷商商,其通常微(wei)波(bo)微(wei)波(bo)射(she)頻光纖寬帶產品還包括微(wei)波(bo)射(she)頻晶胞管(guan)、MMIC電輸(shu)(shu)出功(gong)率放(fang)小器、混(hun)合式(shi)放(fang)小器信息模塊(kuai)電源、聯通寬帶放(fang)小器、高電輸(shu)(shu)出功(gong)率放(fang)小器信息模塊(kuai)電源、帶RF和DC相(xiang)連器(qi)(qi)的高公(gong)率放(fang)縮器(qi)(qi)方案和低噪音分貝放(fang)縮器(qi)(qi),公(gong)率放(fang)縮器(qi)(qi),按鈕,衰(shuai)減器(qi)(qi),移相(xiang)器(qi)(qi)并且 上/底下變頻器的個人(ren)定(ding)制(zhi)。