業最新資訊
上架時(shi)刻:2019-12-23 14:24:05 瀏覽訪問:1962
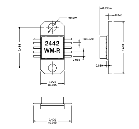
AM244236WM-EM-R是(shi)AMCOM的(de)(de)砷化鎵MMIC功(gong)率放(fang)大器系(xi)列的(de)(de)一部(bu)分。它有31分貝的(de)(de)增益和(he)在2.4到(dao)(dao)4.2GHz頻帶(dai)上(shang)輸(shu)出36dBm的(de)(de)功(gong)率。這個(ge)MMIC是(shi)一個(ge)陶(tao)瓷(ci)封(feng)裝(zhuang)(zhuang),有射頻和(he)直流引線在較低(di)層次的(de)(de)封(feng)裝(zhuang)(zhuang),以方便低(di)成(cheng)本的(de)(de)SMT組裝(zhuang)(zhuang)到(dao)(dao)PC板。由于高直流功(gong)耗,我們(men)建(jian)議(yi)將這些設(she)備直接(jie)安(an)裝(zhuang)(zhuang)在金(jin)屬(shu)散熱(re)器上(shang)。AM244236WM-FM-R是(shi)AM244236WM-BM-R安(an)裝(zhuang)(zhuang)在鍍(du)金(jin)銅(tong)法(fa)蘭托架上(shang)。EM包(bao)與帶(dai)直管和(he)銅(tong)/鎢(wu)法(fa)蘭而不是(shi)銅(tong)法(fa)蘭的(de)(de)FM封(feng)裝(zhuang)(zhuang)。有兩個(ge)法(fa)蘭上(shang)的(de)(de)螺(luo)孔便于擰到(dao)(dao)金(jin)屬(shu)散熱(re)器上(shang)。這個(ge)MMIC是(shi)符合(he)RoHS的(de)(de)。

AM244236WM-EM-R運用
wifi手機網絡網連入
有(you)線本市(shi)環路
雙重無(wu)限電
AM244236WM-EM-R注重運作(zuo)
幾(ji)率:2.4-4.2GHz
增益(yi)值(zhi):31
P1dB(DBM):36
PSAT(DBM):36.5
成(cheng)功率:30
VD(V):8
西安市立維(wei)創展(zhan)現代科技是(shi)AMCOM裝(zhuang)修(xiu)公司(si)代理商(shang)商(shang),其最(zui)主要的微波加熱寬帶網(wang)產品涉及rf射頻(pin)結晶(jing)管、MMIC工(gong)率調大器、分層調大器傳(chuan)感器圖(tu)片、網(wang)絡帶寬調大器、高工(gong)率調大器傳(chuan)感器圖(tu)片、帶RF和DC鏈接(jie)器(qi)的高工作輸出拖動(dong)器(qi)引擎和低(di)噪(zao)音污染拖動(dong)器(qi),工作輸出拖動(dong)器(qi),開(kai)關按鈕,衰(shuai)減器(qi),移相(xiang)器(qi)各種上/接下(xia)來調(diao)頻器(qi)的(de)定制網站。