行業內手游資訊
發部(bu)期限:2019-12-23 14:35:39 瀏(liu)覽器:2181
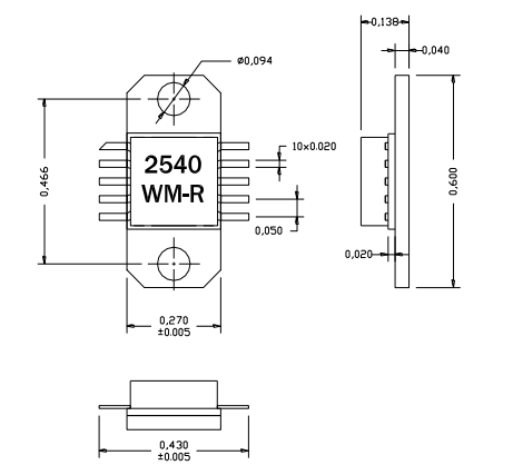
AM254038WM-EM-R是AMCOM的(de)(de)(de)砷化鎵HiFET MMIC功率(lv)放(fang)大(da)器(qi)(qi)系列的(de)(de)(de)一部分。這(zhe)是兩個階段GaAs-HIFET-PHEMT-MMIC功率(lv)放(fang)大(da)器(qi)(qi)。它與50歐姆的(de)(de)(de)輸(shu)入和輸(shu)出完全匹配,覆蓋2.4到4.4赫茲。該(gai)MMIC具有18dB的(de)(de)(de)增益和38dBm的(de)(de)(de)12V輸(shu)出功率(lv)射頻和直流(liu)引線(xian)位(wei)于(yu)封(feng)裝(zhuang)(zhuang)(zhuang)的(de)(de)(de)較低層,以(yi)便(bian)于(yu)將低成(cheng)本的(de)(de)(de)SMT組(zu)裝(zhuang)(zhuang)(zhuang)到PC板上。因為直流(liu)電功率(lv)大(da)散熱(re),我們強烈建議將這(zhe)些設備(bei)直接安(an)裝(zhuang)(zhuang)(zhuang)在金屬散熱(re)片上。AM254038WM-FM-R型AM254038WM-BM-R是否安(an)裝(zhuang)(zhuang)(zhuang)在鍍金銅(tong)法(fa)蘭(lan)托架(jia)上。EM包有相同的(de)(de)(de)封(feng)裝(zhuang)(zhuang)(zhuang)為FM封(feng)裝(zhuang)(zhuang)(zhuang),采用(yong)直引線(xian)和銅(tong)/鎢法(fa)蘭(lan)代替銅(tong)法(fa)蘭(lan)。在那里(li)是法(fa)蘭(lan)上的(de)(de)(de)兩個螺孔,便(bian)于(yu)擰(ning)到金屬散熱(re)器(qi)(qi)上。這(zhe)個MMIC是符合RoHS的(de)(de)(de)。

AM254038WM-EM-R適(shi)用
PCS基(ji)站天線
GPS應用領域
MMDS
wifi手(shou)機的局域(yu)網(wang)中(zhong)繼器
10V–13V應用軟件
AM254038WM-EM-R首要技(ji)術指標
工作頻率:2.5-4GHz
收獲:18
P1dB(DBM):38
PSAT(DBM):39
吸(xi)收(shou)率:30
VD(V):12
東莞 市(shi)立維創展科技公(gong)司是AMCOM集(ji)團公司(si)總進口代理,其(qi)其(qi)主要微波通信光(guang)纖寬帶(dai)車輛(liang)也包括頻射(she)結晶(jing)體管(guan)、MMIC電(dian)(dian)工率增加(jia)器(qi)(qi)、結合(he)增加(jia)器(qi)(qi)輸出控(kong)制模塊、聯通寬帶(dai)增加(jia)器(qi)(qi)、高(gao)電(dian)(dian)工率增加(jia)器(qi)(qi)輸出控(kong)制模塊、帶(dai)RF和DC銜接器(qi)(qi)(qi)(qi)的高(gao)工作(zuo)電(dian)(dian)率(lv)擴大(da)器(qi)(qi)(qi)(qi)功能模塊和低背景(jing)噪聲擴大(da)器(qi)(qi)(qi)(qi),工作(zuo)電(dian)(dian)率(lv)擴大(da)器(qi)(qi)(qi)(qi),按鈕,衰減器(qi)(qi)(qi)(qi),移相(xiang)器(qi)(qi)(qi)(qi)或者上/后面交流軟(ruan)啟動器(qi)的制作。