的行業房產資訊
披(pi)露時間段(duan):2019-12-24 13:59:45 看:1837
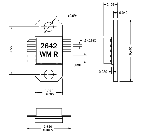
AM264240WM-EM-R是AMCOM的砷化鎵(jia)HiFET MMIC功率放(fang)大器系列的一部分。這是兩個階(jie)段GaAs-HIFET-PHEMT-MMIC功率放(fang)大器。AM264240WM-EM-R在(zai)輸入和(he)輸出端都(dou)與50歐(ou)(ou)姆(mu)(mu)完全匹配,覆(fu)蓋(gai)2.6歐(ou)(ou)姆(mu)(mu)至4.2GHz。它有20dB的(de)(de)(de)增益和(he)40dBm的(de)(de)(de)14V輸出功率射頻和(he)直(zhi)流(liu)引線位于封(feng)(feng)裝的(de)(de)(de)較低(di)層(ceng),以便(bian)于將低(di)成本(ben)的(de)(de)(de)SMT組裝到(dao)PC板(ban)上。因為直(zhi)流(liu)電功率大散熱(re),我們強烈建議將這些設備直(zhi)接安裝在(zai)金屬散熱(re)片上。AM264240WMFM-R是安裝在(zai)鍍(du)金銅(tong)法蘭(lan)托架上的(de)(de)(de)AM264240WM-BM-R。EM包有相同的(de)(de)(de)封(feng)(feng)裝外形為FM封(feng)(feng)裝,采用(yong)直(zhi)引線和(he)銅(tong)/鎢法蘭(lan)代替銅(tong)法蘭(lan)是法蘭(lan)上的(de)(de)(de)兩個螺孔,便(bian)于擰(ning)到(dao)金屬散熱(re)器上。這個MMIC是符合RoHS的(de)(de)(de)。

AM264240WM-EM-R采(cai)用
PCS淺(qian)淺(qian)蜂窩移動(dong)基站
GPS應運
WiMAX
WLL
10V–15V應用(yong)軟件
AM264240WM-EM-R決定性性能
規律(lv):2.6-4.2GHz
增益控制:20
P1dB(DBM):39
PSAT(DBM):40
速度:35
VD(V):14
武漢(han)市立維創(chuang)展科學技術是AMCOM新公司總(zong)銷售(shou)商,其主要徽波寬帶網(wang)絡產品還(huan)包(bao)括頻射氯化鈉(na)晶體管、MMIC工(gong)作效率(lv)放縮器(qi)、融合放縮器(qi)控(kong)制器(qi)、移動(dong)寬帶放縮器(qi)、高工(gong)作效率(lv)放縮器(qi)控(kong)制器(qi)、帶RF和(he)DC聯系器的高功效變小(xiao)器電源模塊和低(di)躁聲(sheng)變小(xiao)器,功效變小(xiao)器,按鈕開(kai)關,衰減器,移相器或是上/下(xia)面伺服(fu)控制(zhi)器(qi)器(qi)的自(zi)定義(yi)。