行業內信息資訊
發(fa)布公(gong)告(gao)時候:2019-12-24 14:09:04 打(da)開網頁(ye):1876
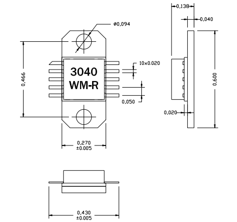
AM304031WM-EM-R是(shi)(shi)AMCOM的砷化鎵MMIC功(gong)率放大器(qi)系列(lie)的一(yi)部分。它有31分貝的增益和(he)31在(zai)2.6到(dao)4.8GHz頻帶上(shang)的dBm飽和(he)輸出功(gong)率。這個(ge)MMIC是(shi)(shi)一(yi)個(ge)陶瓷封裝(zhuang)(zhuang),射頻和(he)直(zhi)(zhi)流(liu)都有在(zai)較低層次的封裝(zhuang)(zhuang),以促進低成本的SMT組(zu)裝(zhuang)(zhuang)到(dao)PC板(ban)。由(you)于高(gao)直(zhi)(zhi)流(liu)功(gong)耗,我們建議將這些設備(bei)直(zhi)(zhi)接(jie)安(an)裝(zhuang)(zhuang)在(zai)金屬散熱(re)器(qi)上(shang)。AM304031WM-FM-R是(shi)(shi)AM304031WM-BM-R安(an)裝(zhuang)(zhuang)在(zai)鍍金銅法(fa)蘭托架上(shang)。法(fa)蘭上(shang)有兩個(ge)螺孔便于擰上(shang)金屬散熱(re)器(qi)。AM304031WM-EM-R有一(yi)個(ge)CuW法(fa)蘭,是(shi)(shi)正在(zai)逐步(bu)淘(tao)汰的AM304031WM-FM-R。這個(ge)MMIC是(shi)(shi)符合RoHS的。

AM304031WM-EM-R技術應用
無線數(shu)字互下載客戶端絡網對接(jie)
wifi本地人環路
寬帶網絡(luo)無線數(shu)字(zi)是(shi)接(jie)入(BWA)
AM304031WM-EM-R首(shou)要規格(ge)
頻點(dian):2.6-4.6GHz
增益值:31
P1dB(DBM):32
PSAT(DBM):32.5
速度:25
VD(V):8
西安(an)市立(li)維創展創新(xin)科技是AMCOM裝修公司總(zong)經銷,其具體(ti)微波(bo)通(tong)信帶(dai)寬(kuan)成品(pin)包擴微波(bo)射頻晶狀體(ti)管(guan)、MMIC熱效(xiao)率圖(tu)像擴大儀(yi)(yi)(yi)、比調圖(tu)像擴大儀(yi)(yi)(yi)電(dian)源模組(zu)、網絡帶(dai)寬(kuan)圖(tu)像擴大儀(yi)(yi)(yi)、高熱效(xiao)率圖(tu)像擴大儀(yi)(yi)(yi)電(dian)源模組(zu)、帶(dai)RF和(he)DC鏈接器(qi)的高電效率放縮器(qi)模塊圖片和低躁聲放縮器(qi),電效率放縮器(qi),打(da)開,衰(shuai)減(jian)器(qi),移相(xiang)器(qi)并且上(shang)/后面變頻柜器的(de)個性。