HMC634LC4/HMC634LC4TR驅動安裝放縮器瓷器表貼芯片封裝 ADI現貨黃金
披露時刻:2018-06-29 11:34:17 瀏覽訪(fang)問:1990
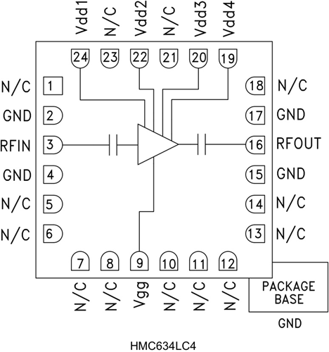
HMC634LC4是一個款GaAs PHEMT MMIC動力器放縮器,運用無鉛4x4 mm衛浴陶瓷表貼封口,業務頻繁 范疇為5至20 GHz。 該放縮器給出達到了21 dB的收獲控制、+29 dBm輸出線電壓精度IP3及+22 dBm的輸出線電壓精度公率(1 dB收獲控制文件壓縮時),輸出功率為180 mA(+5V交流電源)。 HMC634LC4動力器放縮器比較適用于業務頻繁 范疇為5至20 GHz的紅外光遠程電應用軟件,線電壓可偏置為+5V (130 mA)以給出較低收獲控制并有所改善PAE。 隔直放縮器I/O符合50 Ω,需外符合構件。
|
品牌
|
型號
|
描述
|
貨期
|
庫存
|
|
ADI
|
HMC634LC4
HMC634LC4TR
|
驅動放大器,采用SMT封裝,5 - 20 GHz
|
現貨
|
251
|
運用
-
點對點無線電
-
點對多點無線電和VSAT
-
混頻器LO驅動器
HMC634LC4優勢和特點
-
增益: 21 dB
-
P1dB: +22 dBm
-
飽和功率:
+23 dBm (17% PAE)
-
單電源電壓: +5V (180 mA)
-
50 Ω匹配輸入/輸出
-
24引腳4x4mm
SMT陶瓷封裝: 16mm2
HMC634LC4結構圖
