行業領域信息資訊
公(gong)布的(de)周(zhou)期:2020-04-28 10:14:31 打開網頁:1693
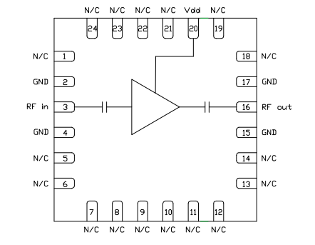
CMD309P4也是款光纖寬帶MMIC低嘈音縮放器,采用了無引線4x4分米塑膠片從表面貼裝芯片封裝。CMD309P4極為比較合適微波射頻車載收音機包括應該高收獲、低躁音和低功率的C和Xk線操作。寬帶網機械打造27噪音分貝增益值,根據的轉換1噪音分貝縮短點為+13音貝,噪音分貝常數為1.5dB。CMD309P4運用50歐姆適應設置,不需要外表直流變壓器輸出模塊和頻射端口處適應。

CMD309P4 特(te)征英(ying)文(wen)
低環境噪聲(sheng)因子
高增益值聯通(tong)寬帶使用(yong)性(xing)能
低交流電消耗量(liang)
單正偏(pian)壓(ya)
無鉛RoHs兼(jian)容4x4 QFN裝封(feng)
珠(zhu)海市立(li)維(wei)創展(zhan)是MMIC的(de)(de)(de)(de)(de)(de)批(pi)發商(shang)售(shou)銷,主(zhu)要的(de)(de)(de)(de)(de)(de)售(shou)銷MMIC車(che)輛(liang)的(de)(de)(de)(de)(de)(de)低轟(hong)鳴(ming)聲放小(xiao)器(qi)、驅(qu)動(dong)下載放小(xiao)器(qi)、最(zui)大功率放小(xiao)器(qi)、低相位轟(hong)鳴(ming)聲放小(xiao)器(qi)、寬的(de)(de)(de)(de)(de)(de)范(fan)圍劃分(fen)式放小(xiao)器(qi),CUSTOM MMIC讓您(nin)便用(yong)這(zhe)類中最(zui)好的(de)(de)(de)(de)(de)(de)的(de)(de)(de)(de)(de)(de)MMIC提升您(nin)的(de)(de)(de)(de)(de)(de)微(wei)波(bo)射頻電磁波(bo)鏈(lian)。CUSTOM MMIC都是個完(wan)整(zheng)的(de)(de)(de)(de)(de)(de)的(de)(de)(de)(de)(de)(de)ISO注(zhu)冊(ce)方案師和同樣(yang)的(de)(de)(de)(de)(de)(de)最(zui)好的(de)(de)(de)(de)(de)(de)MMIC供應信(xin)息商(shang)。CUSTOM MMIC展示(shi)短時間的(de)(de)(de)(de)(de)(de)增長的(de)(de)(de)(de)(de)(de)高耐腐蝕性rf射頻/微(wei)波(bo)通信(xin)MMIC新(xin)產品系統。
立維創展示出有(you)200只CMD264P3正品(pin)現貨交易,的(de)品(pin)質要確保,正品(pin)進囗(wei)的(de),歡迎大家網絡咨詢。