行業中咨訊
更新精力:2024-06-28 08:56:30 搜素(su):5995
FCTS1000-100-5是Synergy出(chu)品的一款低噪(zao)聲(sheng)鎖相(xiang)(xiang)振蕩器(qi)(PLL Oscillator),專為需要(yao)高(gao)穩(wen)定性和低相(xiang)(xiang)位(wei)噪(zao)聲(sheng)的無線(xian)通(tong)信(xin)、雷達系統以(yi)及各類測試設備設計。該型號(hao)采(cai)用了(le)先(xian)進(jin)的PLL(相(xiang)(xiang)位(wei)鎖定環)技術,能(neng)夠提(ti)供固(gu)定頻率1000 MHz的穩(wen)定輸出(chu),同時具備優(you)良的相(xiang)(xiang)位(wei)噪(zao)聲(sheng)性能(neng)。

主要規格參數
頻繁 :特定頻繁 1000 MHz。 符合復制粘貼規律:100 MHz。 參閱進入電流電流電壓:可以1.0至3.3 Vp-p的電流電流電壓依據。電源電壓:
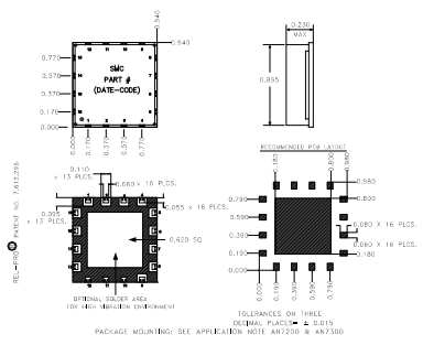
數碼三極管(+5V):為CMOS鎖相環和數碼思想三極管供應穩定性高的供電。 調諧電線(+12V):用作操縱振動器的輸出頻繁 。 VCO用電線路(+5.5V):提供數據給壓控自激振蕩器(VCO)的電源模塊線電壓。 輸入輸出瓦數:最低數值為-3 dBm,要確保了任何的網絡信號抗壓強度。 雜散控制:典范指標值80 dB,行之有效減輕了不必須要 的平率化學成分。 諧波抑止:經典臨界值25 dB,降低了諧波圖像對機系統的干涉。相位噪聲:
@ 100 Hz:典型案例指標值-80 dBc/Hz。 @ 1 kHz:基本特征指標值-115 dBc/Hz。 @ 10 kHz:非常典型指標值-141 dBc/Hz。 @ 100 kHz:關鍵指標值-158 dBc/Hz。 工作中溫度表表依據:-20°C至+70°C,衡量了較寬的溫度表表適宜性。 表層配值:給出了詳情的引腳配值的信息,包擴數字5電源線、參考價值的輸出、頻射的輸出、固定檢查等。佛山市立維創展科技發展是Synergy的廠商商,主耍(shua)可以(yi)提供Synergy微波(bo)加(jia)熱壓(ya)控(kong)振動器(qi)、氯化鈉晶體振動器(qi)、鎖相振動器(qi)、鎖相環規律人工(gong)器(qi)、混頻器(qi)等服務,服務在歐美中(zhong)部的直接的過道(dao),高速(su)運行華人老客戶(hu)的所需。喜歡(huan)在線咨詢。