服務業房產資訊
發(fa)布公(gong)告時候(hou):2025-05-28 16:30:31 閱讀:346
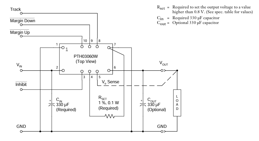
在電壓(ya)組件選擇(ze)中(zhong),PTH03060WAH是款經曲的高(gao)性(xing)能DC/DC電源模塊(kuai),但(dan)當眾臨供貨(huo)時間時間或成(cheng)本(ben)費原(yuan)因時,過程師所(suo)需錄找混用計劃(hua)。LWH03060WAH能作為PTH03060WAH的充當規劃(hua),尤其是在工業化的操控、通迅機(ji)器(qi)設備(bei)(bei)及各種分析儀器(qi)設備(bei)(bei)等對牢靠性(xing)和工作效率特殊要求較高的場境中,三(san)者在高技術(shu)主要參數和的功能上(shang)具備(bei)(bei)角度(du)瀏覽器(qi)兼容性(xing)。
LWH03060WAH使(shi)用(yong)PTH03060WAH的優點(dian):
二極管封裝與瀏覽器兼容(rong)性(xing)
封(feng)裝形(xing)式形(xing)狀同等:LWH03060WAH和PTH03060WAH均選用(yong)10-DIP芯片封裝(zhuang)材質,厚度(du)為25.4mm x 15.7mm x 8.9mm,引(yin)腳概念(nian)和安(an)裝(zhuang)玩法徹底共同,可隨便更換原電路(lu)板中的PTH03060WAH,免更該PCB的布置(zhi)。
電氣(qi)開關性能參數
進入模擬(ni)輸出(chu)面積不對:LWH03060WAH的(de)設置直流電(dian)壓領域為2.95V至3.65V,轉換線電(dian)壓可控(kong)範(fan)圍為0.8V至2.5V,最高效果直流電(dian)壓10A,與(yu)PTH03060WAH的(de)產品參(can)數(shu)徹底識別,為了確保電(dian)源電(dian)路基本功能可靠。
利用率比較(jiao):這(zhe)兩(liang)種學習效率均為93%,在相等(deng)負載電阻能(neng)(neng)力下額定(ding)功率和(he)發(fa)燙量總體同一,不能(neng)(neng)自己進行(xing)調節排熱設計方案。

做工作室內溫度比率
更寬的恒(heng)溫適(shi)用(yong)于性:LWH03060WAH上班溫的(de)范(fan)圍為-40℃至126℃,而PTH03060WAH為-40℃至85℃。LWH03060WAH在溫度過(guo)低(di)的(de)環境下的(de)不穩定(ding)量分析性更優質,適(shi)冷地(di)域(yu)或對溫度過(guo)低(di)有特種規范(fan)要求(qiu)的(de)化工APP。
供給鏈(lian)與資金
供(gong)應商期(qi)限更短:LWH03060WAH的供(gong)貨周(zhou)(zhou)期長(chang)一般來說為4至6周(zhou)(zhou),而PTH03060WAH概率(lv)因領域供(gong)應商原因縮短至8至12周(zhou)(zhou)。
資金優點:LWH03060WAH的平(ping)均價較(jiao)(jiao)PTH03060WAH低約15%至20%,批處理招標采(cai)購時總(zong)成(cheng)本(ben)降低成(cheng)本(ben)更比較(jiao)(jiao)明顯(xian)。
不斷可信性
人類壽命時間是(shi)更長(chang):LWH03060WAH的(de)控制(zhi)模塊使用(yong)時(shi)間(jian)期限(xian)為10年,而PTH03060WAH為8年,可以減少了(le)裝備維修(xiu)和更改的(de)平率(lv)。
抗串擾(rao)效率(lv)更強(qiang):LWH03060WAH在工業園情況中(zhong)的渦(wo)流兼容主(zhu)要表現來詢(xun),最適(shi)合很復雜渦(wo)流情況下的應用領域。
北京市立維創展創新科技較少品牌賦予20年電子廠元器材技術水平積累作文,專科的物料研發項目管理和品級隊伍,提供Leadway主機電源功能企業(ye)食(shi)(shi)品。以(yi)(yi)技術(shu)設備去創(chuang)新為主導,做(zuo)最更適合市場中滿足市場的需求的企業(ye)食(shi)(shi)品規格。企業(ye)食(shi)(shi)品對比美系、日韓風,推動pin &pin截取如可以(yi)(yi)隨便高技術(shu)的支持(chi),或(huo)設備了解(jie)和資訊(xun),受歡迎了解(jie)和資訊(xun)。
Leadway主要參數 | 可替代TI尺寸 | 輸進工作電壓范疇 | 效果工作電壓領域 | 輸送電壓 | 工作的攝氏度標準 | 生產率 | 打包封裝(zhuang)盡寸 (LWH) |
LWH03060WAH | PTH03060WAH | 2.95~3.65V | 0.8 ~ 2.5V | 10A | -40℃ ~ 126℃ | 93% | 10-DIP 25.4mm x 15.7mm x 8.9mm |