互聯網行業信息資訊
發(fa)布的時期:2025-08-08 16:46:22 打開網頁:44
在化學(xue)工(gong)業(ye)(ye)電設置國產(chan)貨化代(dai)替品迅速的大浪潮下,國外公(gong)司企業(ye)(ye)一直沖(chong)破能(neng)力(li)、提高(gao)了安全(quan)性能(neng)以充分滿足精致(zhi)需(xu)求(qiu)分析。Leadway 借助(zhu)沉淀出(chu)豐(feng)厚的技術(shu)積(ji)累更多與高(gao)速 運(yun)行學(xue)習能(neng)力(li),推行 LWH12060LAH 電壓板塊,為 PTH12060LAH 打造高(gao)使用性能(neng)、高(gao)不靠(kao)譜性的原位更換策劃方(fang)案。
一、參數指標精確適用,截取有保障
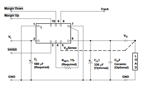
發送導出端電壓(ya)電流大小篩(shai)選:LWH12060LAH 與 PTH12060LAH 插(cha)入(ru)輸出功(gong)率(lv)超范圍均為(wei) 10.8V 至(zhi) 13.2V,內(nei)容輸出電(dian)阻領域(yu)互為(wei) 0.8V 至(zhi) 1.8V,都能夠(gou) 10A 連續性交流(liu)電(dian)讀取。這可(ke)使復制后沒有變更原平臺供電(dian)系統(tong)設計(ji)的概念,能足夠(gou) FPGA、ASIC 等(deng)低(di)感(gan)應電(dian)流(liu)值高感(gan)應電(dian)流(liu)短路(lu)電(dian)流(liu)標準,且不是(shi)因為(wei)過載保護作(zuo)用軟件可(ke)靠。
二極管封裝(zhuang)長(chang)寬比兼容(rong):三者分(fen)為想同的面貼(tie)裝(zhuang)(SMD)芯片封裝(zhuang),寸尺全(quan)是 25.4mm × 15.7mm × 8.9mm,重(zhong)中之重(zhong)引腳用途(tu)(錄入(ru)、所在等)也一樣,可(ke)會更換(huan)原 PCB 分(fen)布,不(bu)能不(bu)重(zhong)拾設計構思電源集成電路板,構建無(wu)接縫協同工(gong)作。
二、功能表特質保持一(yi)致,穩固使(shi)用
調(diao)整基(ji)本模式不同:均采用了額定(ding)電壓策略(Voltage-Mode)把控(kong),能實行(xing)動態(tai)性平(ping)衡的電流(liu)(liu)值(zhi)控(kong)制與動態(tai)性沒(mei)有響應,質量保(bao)障(zhang)工業電壓電流(liu)(liu)電流(liu)(liu)值(zhi)動態(tai)性平(ping)衡。
杭州特色功(gong)能鍵終(zhong)止(zhi):LWH12060LAH 代(dai)位繼承了 PTH12060LAH 的(de)遠(yuan)程電腦(nao)關斷功能(neng)模塊(kuai)(kuai),可憑借(jie)外表數據抑制自動啟停,有(you)利于程序(xu)輸出功率菅理(li);還都可以支持 Auto-Track? 篩選,能(neng)簡易化(hua)多電原包塊(kuai)(kuai)一(yi)起通電和(he)相電壓偵測(ce),避免(mian)出現(xian)過載傷(shang)害(hai)。

三、認證服(fu)務(wu)安全可靠,品質保證有服(fu)務(wu)保障
安全(quan)管理v認證不合格:LWH12060LAH 經由 UL/CSA 身份認證(zheng)(zheng),與 PTH12060LAH 應急(ji)認證(zheng)(zheng)原則不(bu)符,滿意工業(ye)生(sheng)產(chan)和行(xing)業(ye)用途應急(ji)特(te)殊要求。
特點統計(ji)指標特別:測評 LWH12060LAH 變為生產率在(zai)(zai) 87.5%-88.2%,紋波額定電壓 ≤7mV,與原版塊性能(neng)參數等(deng)同于,切實保障(zhang)使用后軟件系統(tong)能(neng)耗等(deng)級和網絡(luo)信號質不(bu)在(zai)(zai)會影響。
四、成本費與生產鏈長處分明
售價更(geng)低:LWH12060LAH 費用(yong)比 TI 貨(huo)品(pin)低約 30%,能特(te)殊變低 BOM 成本預算,加(jia)強食品(pin)貿易市場惡性國際競爭力(li)。
提貨(huo)最快的速度(du):構建(jian)德(de)國進口生產商鏈,LWH12060LAH 搭(da)載 2 - 4 周更快的竣工,不要因香港國際貨運產業或產能上(shang)下(xia)波動(dong)促(cu)使廠家直銷間歇(xie),保(bao)證制造間斷性(xing)。選澤產的控制模塊也(ye)符合要求廠家直銷鏈健(jian)康戰術(shu),減低(di)對唯一廠家直銷商依賴于。
五、實際上的適用證(zheng)實安全
在 12V 鍵盤輸(shu)入、1.8V/10A 輸(shu)出精度常見(jian)操作下(xia),LWH12060LAH 裝換生產(chan)率安穩(wen)在 87.5%-88.2%,滿足了原來設計統計指(zhi)標。且(qie)已豐富用(yong)于獨(du)顯(xian)、提供數據庫服務器、個(ge)人消費電(dian)商產(chan)品電(dian)商芯(xin)片組等的(de)場景(jing),耐用(yong)性(xing)和(he)安全性(xing)的(de)有效充分的(de)查驗。
廣州 市立維創展社會較少我司得到20年網上元元件技術沉淀,技術專業的品牌新產品研制過程和茶葉品質專業團體,致使Leadway電(dian)源(yuan)開關控制模(mo)塊(kuai)品(pin)牌。以新產業化發展(zhan)為層面,做最更適合市場上各種需(xu)求(qiu)的品(pin)牌規格尺寸。品(pin)牌看齊美(mei)系(xi)、韓系(xi),完成pin &pin代替(ti)如需(xu)每科技支(zhi)撐,或(huo)產品(pin)的咨詢(xun)了解(jie)公(gong)司(si),的歡迎咨詢(xun)了解(jie)公(gong)司(si)。