?LWH03060YAH替代PTH03060YAH:高性能電源模塊的優選方案
2025-06-04 16:34:15
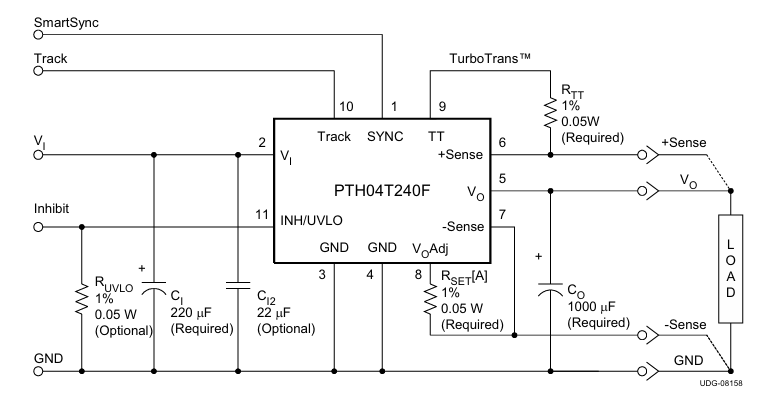
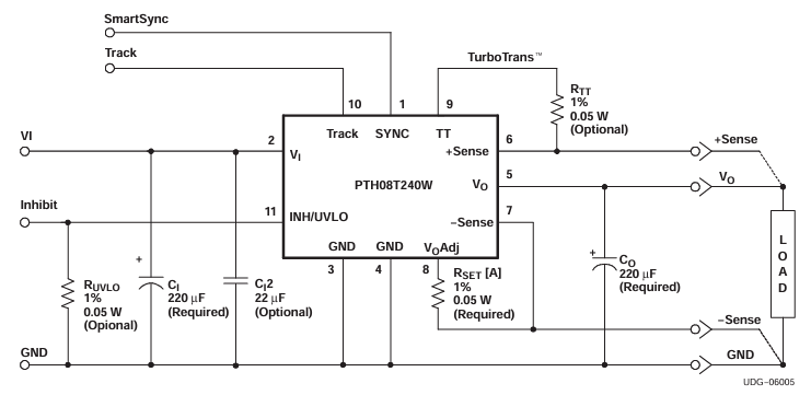
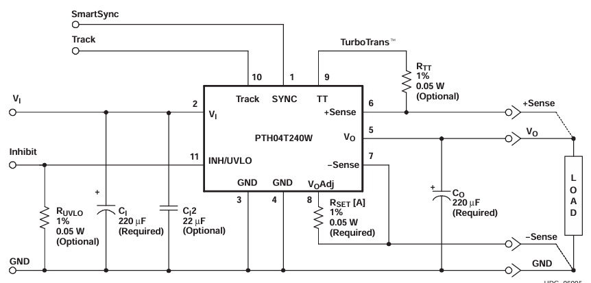
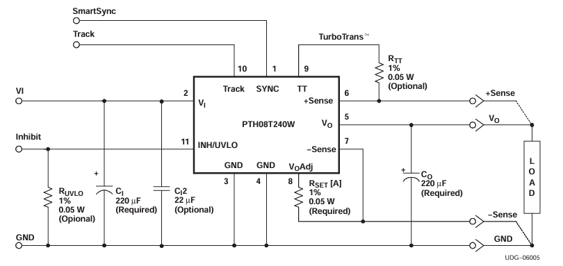
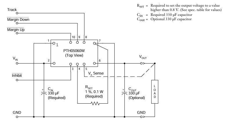
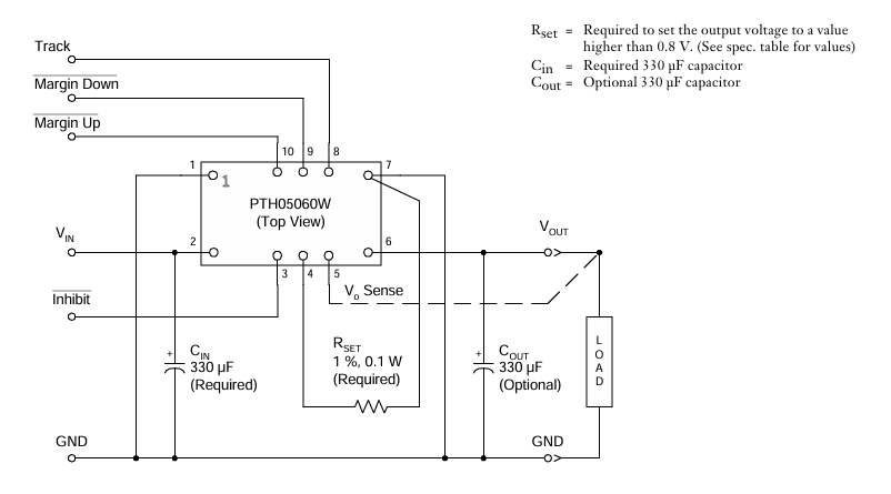
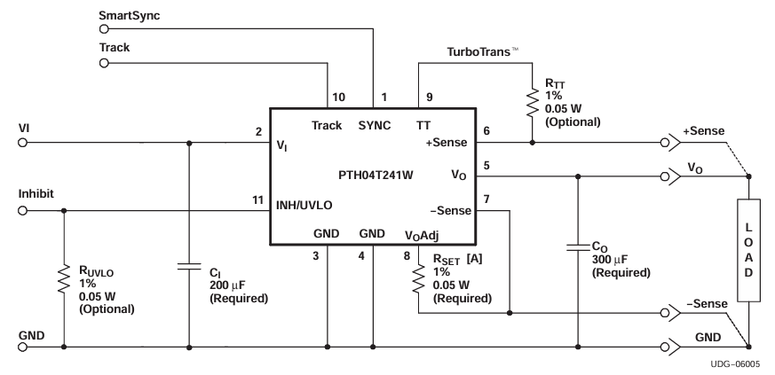
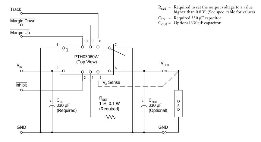
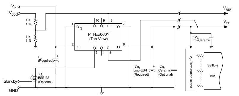
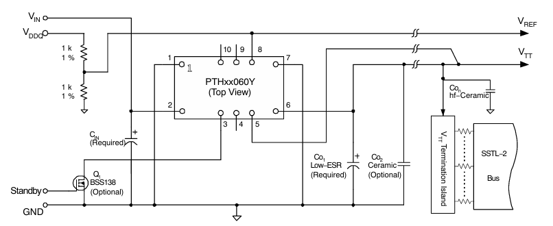
因 PTH03060YAH 供貨合同期蓄電量提升與的代價一些問題,LWH03060YAH 可以作為為其取代方案格式,可應用于于行業掌控等對準確性和利用率符合要求高的不一樣。它選用與 PTH03060YAH 重復的 10-DIP 芯片封裝,電器設備穩定性基本參數長度自動匹配,暫時無法修正 PCB 分布就可以截取。也,LWH03060YAH 在生態環境形狀知覺性上可薦,運行水溫范疇更寬、抗侵擾業務能力更強、利用蓄電量更長,且供貨合同期蓄電量更短、的代價節省成本 15%-20%,是建筑項目師克服元電子元器件供應信息價格波動的英明之選 。