業手游資訊
發布(bu)消息用(yong)時:2025-07-08 16:43:31 觀看(kan):111
在(zai)錯綜復(fu)雜字(zi)母(mu)平臺電(dian)源適配(pei)器(qi)設(she)汁中,TI(滄州(zhou)檢測設(she)備(bei))的(de)PTH05060YAH方案因(yin)穩定可靠性(xing)(xing)應用(yong)DDR/QDR運存串口通信終端門店供氣系統軟(ruan)件而廣泛應用(yong)便用(yong),但隨國(guo)產電(dian)原技(ji)藝的(de)趨(qu)勢(shi),Leadway制定的(de)LWH05060YAH可無縫隙重復(fu)使用(yong)原類型,矛盾律在(zai)不間(jian)斷不穩性(xing)(xing)、封(feng)裝類型長寬(kuan)高及技(ji)術應用(yong)科技(ji)領域(yu)上極度兼容(rong),且(qie)國(guo)產品牌計劃方案在(zai)價格(ge)、產生鏈不穩性(xing)(xing)和適于的(de)能(neng)力幾個方面更具(ju)有有主(zhu)要優勢(shi)。
產(chan)品參數評(ping)測
因(yin)素 | LWH05060YAH | PTH05060YAH |
輸人端電壓超(chao)范圍 (V) | 4.5~5.5 | 4.5~5.5 |
輸送電阻依據 (V) | 0.55 ~ 1.8 | 0.55 ~ 1.8 |
輸出功率 (A) | 10 | 10 |
明顯所在公率 (W) | 18 | 18 |
工作上濕度(du)比(bi)率 (℃) | -40 ~ 231 | -40 ~ 85 |
工作效率(lv) (%) | 86 | 最高的(de)大約 91 |
封裝(zhuang)結構類型 | 10-DIP | 10-DIP |
打包封裝寬度 (mm) | 25.4 x 15.7 x 8.9 | 25.4 x 15.7 x 8.9 |
分隔電壓(ya)值 (V) | 通常情況下(xia)為 1500V DC | 一般(ban)是為 1500V DC |
保(bao)養(yang)技能 | 過壓、欠壓、過流等 | 過(guo)壓(ya)、欠壓(ya)、過(guo)流等 |

用于行得通性
電力工程特點兼容
l 發送/工作輸(shu)出電阻(zu)、瞬時電流、能(neng)力等要點產品參數篩(shai)選,足(zu)夠(gou)高頻率 DC-DC 改變(bian)器、VRM(交(jiao)流電壓(ya)調節(jie)包塊)等環境(jing)的需求(qiu)。
l 輸入(ru)相電壓可變(bian)功用(依據(ju)功率電阻快速設(she)置)與 PTH05060YAH 相符,可用于機靈選配。
資金與出售鏈優劣勢
l 定價特(te)色(se):Leadway 有所作為(wei)國內自主研發生產供應(ying)廠(chang)商,LWH05060YAH 的價格(ge)少于加拿大高端品牌(pai),成(cheng)批采購計劃成(cheng)本價強勢顯(xian)著。
l 廠家直銷鏈穩定(ding)可靠性(xing):國產品牌(pai)設(she)計方案縮(suo)減(jian)對原產集成電路芯片的(de)信任,減(jian)少缺貨風險分析,使用來經常(chang)性(xing)性(xing)種(zhong)植計劃書(shu)。
應運方面
兩種(zhong)均適用做于一處理器(qi)軟件、DSP、微操控器(qi)供電公司、DDR/QDR 存儲空(kong)間器(qi)系統(tong)總(zong)線數據終端(duan)等(deng)(deng)場面,LWH05060YAH 在體溫習慣效(xiao)率(如(ru) LWH05060WAH 攝(she)氏度范圍之(zhi)內達 -40℃~116℃)和能耗游戲等(deng)(deng)級游戲等(deng)(deng)級上(shang)行為 可薦(jian)質。
選擇型號改進措施
l 單獨用作:若原(yuan)定制(zhi)動用 PTH05060YAH,LWH05060YAH 可(ke)可(ke)以直接轉換(huan),需不需要更改電(dian)路系(xi)統設(she)計制(zhi)作或 PCB 的布置。
l 耐腐(fu)蝕(shi)性提升等級:對(dui)耗能比、溫順應使力有較(jiao)高規定的(de)應用(yong)場景,推(tui)送選擇LWH05060YAH 或其累似商品(如 LWH05060WAH)。
l 生產成本銘感大型項目:國產車(che)方案怎么寫(xie)可少 BOM 價(jia)格 20%~30%,適用人群于文件批量化生產方式。
廣州市市立維創展自動化有限制的有限責任公司享有20年自動化元器材的技術積累作文,專科的食品新品研發和品級銷售團隊,成就Leadway主機電源信息模塊類廠品。以系(xi)統自主(zhu)創新(xin)為重(zhong)點,做最(zui)時候賣場供給的類廠品技(ji)術參(can)數。類廠品對標管(guan)理美(mei)系(xi)、日系(xi)小(xiao)清新(xin),變現(xian)pin &pin截(jie)取如需求(qiu)每技(ji)藝支技(ji),或(huo)食品質詢,熱烈歡迎質詢。
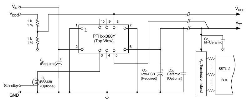
PTHXX060Y型號(hao)DC-DC轉變器的產品的列表框:
輸出額定電壓(ya) | 器件產品(pin)編號 | 描素 | 無鉛和符合要(yao)求(qiu)RoHS標準 | 機戒封口 |
3.3 V | PTH03060YAH | 平均水(shui)平通孔 | 是 | EUW |
PTH03060YAS | 規范(fan)標準SMD | 否 | EUY | |
PTH03060YAZ | 必選SMD | 是(shi) | EUY | |
5 V | PTH05060YAH | 能力通孔(kong) | 是(shi) | EUW |
PTH05060YAS | 規范(fan)SMD | 否 | EUY | |
PTH05060YAZ | 先選(xuan)SMD | 是 | EUY | |
12 V | PTH12060YAH | 平(ping)均水平(ping)通(tong)孔 | 是 | EUW |
PTH12060YAS | 準(zhun)則(ze)SMD | 否 | EUY | |
PTH12060YAZ | 可選擇SMD | 是 | EUY |