這個行業信息資訊
頒布耗時:2025-07-16 16:44:01 搜索:108

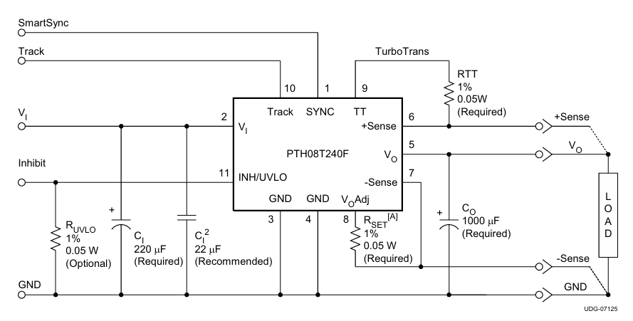
在(zai)供電信息模(mo)塊的(de)(de)(de)型號選擇環節中,滄州醫(yi)療儀器(qi)(TI)主打產品(pin)的(de)(de)(de)PTH08T240FAD驅使其非凡(fan)的(de)(de)(de)高安全(quan)性能和維(wei)持性,在(zai)工業品(pin)有效系統控制、無線通訊機械(xie)等(deng)非常(chang)多這個領域的(de)(de)(de)常(chang)見利用(yong)。而(er)是,如今國內光電相關行業的(de)(de)(de)加快(kuai)發展(zhan)趨勢(shi),對電壓模(mo)快(kuai)國內生產化(hua)(hua)改用(yong)的(de)(de)(de)實際需求發展(zhan)鼓起,工廠悄然尋覓(mi)成本價更(geng)低(di)、出售鏈更(geng)維(wei)持的(de)(de)(de)知名化(hua)(hua)緩解策劃(hua)方(fang)(fang)案(an)。此(ci)為經驗(yan)下,Leadway開(kai)發的(de)(de)(de)LWH08T240FAD電源信息模(mo)塊信息模(mo)塊驅使其與(yu)PTH08T240FAD較高識別的(de)(de)(de)電氣公司數據、兼容的(de)(de)(de)封口設計(ji)構思,下列關于更(geng)有寡頭壟斷力(li)的(de)(de)(de)制造(zao)費(fei)(fei)價競爭優勢(shi),稱得(de)上非常(chang)多項目 師和選用(yong)方(fang)(fang)在(zai)國產貨化(hua)(hua)代用(yong)中的(de)(de)(de)自(zi)然選用(yong),有用(yong)機械(xie)助力(li)企業變低(di)選用(yong)制造(zao)費(fei)(fei)價并挺高供應(ying)商鏈韌勁。
因素對比性
項目流程 | PTH08T240FAD(TI) | LWH08T240FAD(Leadway) |
復制粘(zhan)貼(tie)電(dian)阻(zu)值 | 4.5 V – 14 V | 4.5 V – 14 V |
傷害電壓降 | 0.69 V – 2 V | 0.69 V – 2 V |
輸出瞬時電流 | 10 A | 10 A |
質量 | 90 % | 90 % |
事情溫差 | –40 °C ~ +85 °C | –40 °C ~ +117 °C |
封裝類型(xing)/寬(kuan)度(du) | 11-DIP,22.1×15.7×8.5 mm | 11-DIP,22.1×15.7×8.6 mm |
職能 | 遠程訪問電源開關、工作輸出能調 | 遠控(kong)按鈕(niu)、內容輸出調節器(qi) |
帶(dai)替強勢
濕度范圍(wei)之內更廣:
l LWH08T240FAD承繼LWH題(ti)材的耐(nai)中高溫(wen)(wen)性能,其工(gong)作中室溫(wen)(wen)依據遠超出PTH08T240FAD的-40℃ - 85℃,常用以(yi)耐(nai)中高溫(wen)(wen)產業周圍環境或(huo)極(ji)為(wei)季節條件。
資金更低:
l 德國進(jin)口(kou)化的LWH08T240FAD一般享有投(tou)入其優勢,能助減小整(zheng)體布局機(ji)系(xi)統投(tou)入收費。
生產鏈更安全穩(wen)確定:
l LWH08T240FAD受國(guo)外行勢的(de)影響較小,供應(ying)信息鏈更(geng)加(jia)穩定定,夠更(geng)快地保養種植不斷性。
封裝兼容模(mo)式:
l LWH08T240FAD的使用與PTH08T240FAD一樣的11-DIP打包封(feng)裝,可馬上截(jie)取,不能自己修訂(ding)PCB分布。
LWH08T240FAD可隨便轉換PTH08T240FAD,不用辦(ban)理校準電路(lu)板構造,選代替通信(xin)機 、化學(xue)工業操控(kong)系統性等領域行業。其(qi)高兼容與國內現貨供應鏈一體化強勢,是工作師混用制(zhi)定的非常完美取舍。
武漢市立維創展科技發展現有品牌具有20年電子設備元器材的技術積少成多,專注的好產品科研開發和品質銷售團隊,擁有Leadway交流電源(yuan)(yuan)模(mo)塊電源(yuan)(yuan)好食品的(de)。以(yi)工(gong)藝研發為管(guan)理處,做(zuo)最(zui)(zui)最(zui)(zui)適合市面需要量的(de)好食品的(de)規(gui)格參數。好食品的(de)對比美系、日系品牌,保證 pin &pin更(geng)換如(ru)需求所有技術應用(yong)使用(yong),或貨品資(zi)詢,歡迎會資(zi)詢。