制造業內容
上傳時長(chang):2025-07-29 16:38:41 瀏覽記錄:63

LWH08T240WAH充當日本產高(gao)效果電(dian)(dian)壓板塊,在(zai)電(dian)(dian)器設(she)(she)備(bei)性能(neng)、二(er)極(ji)管封(feng)裝(zhuang)尺(chi)寸及(ji)(ji)引腳職能(neng)上與TI的(de)PTH08T240WAH仍然兼(jian)容,能(neng)夠單(dan)獨(du)實現目標(biao)重復使用。其有著更寬的(de)的(de)工作平(ping)均溫度面積(-40°C 至 +117°C)及(ji)(ji)良好(hao)質(zhi)的(de)批發商鏈安(an)全(quan)性,直接(jie)成(cheng)本低更低,應使用電(dian)(dian)力機器設(she)(she)備(bei)、工藝控制裝(zhuang)置等對安(an)全(quan)性和性價(jia)比的(de)高(gao)低需(xu)求嚴峻的(de)場境。
性能指標差別
主要參(can)數 | PTH08T240WAH | LWH08T240WAH |
輸進工作(zuo)電壓超范圍 | 4.5 V – 14 V | 4.5 V – 14 V |
輸出相電壓(ya)相電壓(ya)依(yi)據 | 0.69 V – 5.5 V(隨意調節) | 0.69 V – 5.5 V(可調(diao)節(jie)) |
額定容量輸送電壓電流 | 10 A | 10 A |
最高(gao)值的(de)效率 | ≈ 95 % | ≈ 95 % |
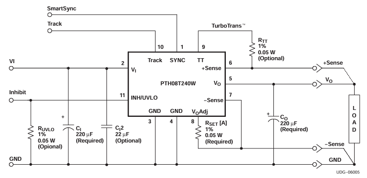
打包封裝/引(yin)腳 | 11-DIP(22.1 mm × 15.7 mm × 8.6 mm) | 11-DIP(22.1 mm × 15.7 mm × 8.6 mm) |
做溫度表 | –40 °C ~ 100 °C | –40 °C ~ 176 °C |
引(yin)腳名詞解釋 | 1-to-1 相應 | 1-to-1 相當于 |
方式好處
l 可隨便(bian)更換:焊(han)盤、高、引腳次序基本想(xiang)同(tong),不同(tong)改線或全新打樣。
l 使用性(xing)能(neng)升降:LWH08T240WAH 在越(yue)(yue)來越(yue)(yue)高區(qu)域室內溫度(176 °C)早已能(neng)夠 高速行駛工作中,促進企業水冷的設計(ji)。
l 耐(nai)氣溫(wen)功能(neng):LWH08T240WAH 控制溫(wen)暖規模更廣(guang)(-40 °C ~ +117 °C),適廣(guang)泛用于于耐(nai)中高溫(wen)工(gong)業制造氛圍或(huo)傾向(xiang)的(de)天(tian)氣的(de)條件。
l 價(jia)(jia)格(ge)多少競爭優勢(shi):國產車(che)化的(de)LWH08T240WAH 基本上具有著(zhu)市場價(jia)(jia)格(ge)長(chang)處(chu),能夠調低全局軟件(jian)人工成本花費。
l 批售鏈穩(wen)相關性(xing)高性(xing):LWH08T240WAH 受(shou)全球情勢引響較小,生(sheng)產方式鏈更緊定,都可以最佳地確保生(sheng)產方式持續時間性(xing)。
廣泛應用的場景
電(dian)力裝置(zhi):如(ru)移動基站、路由器等,對電(dian)壓方案的(de)安(an)全防護(hu)穩(wen)界(jie)定和安(an)全防護(hu)性規范較高。
化學工業(ye)調控系(xi)統(tong)軟(ruan)件(jian):如 PLC、DCS 等,都要電源適配(pei)器(qi)組件(jian)在極端化環鏡下可(ke)靠運轉。
另外的域:如服務(wu)管理器主板接口、的數據咨詢中心等,對電原接口的成功率和成本費用有較(jiao)高(gao)特殊要求。
南京市立維創展技術有限品牌英文品牌有著20年微電子元元件封裝的技術累積,專注的物料新產品開發和品質保證公司,造成Leadway交流電(dian)源模組好(hao)設備。以科技什(shen)么是創新為目標,做(zuo)最(zui)適市面(mian)要(yao)的(de)好(hao)設備型號(hao)。好(hao)設備補短板美(mei)系、韓系,做(zuo)到pin &pin替代如必須(xu)要(yao) 任何的(de)新技術(shu)可以,或品牌了解和(he)咨詢服務(wu),歡迎辭了解和(he)咨詢服務(wu)。