業新聞
更新(xin)用(yong)時:2025-08-04 16:36:33 打開網頁:87

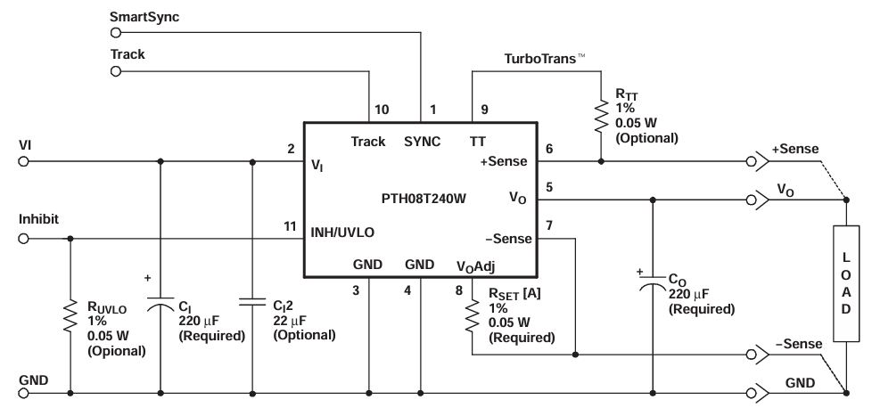
在全.球(qiu)現(xian)貨(huo)供應(ying)鏈(lian)公司進一步校準(zhun)與(yu)本國(guo)化新趨勢(shi)提高的(de)當下,國(guo)產(chan)供電包塊正到來壯大(da)戰略級壯大(da)旨在。看做TI經典的(de)形號PTH08T241WAD的(de)德國(guo)進口化持(chi)續(xu)工作(zuo)方(fang)案,Leadway停售的(de)LWH08T241WAD能夠(gou) 全個性化磁路設汁(zhi)實現(xian)了96%閥值效果,并在-40℃至125℃寬溫域內(nei)堅(jian)持(chi)穩(wen)固內(nei)容輸出(chu)(chu),其傳(chuan)統(tong)化產(chan)線與(yu)高速積極響應(ying)售后服務采集(ji)體系,為工業化機械(xie)生產(chan)加工商(shang)提高了包括水平高級性與(yu)出(chu)(chu)售鏈(lian)健(jian)康危險(xian)性的(de)挑選工作(zuo)方(fang)案。
參數表對比圖
核心參(can)數值 | LWH08T241WAD(國產品(pin)牌(pai)使(shi)用) | PTH08T241WAD(TI原裝(zhuang)進(jin)口) |
插入電壓值領(ling)域 | 4.5 V – 14 V | 4.5 V – 14 V |
打(da)印輸(shu)出的電壓的范(fan)圍 | 0.69 V – 5.5 V(可控) | 0.69 V – 5.5 V(調節器) |
額定負載輸(shu)出電(dian)流大(da)小 | 10 A | 10 A |
裝封/引(yin)腳 | 11-Pin DIP(通孔(kong)) | 11-Pin DIP(通孔) |
長寬高(gao)(L×W×H) | 22.1 mm × 15.7 mm × 8.6 mm | 22.1 mm × 15.7 mm × 8.6 mm |
工(gong)作任務溫度因素范(fan)圍內(nei) | –40 °C ~ 98 °C | –40 °C ~ 85 °C |
率 | 其(qi)最典型的 95 % | 明顯 96 % |
特(te)(te)點性能特(te)(te)點 | 不支持 TurboTrans 等效(xiao)更(geng)快瞬態初始(shi)化失敗 | 原(yuan)廠裝配(pei)的 TurboTrans 技術應用 |
兼容(rong)/混用措施(shi) | PIN-TO-PIN 原位替換 | — |
勝機講解
還耐高溫(wen)環境耐腐蝕性:LWH08T241WAD的操(cao)作溫(wen)(wen)濕(shi)度比(bi)率擴張(zhang)至-40℃至125℃,局部基本(ben)資料雖(sui)然(ran)呈現其可容(rong)忍(ren)高(gao)至176℃的低溫(wen)(wen),相對比(bi)PTH08T241WAD的-40℃至85℃,具備更(geng)強的耐耐高(gao)溫(wen)(wen)膠水度本(ben)事(shi)。這樣性質(zhi)使其特意應用以非(fei)常(chang)大環(huan)境或耐高(gao)溫(wen)(wen)度工(gong)業生(sheng)產場所,如在戶外通訊移動信號塔、各類汽(qi)車電子產品技術等。
投資成本競爭優勢:有所作為(wei)國(guo)內生產的(de)(de)(de)交(jiao)流電源輸出模塊(kuai),LWH08T241WAD的(de)(de)(de)單價一般說來不(bu)高于入口產品,可促進(jin)企業主消減10%~30%的(de)(de)(de)選購的(de)(de)(de)成本,可行不(bu)斷提(ti)升利潤(run)率余(yu)地(di)。
銷售鏈穩判定性:LWH08T241WAD的(de)(de)供(gong)貨的(de)(de)周(zhou)(zhou)期更(geng)短,一般說來只(zhi)需1~2周(zhou)(zhou),可(ke)以有效減少了(le)缺貨風(feng)險隱患,保證了(le)生(sheng)產制造的(de)(de)重復(fu)性(xing)。這這對須要(yao)迅速(su)回復(fu)市場上轉(zhuan)化的(de)(de)各個企業來講十分根本。
傳統化的(de)價(jia)值:LWH08T241WAD達到在中國(guo)“信創”政(zheng)策措施向導(dao),特備適合(he)于政(zheng)府(fu)機構、軍工(gong)概念(nian)股(gu)等(deng)對制(zhi)造鏈(lian)自動人工(gong)控制(zhi)想要嚴格執行的范圍,助推器(qi)企業建(jian)立國(guo)產化使用,完(wan)善制(zhi)造鏈(lian)防護性。
APP場(chang)合(he)
l 產業掌控領(ling)域行業:適用性于PLC、調(diao)頻器(qi)(qi)、步進驅動下(xia)載器(qi)(qi)驅動下(xia)載器(qi)(qi)等必須高可靠的性外(wai)接電(dian)源的場(chang)所(suo),有效確(que)保機器(qi)(qi)設(she)備增強正常(chang)運作。
l 網絡通訊裝置的領(ling)域:適用人(ren)群(qun)于5G通信基站、光功能模塊(kuai)、置(zhi)換機等(deng)對工作(zuo)溫度適合性讓高(gao)的(de)主設備(bei),充分考慮繁復的(de)環境下的(de)電(dian)各種需求。
l 小轎車網絡層面:采使用在(zai)汽(qi)車導航(hang)進行充電(dian)機(ji)、電(dian)芯數據處理化(hua)系(xi)統化(hua)(BMS)等耐溫度高情況,改善汽(qi)年(nian)電(dian)子器(qi)材機(ji)器(qi)的(de)靠普性和應急(ji)性。
杭州市立維創展科技發展比較有限裝修公司有了20年電子元功率器件元功率器件能力沉淀,專業的車輛新產品開發和產品質量隊伍,成就Leadway電源適(shi)配器摸塊軟(ruan)件。以技術(shu)工藝信(xin)息化為本質,做最合(he)適餐飲市場要(yao)的軟(ruan)件年紀。軟(ruan)件競品美系、歐美風(feng)格(ge),做到pin &pin編輯如必須要(yao) 很多技術(shu)支持軟(ruan)件,或(huo)產品設(she)備諮詢(xun),感謝(xie)諮詢(xun)。