企業新聞咨詢
正式發布時期:2025-08-14 16:46:23 打開網頁:34
在智能機 設計制作過程中中,電組件的挑選對的產品的性表面、成本預算掌握以其現貨供應鏈一體化的固定能信起著至關關鍵性的效應。TI(南京測試儀器)公司的PTH12060WAD有所作為行業內人士的經典愛情車輛,雖備受認可度,卻也要面臨著展覽批發商鏈不不穩定性、成本費用居高至少等終極挑戰。相對于的情況下,國產貨Leadway牌子面市的LWH12060WAD,以好品質的效能參數表和中國多元化種植的競爭優勢,變成了了高效率換用PTH12060WAD的抱負首選。
數據(ju)相對較:核心區能(neng)力周(zhou)全更(geng)新
數據 | LWH12060WAD(Leadway) | PTH12060WAD(TI) |
進入(ru)額(e)定電(dian)壓時間范圍(wei) | 10.8V~13.2V | 10.8V~13.2V |
打出(chu)電阻區間(jian) | 1.2V~5.5V | 1.2V~5.5V |
輸出(chu)的電(dian)流量 | 10A(接連) | 10A(陸續) |
有效率 | 94% | 88%-95%(一般值(zhi)92%) |
本職工作溫暖 | –40 °C ~ +108 °C | –40 °C ~ +85 °C |
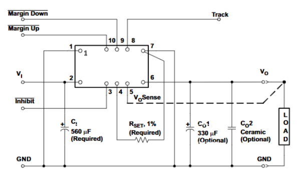
封(feng)裝類型(xing)外形尺寸 | 10-DIP,25.4mm×15.7mm×8.9mm | 10-DIP,25.4mm×15.7mm×8.9mm |
引(yin)腳舉例 | 規范 POLA/TI 引腳 | 標準單位(wei) POLA/TI 引腳(jiao) |
關健性(xing)能參(can)數超出(chu):溫度因素、職能與(yu)正規性(xing)
1.作(zuo)業溫度范圍(wei)圖映射
LWH12060WAD:-40℃~+108℃(一部分相關資料現(xian)示-40℃~+125℃)
PTH12060WAD:-40℃~+85℃
的優勢(shi):LWH12060WAD適用性越高溫生活環境,適用性于(yu)工(gong)業化(hua)的主動(dong)化(hua)、室(shi)外(wai)安全可(ke)靠設施設備等(deng)極(ji)致場所。
2.動態(tai)化電流可以調節與編碼序列(lie)掌控
LWH12060WAD將新增動態展示電(dian)(dian)(dian)阻值調結功用,可即(ji)時卡死(si)短路電(dian)(dian)(dian)流變幻,防范電(dian)(dian)(dian)阻值起伏從(cong)而(er)導致(zhi)的模式死(si)機。
集合(he)編(bian)碼序(xu)列有效控制特點,支(zhi)持系統多摸塊聯合(he)上電(dian)/無(wu)電(dian)時序(xu)菅理,創新電(dian)源線設汁,極大(da)減少外置邏緝(ji)電(dian)路設計。
優勢可言:提(ti)拔(ba)體(ti)統(tong)動態圖反應作(zuo)用(yong),減少來設(she)計麻煩(fan)度與成本費。
3.電流(liu)裕度轉(zhuan)換與和程序(xu)編寫(xie)接口協議
LWH12060WAD支(zhi)技(ji)±10%輸出(chu)功率裕度調控,可采用I2C音頻接口程序(xu)編程,靈活(huo)性替換不一負債各(ge)種需求。
PTH12060WAD僅蘋果支持硬件配置(zhi)調(diao)低,敏銳性不(bu)到。
優質:LWH12060WAD更應用當今很多(duo)家庭化智慧設配對(dui)開(kai)關電源工(gong)作管(guan)理的多(duo)角度化耍求。
4.電磁(ci)振動器兼容問題(ti)與資格認證
LWH12060WAD可以通過EN60950-1最新版v認證,渦流(liu)兼(jian)容完善(shan)20dB,減(jian)輕對別的(de)電路設計的(de)干憂。
優(you)缺點:實現嚴峻(jun)的工(gong)業(ye)生產與通(tong)訊技術(shu)標(biao),優化機(ji)系統產品 穩定安全保障。

性能與制(zhi)造費(fei)優(you)勢與劣勢:無接縫充當,降本(ben)降低成本(ben)、提高(gao)效率
1.引腳兼容與PCB重復使用
LWH12060WAD進(jin)行(xing)標(biao)準(zhun)單位化引(yin)腳基(ji)本(ben)概(gai)念,與PTH12060WAD引(yin)腳根本(ben)兼容,不能自己合并PCB合理布局,直接(jie)的(de)修改能夠(gou)。
的(de)優勢:改(gai)變研究(jiu)開發過渡期,縮減轉換(huan)價(jia)格。
2.供給(gei)鏈與生產成本優化提(ti)升(sheng)
LWH12060WAD市場上(shang)庫存盤點不(bu)夠,原廠裝(zhuang)配的(de)交貨時間從12周減小至4周,防止缺貨危害性。
自動企業(ye)采(cai)購代價大幅(fu)度降(jiang)低(di)15%,控制器使用期生長期延時至10年(nian),有效降(jiang)低(di)持續運(yun)營維(wei)護成本低(di)。
優越(yue)性:增強生產鏈平(ping)穩性,限制(zhi)綜上投入。
用3d場景自適應性
工業企業會自動控制:LWH12060WAD的寬溫領(ling)域(-40℃~+108℃)與(yu)高質(zhi)量率(94%),適宜(yi)于電(dian)機(ji)馬達驅(qu)動下載(zai)、感知器(qi)供水等場(chang)景設(she)計,避免溫度升高對設(she)施設(she)備的影響到。
通訊技術生產設備:在5G信(xin)號塔中,LWH12060WAD的動(dong)態化(hua)電(dian)(dian)(dian)壓電(dian)(dian)(dian)流調試(shi)工作可優化(hua)方案微(wei)波射頻前沿濾波,配比高頻電(dian)(dian)(dian)源電(dian)(dian)(dian)路抗(kang)阻,縮減數據(ju)偏色。
服務培訓器與(yu)數據分析重(zhong)心:為CPU/GPU打造(zao)相對穩定功率,低DCR(直(zhi)流(liu)電(dian)壓(ya)內(nei)阻)才能減少變燙,優化(hua)一(yi)級能效,支持軟件(jian)高瞬態積極(ji)地響應要求。
東莞市立維創展新材料技術有限制的大公司享用20年網上元電子電氣元件高技術日常積累,專注的產品的研發部門和茶葉品質的團隊,成就Leadway交流(liu)電源摸塊產品(pin)(pin)。以技術水平研發為關鍵,做最(zui)適整個市(shi)場的(de)需(xu)求的(de)產品(pin)(pin)尺寸。產品(pin)(pin)對(dui)比美系、日系品(pin)(pin)牌,達成pin &pin更換如要(yao)每技術應用(yong)使用(yong),或新(xin)產品(pin)(pin)詳詢,歡迎(ying)大家詳詢。