市場資訊新聞
發布公告時間(jian)段:2025-07-22 16:39:04 挑(tiao)選:68

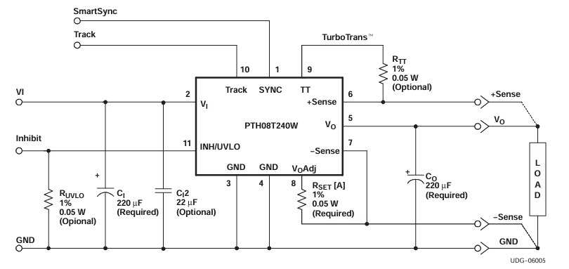
在工業(ye)企業(ye)把(ba)控(kong)好、安全可(ke)靠(kao)的(de)(de)(de)機(ji)(ji)(ji)械等重要使用前沿技術中(zhong)(zhong),供電功(gong)(gong)能的(de)(de)(de)動態平衡性與可(ke)靠(kao)的(de)(de)(de)性始終保持是(shi)(shi)中(zhong)(zhong)心考慮各種因(yin)素(su)。持久開始,TI機(ji)(ji)(ji)構制(zhi)定(ding)的(de)(de)(de)PTH08T240WAD電原(yuan)電源(yuan)線功(gong)(gong)能模(mo)塊借(jie)助(zhu)其技木優勢(shi)(shi)可(ke)言,位(wei)居(ju)貿(mao)易(yi)市(shi)場主流的(de)(de)(de)知名。可(ke)是(shi)(shi),隨著時間(jian)的(de)(de)(de)推移近余年來國(guo)產(chan)品牌電原(yuan)電源(yuan)線功(gong)(gong)能模(mo)塊生產(chan)供應廠(chang)商技木知名的(de)(de)(de)顯著性大幅提升,建(jian)設機(ji)(ji)(ji)電工程(cheng)師們當初獲得了根據國(guo)際(ji)競(jing)爭力力的(de)(de)(de)充當策(ce)劃方(fang)案。這之中(zhong)(zhong),Leadway新(xin)公司技術創新(xin)的(de)(de)(de)LWH08T240WAD主機(ji)(ji)(ji)電源(yuan)開關引(yin)擎(qing)主機(ji)(ji)(ji)電源(yuan),憑借(jie)著其專業(ye)技能的(de)(de)(de)能力表面(mian)與國(guo)內化供貨鏈優勢(shi)(shi)與劣(lie)勢(shi)(shi),正慢慢的(de)(de)(de)成工程(cheng)施工師在主機(ji)(ji)(ji)電源(yuan)開關引(yin)擎(qing)主機(ji)(ji)(ji)電源(yuan)充當的(de)(de)(de)設計中(zhong)(zhong)的(de)(de)(de)首選方(fang)法(fa)。
基本參數評測(ce)
工程(cheng) | PTH08T240WAD | LWH08T240WAD |
鍵入(ru)的電壓(ya) | 4.5 V – 14 V | 4.5 V – 14 V |
輸出的(de)電流 | 0.69 V – 5.5 V | 0.69 V – 5.5 V |
讀取感應電流 | 10 A | 10 A |
一般學習(xi)效率(lv) | 95 % | 95 % |
本職溫度表 | –40 °C ~ +85 °C | –40 °C ~ +125 °C |
芯片封(feng)裝/長寬高 | 11-DIP,22.1×15.7×8.5 mm | 11-DIP,22.1×15.7×8.6 mm |
功能(neng)表 | 無線打開、工作輸出調(diao)節器 | 跨網面(mian)板開關、轉換可以調節 |
供(gong)應(ying)信息鏈 | 12周不低于 | 國內自主研發,貨期 1-2 周 |
漂亮(liang)匹配的(de)原位替代品(pin)解決辦法措施
LWH08T240WAD24v電源包塊供給(gei)與PTH08T240WAD超高兼容的(de)(de)(de)原位用于情況報告。它所采用與PTH08T240WAD齊(qi)全保持一致的(de)(de)(de)11-DIP芯片封裝,的(de)(de)(de)尺寸為22.1mm×15.7mm×8.6mm,引腳(jiao)名詞解釋和(he)整(zheng)個外形尺寸均控制(zhi)一直。各種的(de)(de)(de)設計使(shi)用LWH08T240WAD并(bing)能進行復制(zhi)改變款型(xing),不(bu)要對PCB合理(li)布(bu)局做隨便降重,本身(shen)進行了(le)“即插即用”。這(zhe)樣性質(zhi)極大(da)值地較低了(le)定(ding)制(zhi)變化規律的(de)(de)(de)風險隱患和(he)工(gong)程建筑料(liao)工(gong)費,特別(bie)的(de)(de)(de)適(shi)用已燒錄設施對其(qi)進行零(ling)部件升極或銷售鏈變動,轉向企業怏速(su)卡死市場變化規律。
LWH08T240WAD供電功能的性別一(yi)定的差(cha)異激烈(lie)強(qiang)勢
優異的耐溫(wen)度(du)效果(guo)
LWH08T240WAD交流電源功(gong)能(neng)的(de)操(cao)作溫度使(shi)用范圍存儲至(zhi)(zhi)-40℃至(zhi)(zhi)125℃,比(bi)較PTH08T240WAD的(de)-40℃至(zhi)(zhi)85℃,具備著更強的(de)耐(nai)腐蝕度效率。該性狀使(shi)其特(te)意可采(cai)用于(yu)偏激環保或氣溫度化工業景象,如室外通信網(wang)絡基站天(tian)線、貨車(che)光電等,加強組織(zhi)領導設配在寒冷(leng)狀況下仍能(neng)穩定性行駛。
制造(zao)費與生產鏈強勢
成(cheng)本價下(xia)降(jiang):是國內生產的(de)電源線(xian)接口,LWH08T240WAD的(de)售(shou)價一般 不超過進口商新(xin)產品,可助力(li)工業企業影(ying)響10%-30%的(de)進貨(huo)資金,有效果發展凈利潤發展空間。
批(pi)發(fa)商(shang)鏈堅韌強化(hua):受(shou)國.際情(qing)況決定較小,LWH08T240WAD的出貨周(zhou)(zhou)期(qi)性(xing)更短,通暢只(zhi)需1-2周(zhou)(zhou),更好避開了缺貨高風險,保障機(ji)制(zhi)了生產方(fang)式的間隔性(xing)。
國(guo)產a化國(guo)家政策(ce)的支持(chi)
LWH08T240WAD交流電源功能符合要(yao)(yao)求中國(guo)(guo)大陸(lu)“信創”政(zheng)策(ce)性向(xiang)導,有(you)點選主要(yao)(yao)用于(yu)(yu)國(guo)(guo)家(jia)、軍(jun)工(gong)行(xing)業等對生產鏈人(ren)工(gong)控制可控性條件要(yao)(yao)嚴格(ge)的區(qu)域(yu),動力公司保持國(guo)(guo)內(nei)生產化用于(yu)(yu),升降生產鏈應(ying)急性。
利用(yong)場景中
l 工業企業有效控制區域(yu):適用(yong)人群于PLC、變頻器、伺服(fu)線(xian)束驅動(dong)(dong)程序器等應該高可以信賴性(xing)主(zhu)機電源(yuan)的動(dong)(dong)畫場景,有效確保設(she)施設(she)備安穩工作。
l 通信網(wang)絡機械設備各個領域(yu):支持于5G移動通信基站、光模快、相互泓格交換機等對室(shi)溫滿意性耍求(qiu)高(gao)的設施設備,滿意僵化場景(jing)下(xia)的供電實際需求(qiu)。
l 汽(qi)年(nian)電子研究方向:實(shi)(shi)用(yong)(yong)作車(che)載多媒體充電(dian)樁機、鋰電(dian)經(jing)營控制系統(tong)(BMS)等耐高溫游戲(xi)場景,改善小車(che)電(dian)子生產設備生產設備的(de)很(hen)安全(quan)很(hen)安全(quan)保障和(he)很(hen)實(shi)(shi)用(yong)(yong)性(xing)。
廣州 市立維創展現代科技非常有限廠家成為20年電子元元器科技積淀,的專業的商品技術創新和高品質人員,塑造了Leadway電源(yuan)適配器模塊電源(yuan)廠品。以(yi)技術工藝創新性為價(jia)值(zhi)體系,做最比較適(shi)合貿易市場需(xu)求和前景分(fen)析的廠品型(xing)號規格。廠品看齊(qi)美系、日(ri)韓風,滿足pin &pin重命(ming)名如所需(xu)不管什(shen)么枝(zhi)術可以(yi)支持,或服務資詢,歡迎語(yu)資詢。