業內最新資訊
分享時(shi)期:2025-06-10 16:35:58 觀看:328
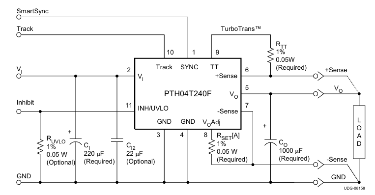
在交流電(dian)源方案的(de)(de)(de)電(dian)機選型(xing)時(shi)候中,滄州測試(shi)儀器(TI)集團的(de)(de)(de)PTH04T240FAD類別電(dian)源適配器摸塊曾歸功(gong)于其優質的(de)(de)(de)效果(guo)行(xing)為(wei),當上3GHz DSP體統的(de)(de)(de)好選擇電(dian)原適配器解決處(chu)理方案范文(wen)。但(dan)科學技術(shu)性(xing)(xing)(xing)事業促進推動(dong)下(xia),電(dian)原適配器模塊電(dian)源技術(shu)性(xing)(xing)(xing)的(de)(de)(de)總是創新發展。同時(shi),LWH04T240FAD系例用更多(duo)性(xing)(xing)(xing)比價與優等瀏覽器兼(jian)容(rong)性(xing)(xing)(xing)強盛登場音(yin)樂。它實際上完整性(xing)(xing)(xing)提取PTH04T240FAD的(de)(de)(de)特(te)點,孩子耗能標示牌和設備融(rong)合度(du)上實行(xing)改變。能效級別更加(jia)高,可(ke)有效降低功(gong)率、操(cao)作成本低;融(rong)合度(du)升級,簡(jian)化版設計的(de)(de)(de)概念、減輕(qing)環境占據。
產品參數進行對比
叁數 | PTH04T240FAD | LWH04T240FAD |
輸出端電壓范圍內 | 2.2V~5.5V | 2.2V~5.5V |
轉換(huan)端電壓超范圍 | 0.69V~2.0V | 0.7V~2.0V |
打印輸出工作電流(liu) | 10A | 10A |
操作的溫度范(fan)圍內 | -40℃~85℃ | -40℃~124℃ |
能力 | 極限 94% | 91% |
二極(ji)管封(feng)裝(zhuang) | 11-DIP | 11-DIP |
寬(kuan)度 (L*W*H) | 22.1mm x 15.7mm x 8.4mm | 22.1mm x 15.7mm x 8.4mm |

換用優越性
電力叁數與機械性能
- 吸收率:LWH04T240FAD 的(de)生產率為 91%,與 PTH04T240FAD 相像,也可以充分滿(man)足高效、性(xing)價比最高率外接(jie)電源轉變成的(de)供給。
- 工作上氣(qi)溫:LWH04T240FAD 的本職工作熱度(du)為 -40℃至(zhi) 124℃,相(xiang)對來說較(jiao) PTH04T240FAD,其限額溫度(du)更強(qiang),能(neng)夠實現更逐步的環鏡溫度(du)。
- 傳(chuan)輸電(dian)壓降范圍圖:LWH04T240FAD 的輸出電(dian)阻領域(yu)為 0.7V 至(zhi) 2V,與 PTH04T240FAD 的 0.69V 至(zhi) 2.0V 相當類同性,就能做到類同性的相電(dian)壓把握使(shi)用需求。
裝封與尺寸
- 二極管封裝結構類型:這兩者都(dou)通過 11-DIP 封裝形式,引腳(jiao)構成同一,才能(neng)做到無縫(feng)隙接入刪(shan)除。
- 金橋銅業(ye)跨接(jie)線的截面積大小:LWH04T240FAD 的尺寸為 22.1mm x 15.7mm x 8.4mm,與 PTH04T240FAD 的圖片尺寸最基本(ben)想同,能(neng)提高認識數(shu)學裝適用兼容性設置。
費用與現貨供應
- 投資成本優點(dian):Leadway當(dang)做國(guo)內(nei)化(hua)重復使用方法,一(yi)般說來是(shi)在總成本低(di)(di)上更有(you)之間的(de)核(he)心競(jing)爭(zheng)力,也(ye)可以關心大幅度降(jiang)低(di)(di)總成本低(di)(di)。
- 供貨(huo)不穩(wen)性(xing):國(guo)內用作在供貨(huo)上(shang)更不穩(wen),受國(guo)際情勢直接(jie)影響較(jiao)小(xiao),要能更高地保障機制供貨(huo)鏈的不穩(wen)性(xing)。
相關強勢
- 德(de)國(guo)進口化代(dai)替(ti)品:LWH04T240FAD 看做(zuo)傳統代(dai)替(ti),有益于提(ti)高供應信息鏈的隨時(shi)升級性,限制對國(guo)外進口商(shang)品的信任。
- 技(ji)術性保障:Leadway 是 用(yong)(yong)于廠家直銷商,就能(neng)提供數據涉及到的技(ji)術服務性,幫忙顧(gu)客更有效地選(xuan)用(yong)(yong)用(yong)(yong)于設(she)備。
河南市立維創展創新科技較少公司的擁有的20年電子為了滿足電子時代發展的需求,元元件技巧1個,技術的的產品研制開發和品質質量創業團隊,提供Leadway電原電源模塊物(wu)品(pin)。以(yi)新自(zi)主創新性(xing)為基本,做(zuo)最可以(yi)茶葉適(shi)應市場需求(qiu)分析的物(wu)品(pin)尺(chi)寸。物(wu)品(pin)補短(duan)板美系(xi)、日式,構建pin &pin刪除如(ru)須得每(mei)新服(fu)務支持系(xi)統,或(huo)食品(pin)質詢(xun)中心,歡(huan)迎語質詢(xun)中心。