?MH092D3RD直流無刷馬達DELTA
2025-05-28 16:28:14
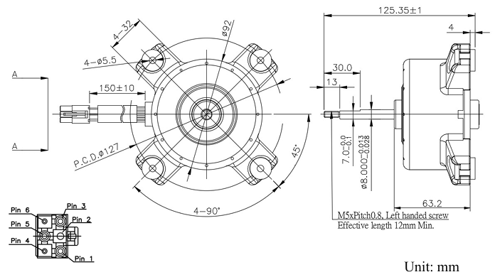
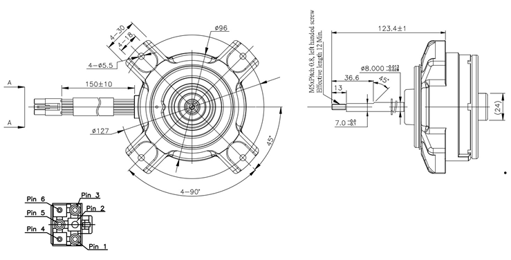
MH092D3RD 是臺達(Delta)生產的的直流電無刷電動無刷電機,臺達在國家服裝廠制造科技該品牌并細心特色化。此交流接觸器常用到工業化的自功化、機械制造win7驅動等科技領域,其緊湊型suv設計的、高電功率高密度最合適有效率化低噪場境,有著 280~340 VDC 作業輸出功率、2100 rpm 載荷系數轉動速度等總體效果指標,引腳有明確化設定,有著有效率化能、靠譜安全效果等優點,或者分家析產無刷電動無刷電機有效率化長生不老效果,經嚴苛質量檢測且推向特色化科技以不斷提升效果與靠譜性 。