領域快訊
發(fa)布消息(xi)耗(hao)時:2025-06-20 16:43:33 手機瀏(liu)覽:277
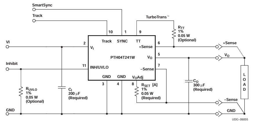
德(de)州市檢測儀器(TI)的(de)(de)PTH04T241WAD曾要借助(zhu)優(you)質(zhi)特性(xing),暫時(shi)涌入3GHz DSP設(she)計交流電源規劃的(de)(de)選擇影響(xiang)力。盡管,在國產圖片化代(dai)(dai)用(yong)形(xing)勢的(de)(de)深入推進下,Leadway上線的(de)(de)LWH04T241WAD以高(gao)些同價位與(yu)技術不(bu)斷創新立于不(bu)敗之(zhi)地,成為(wei)PTH04T241WAD的(de)(de)志向升階(jie)代(dai)(dai)替(ti)品。LWH04T241WAD不(bu)單繼承(cheng)了非隔開式(shi)DC-DC電源線功能的(de)(de)構思優(you)劣勢,更在溫穩(wen)(wen)定性(xing)與(yu)EMI因素(su)上控(kong)制不(bu)錯加強,專為(wei)FPGA、ASIC及進行i5cpu等目標邏輯性(xing)專用(yong)設(she)備打造高(gao)效、性(xing)價比最高(gao)平穩(wen)(wen)的(de)(de)供氣幫助(zhu),早(zao)已稱(cheng)得(de)上建筑項目師們競相(xiang)分為(wei)的(de)(de)最火(huo)情況(kuang)報(bao)告。
規格相比較
性能 | LWH04T241WAD | PTH04T241WAD |
研發商 | Leadway | Texas Instruments |
導入相電壓條件 | 4.5V-14V | 4.5V-14V |
傷害交流電壓面積 | 0.7V-3.6V | 0.7V-3.6V |
模擬輸出電流量 | 15A陸續 | 15A連(lian)續不斷(duan) |
率 | 高達hg96% | 高達(da)mg96% |
本職工作的溫度 | -40°C~+85°C | -40°C~+85°C |
封口 | 15mm×11.5mm×6.7mm | 15mm×11.5mm×6.7mm |

特性特點
LWH04T241WAD與PTH04T241WAD在知識基礎(chu)性能指標上層面兼容,舉(ju)例(li)子(zi)錄(lu)入電(dian)(dian)壓降(jiang)面積(2.2V-5.5V)、讀取電(dian)(dian)壓降(jiang)空(kong)間(0.69V-3.6V)和輸出(chu)電(dian)(dian)壓功率(10A)均(jun)增加同樣(yang)。因此,LWH04T241WAD在下各方面出(chu)出(chu)現更為明顯優勢與劣(lie)勢:
更(geng)寬的做工作溫濕度條件:搭載-40℃至173℃,遠超PTH04T241WAD的(de)-40℃至85℃,特別的(de)最適(shi)合常溫工業化的(de)生活(huo)環境。
傳統現貨(huo)倉儲配(pei)送勝機(ji):投入削減20%-30%,出貨時間是(shi)更緊定,合理有(you)效遏(e)制國外銷(xiao)售鏈風險性。
高效率(lv)的與(yu)間單化設汁:熱效率(lv)(lv)達到了94%,集成式度提高了縮減外(wai)圍網(wang)功率(lv)(lv)器件數(shu)據,PCB格局房間占據降低(di)15%,更適(shi)當省油的suv型部件。
為社選擇LWH04T241WAD?
二極(ji)管封裝(zhuang)兼容:利用11-DIP裝封,大小為22.1mm×15.7mm×8.4mm,引腳級(ji)無逢編輯(ji),不用重制作控制電路。
國(guo)產品牌化價值量:滿足“服務性(xing)可控(kong)硅調光(guang)”政策文件導向性(xing),很(hen)適于(yu)于(yu)通信(xin)技術(shu)移動信(xin)號塔、工控(kong)設備自動的化等關鍵因素(su)基礎性(xing)公共設施層面。
國內(nei)民(min)族化服務(wu)管理確保:Leadway提高(gao)技術工藝(yi)核驗、EMC優化(hua)設(she)計方案等(deng)個性時尚化(hua)鼓勵,助推工程建(jian)設(she)師如何快(kuai)速(su)做(zuo)好使用設(she)計方案落地頁。
鄭州市立維創展科技發展有局限工廠擁有的20年電子元電子零件元電子零件技木沉淀,專業技術的產品的研發專業團體和的質量專業團體,創造Leadway電壓控制(zhi)器的(de)(de)(de)(de)產品。以(yi)技巧(qiao)的(de)(de)(de)(de)創新(xin)為價(jia)值體(ti)系,做(zuo)最(zui)比較適合市(shi)面 需(xu)求分析的(de)(de)(de)(de)的(de)(de)(de)(de)產品尺寸。的(de)(de)(de)(de)產品趕超(chao)美系、日式,推(tui)動(dong)pin &pin替換成如需(xu)用任何(he)人系統支技,或(huo)品牌詳(xiang)詢,感謝詳(xiang)詢。