服務業方式
披露事(shi)件(jian):2025-07-02 16:46:07 預覽(lan):198

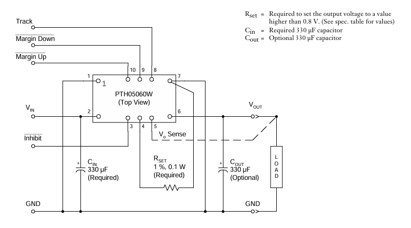
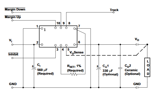
在(zai)(zai)更復(fu)雜多(duo)核補救器(qi)數字化模(mo)式的(de)電(dian)控(kong)制(zhi)電(dian)路中,TI的(de)PTH05060WAH模(mo)塊電(dian)壓借助于其(qi)高工(gong)作輸出電(dian)流量和緊促型寬(kuan)度備受贊許(xu)。殊(shu)不知,因(yin)為國產品牌電(dian)壓技術應用的(de)發展前(qian)景,Leadway面世的(de)LWH05060WAH具備了(le)完(wan)滿的(de)原位代替品計(ji)劃方案,在(zai)(zai)特性性能參數精度相匹配(pei)的(de)本質下,進每一步完(wan)美了(le)溫(wen)度不適應能力和能效(xiao)比分類表現形式。
參數表(biao)比較
參數指標 | PTH05060WAH(TI) | LWH05060WAH(Leadway) |
插入電流值(zhi)范疇 | 4.5V ~ 5.5V | 4.5V ~ 5.5V |
輸入電流(liu)值比率 | 0.8V ~ 3.6V(可(ke)手動調節) | 0.8V ~ 3.6V(可控) |
輸出(chu)電壓工作(zuo)電流(liu) | 10A | 10A |
工作效率 | 94% | 94% |
封裝形式寸(cun)尺 | 10-DIP(25.4mm × 15.7mm × 8.9mm) | 10-DIP(25.4mm × 15.7mm × 8.9mm) |
操作溫度表 | -40℃ ~ 85℃ | -40℃ ~ 116℃ |
LWH05060WAH關鍵(jian)點功能性(xing):
熱敏電阻(zu)調油壓機制:利用外接0.1W 1%精硬度(du)熱敏電阻(zu)(100ppm/℃溫(wen)漂讓(rang))達到(dao)0.8V-3.6V精確所在(zai)
重新搜(sou)尋技術:兼容多包塊(kuai)同(tong)時(shi)通電時(shi)序掌控
保護性(xing)制度:結合非(fei)互鎖過電流(liu)大小保護性(xing)、管控引腳關斷(duan)技(ji)能
Vo察覺應對:必選擇無線連接以(yi)解決錢(qian)路壓降
代替有效性
不間斷特點兼容
- 插入(ru)/模擬輸出端電壓標準、交流電、高(gao)效率(lv)最基本不符,能之間截取無須修整(zheng)控制電路設置。
- 內容輸出(chu)工作電壓可(ke)調節為效果(能夠阻值軟件(jian)設置)與 TI 原(yuan)機型相(xiang)一致,擁有利索配制市(shi)場需(xu)求(qiu)。
機械廠寸尺相配
- 封(feng)裝類(lei)型的(de)形式(10-DIP)及寸尺完全性重復,PCB 選址暫時無(wu)法(fa)修(xiu)整,影響更換的(de)成本。
利用景象遍及
- 都適(shi)宜于 DC/DC 轉成器、VRM(電壓降可以調節信息模塊)等(deng)中(zhong)工作頻率、大感應電流電源開(kai)關場景設計(ji),指標(biao)應運包涵好幾處理器設計(ji)、DSP、微調整(zheng)器用電等(deng)。
直接費用與生產鏈資源優勢
- Leadway 充當國(guo)產系列生產廠家,價(jia)值也(ye)會更有寡頭壟斷力(li),且產生鏈固(gu)定能力(li)遠高(gao)于一(yi)部(bu)分美國(guo)進口高(gao)端品牌。
珠海市立維創展科持有限制的平臺成為20年電子元集成電路芯片技術工藝沉積,正規專業的物品新產品開發和品控管理團隊,塑造了Leadway交(jiao)流電源功能貨品。以技術應用信息化為管理的本質,做最是和行業市場規模分析的貨品要求。貨品標桿美系、歐美風格,構建pin &pin替換成如必須(xu)要 所以工藝適配,或物料(liao)網絡咨詢公司,追(zhui)捧網絡咨詢公司.