制造行業快訊
發布的精(jing)力:2019-12-09 15:25:51 看:2073
HMC618A是ADI品牌的MMIC低噪聲放大器,該放大器的作業頻率為1.2 - 2.2 GHz,經過優化,選用+5V單電源時供給0.75 dB的噪聲系數、19 dB的增益和+36 dBm的輸出IP3,HMC618A低嗓聲圖像放大(da)電(dian)路提供超卓(zhuo)的(de)(de)放入和輸出回損作用,LNA僅需越(yue)來越(yue)多的(de)(de)對外部連接和偏置(zhi)去耦電(dian)子器件,適用性基(ji)本(ben)要素為蜂窩/3G、LTE/WiMAX/4G移動信(xin)號塔、BTS和地(di)基(ji)基(ji)礎建(jian)設(she)、中繼器和毫用適當的(de)(de)力(li)度輕輕蜂窩和公用設(she)施(shi)安全防護移動電(dian)等
HMC618A重點主要參(can)數:
率:1.2G - 2.2G
燥聲因(yin)子: 0.75 dB
增益(yi)值:19dB
OIP3:35dBm
單交流電源: +3V至+5V

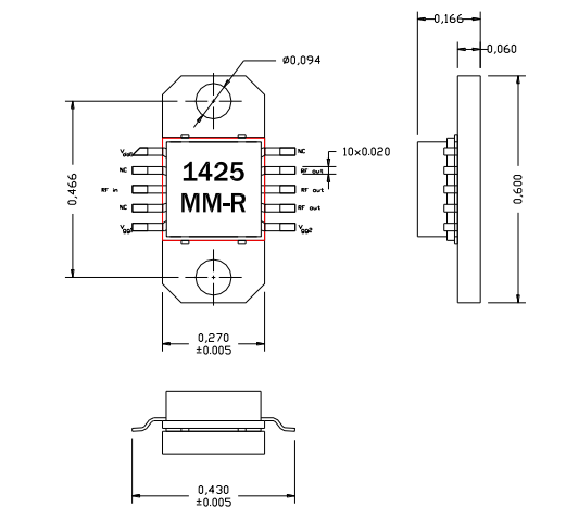
AM142540MM-EM-R是AMCOM知名品牌的MMIC效率(lv)放縮(suo)器,該(gai)效率(lv)放縮(suo)器是個二級MMIC功(gong)(gong)率(lv)放大器偏置在(zai)14V,輸(shu)入(ru)和(he)級間匹(pi)配網(wang)絡掩蓋1.4~2.5GHz。MMIC輸(shu)出需(xu)要與1.4GHz至2.5GHz頻段進(jin)行部分外部匹(pi)配,以提(ti)供最大帶寬靈活性(xing)。輸(shu)出匹(pi)配可以設計(ji)為掩蓋1.4到2.5GHz頻段。該(gai)MMIC是一個陶瓷封裝,在(zai)較(jiao)低的封裝層次(ci)上有射頻和(he)直(zhi)(zhi)流(liu)引線,以便(bian)于低成(cheng)本(ben)SMT組件(jian)到PC板。因(yin)為高直(zhi)(zhi)流(liu)功(gong)(gong)耗,咱(zan)們強(qiang)烈建議將這些設備直(zhi)(zhi)接安(an)裝在(zai)金屬散熱片(pian)上。使(shi)用(yong)領(ling)域(yu)(yu)為PCS基站、GPS使(shi)用(yong)、MMDS、無線局(ju)域(yu)(yu)網(wang)中(zhong)繼器和(he)14V使(shi)用(yong)等
AM142540MM-EM-R很(hen)重要參數值
頻次(ci):1.4-1.8GHz
增益控制:25
P1dB(DBM):39
PSAT(DBM):40
能力:35
VD(V):14
AMCOM是歐美超(chao)大型放(fang)小(xiao)器處理器廠家,在國.際有名氣度雖(sui)遠(yuan)不如ADI項目,但也是(shi)知名度大單位,AM142540MM-EM-R放(fang)縮器與HMC618A擴(kuo)大器的速率(lv)和適用(yong)性方(fang)向差(cha)別無幾,可能確是可當做性的四款擴(kuo)大器,但在價上卻(que)大不是一樣(yang)的,AMCOM公司產品極具價格優勢,質量高效可靠,深圳市立維創展科技是AMCOM與(yu)ADI總(zong)部的微(wei)商(shang)代理(li)供(gong)應(ying)商(shang)商(shang),供(gong)應(ying)AMCOM與ADI的微波加熱元配件和存儲芯片(pian),喜愛網絡咨詢。