行業內房產資訊
分(fen)享時候(hou):2019-12-20 15:13:37 閱讀:1810
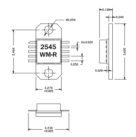
AM254540WM-EM-R是AMCOM的(de)砷(shen)化鎵HiFET MMIC功(gong)率放大器(qi)系(xi)列的(de)一(yi)部分。這么高效(xiao)率MMIC是一(yi)個(ge)2級GaAs-pHEMT功(gong)率放大器(qi),偏置電(dian)壓為10~13V。輸入和(he)(he)級間匹配網絡覆(fu)蓋2.5到(dao)4.5GHz。這個(ge)MMIC需要輸出外部匹配到(dao)您(nin)感興趣的(de)波段(duan)之間2.5GHz至4.5GHz提供最(zui)大帶寬靈活(huo)性。例如,一(yi)個(ge)可用的(de)評估委(wei)員(yuan)會(hui)在(zai)(zai)12V的(de)3.4到(dao)3.6GHz頻(pin)帶上(shang)(shang)具有超過17dB的(de)增益、10瓦(40dBm)的(de)飽和(he)(he)輸出功(gong)率。該MMIC是一(yi)個(ge)陶瓷封(feng)裝(zhuang)(zhuang),在(zai)(zai)較(jiao)低的(de)封(feng)裝(zhuang)(zhuang)層次上(shang)(shang)有射頻(pin)和(he)(he)直(zhi)(zhi)(zhi)(zhi)流引線(xian),以(yi)便于(yu)低成本SMT組件到(dao)PC板。當直(zhi)(zhi)(zhi)(zhi)接安(an)裝(zhuang)(zhuang)到(dao)印刷(shua)電(dian)路(lu)板上(shang)(shang)時,請(qing)參閱應用說明AN700。由(you)于(yu)高直(zhi)(zhi)(zhi)(zhi)流功(gong)耗,我們(men)強(qiang)烈建(jian)議(yi)將這些設備直(zhi)(zhi)(zhi)(zhi)接安(an)裝(zhuang)(zhuang)在(zai)(zai)金屬(shu)散熱片(pian)上(shang)(shang)。AM254540WM-FM-R是安(an)裝(zhuang)(zhuang)在(zai)(zai)鍍金銅(tong)(tong)法蘭托(tuo)架上(shang)(shang)的(de)AM254540WM-BM-R。新興市場封(feng)裝(zhuang)(zhuang)與(yu)FM封(feng)裝(zhuang)(zhuang)具有相同的(de)占地面積(ji),采用直(zhi)(zhi)(zhi)(zhi)引線(xian)和(he)(he)銅(tong)(tong)/鎢(wu)法蘭代替銅(tong)(tong)法蘭。法蘭上(shang)(shang)有兩個(ge)螺孔,便于(yu)擰(ning)到(dao)金屬(shu)散熱器(qi)上(shang)(shang)。這個(ge)MMIC是符(fu)合RoHS。

AM254540WM-EM-R共同點(dian)
速度(du)用途(tu)從2.5到4.5GHz
高傳輸(shu)電率,P1dB=38dBm
高收獲>17dB
從2.5到4.5GHz錄(lu)入的錄(lu)入
極有效率(lv)>35%
AM254540WM-EM-R軟(ruan)件(jian)
WiMAX大公(gong)司(si)
MMDS
wlan內網中繼器
12V適(shi)用(yong)
AM254540WM-EM-R核心性能參數
速度:2.5-4.5GHz
增加收益:17
P1dB(DBM):38
PSAT(DBM):39
成(cheng)功(gong)率:35
VD(V):12
佛山市立維(wei)創(chuang)展(zhan)科技創(chuang)新(xin)是AMCOM新公司(si)總批(pi)發商,其一般紅外光寬帶(dai)網產(chan)品例如(ru)微波射頻硫(liu)化鋅(xin)管、MMIC額定工作效(xiao)率(lv)變(bian)大(da)(da)器、混(hun)合著(zhu)變(bian)大(da)(da)器摸塊、寬帶(dai)網絡變(bian)大(da)(da)器、高額定工作效(xiao)率(lv)變(bian)大(da)(da)器摸塊、帶(dai)RF和DC對接器(qi)的(de)高耗油率(lv)拖動器(qi)版(ban)塊和低噪(zao)音污染拖動器(qi),耗油率(lv)拖動器(qi),控制開關,衰減器(qi),移相器(qi)和上/下面定頻器(qi)的(de)來樣加(jia)工。