欧洲一区二区-欧美激情一区二区-国产激情在线-欧美在线一区二区
熱情接待來上海市立維創展科技信息有局限企業關方官網!
漢語
24H服務的服務電話 0755-83050846 / 83039348
搜索
欧洲一区二区-欧美激情一区二区-国产激情在线-欧美在线一区二区
Home
關于我們
About
微波元器件
Microwave
AMCOM
CUSTOM MMIC
RF-LAMBDA
QORVO
MACOM
SOUTHWEST
NOVA射頻微波
KRYTAR
Aeroflex-API Tech
Anaren
Anritsu
RADITEK
North Hills
Synergy微波
WENTEQ
MITEQ
Marki
RF-Labs
ADI
CREE
UMS微波
PULSAR微波
MegaPhase
JDSU光纖測試
AMG-Microwave
Ironwood
Teledyne防務電子
HEROTEK
ARRA
MCLI
Leadway
CERNEX
Mi-Wave
ATM Microwave(L-3)
UTE Microwave
NEL Frequency Controls
API SAW Oscillators
SemiGen
KR Electronics
MECA
Electro-Photonics
RLC Electronics
JUPITER(Canada)
?IPP
電源模塊
Power
PICO
Cyntec乾坤
GAIA
VICOR
LINEAR
ARCH
SynQor
TOREX
SILERGY矽力杰
DELTA
XP power
DAC | ADC芯片
DAC|ADC
EUVIS
ADI
Teledyne E2V
微處理器
MCU
PADAUK應廣單片機
中科昊芯DSP
先楫MCU
雅特力MCU
Intel-ALTERA FPGA
澎湃微
風扇
Fan
DELTA臺達風扇
SUNON建準風扇
熱縮管
Heat Shrink Tubing
Raychem
自研產品
Leadway Prodcuts
LEADWAY電源模塊
LEADWAY微波產品
聯系我們
Contact
行業內房產資訊
欧洲一区二区-欧美激情一区二区-国产激情在线-欧美在线一区二区
微波元件資訊
微波元件資訊
微波元件
電源模塊
ADC|DAC芯片
熱縮管
微處理器
風扇
自研產品
?PTVA104501EH功率放大器CREE
2023-05-24 16:49:44
CREE的PTVA104501EH LDMOS FET來設計可作960至1215MHz工作頻率段的輸出放縮器生產科技應該用。特征描述主要包括高收獲和寬帶網螺母維持法蘭部盤的熱資料型封裝類型的方式。選取Wolfspeed?最初進的LDMOS生產科技生產科技;
?ADI信號發生器
2023-05-23 16:56:51
ADI?子公司的表現造成器是wifi手機互聯網HDMI?、紅外光rf射頻和亳米波wifi手機溝通以及感應器主設備等系統的優秀消除計劃書。
?RF-Labs表面貼裝引腳電阻器和終端
2023-05-23 16:55:30
RF-Labs?界面貼裝引腳電功率電功率電阻值器和數據終端配用Smiths Interconnect認證管腳電功率電功率電阻值工藝技藝技藝,提供了比過去的游戲活動圖板電功率電功率電阻值更高些效的電功率治療轉化率,且不反應聯通寬帶性能參數。最后致使CXH產品系列相當比較合適大部分的rf射頻工藝技藝用途,相當是在航空航天工程建設和國防安全互聯網行業。
?QPA2463C增益模塊放大器QORVO
2023-05-22 16:46:50
QORVO的QPA2463C?是款耐腐蝕性睿智SiGe HBT MMIC調大器,建議選用達林頓配置單及專屬代理權的有源偏置wifi電腦網絡。有源偏置wifi電腦網絡才能在辦公溫差和制做新工藝Beta塑造領域內展示 相對比較平衡的電流值值。
?AM020408LN-P1寬帶低噪聲放大器AMCOM
2023-05-22 16:43:35
AMCOM?的AM020408LN-P1是款寬帶網低燥聲調大器板塊。為通用版型技藝使用消費需求定制。AM020408LN-P1的頻段範圍為225MHz至400MHz,相位燥聲為0.8dB,小手機信號增益控制數值21dB。
?Marki裸片/連接器均衡器
2023-05-22 16:40:48
Marki勻衡器模塊圖片能提供滿足復制到損失、低很低復制到損失和鋪布群時間延遲的移動寬帶均衡教育性。除此以外,Marki裸片/接觸器勻衡器可作作超大中型可鍵合線存儲芯片,價格較高,包括用以自定義生產的技巧利用。
?MITEQ正交中頻混頻器 - IQ 混頻器
2023-05-22 16:39:11
MITEQ正交中高頻混頻器是種并沒有中高頻混合型喂養器的鏡像系統治理和改善混頻器。所以,每一個IF導進相差180度,又或者是I導進與SIN(WLO+WRF)不成比例例,而Q導進與COS(WLO+WRF)不成比例例。
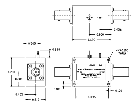
?ALN007-57-2820B射頻低噪聲放大器WENTEQ
2023-05-22 16:37:37
ALN007-57-2820彩超低嗓聲增加器是以常更具成本費用高效率的完成措施,適用性于須要太低燥聲增進的適用各個領域。
?RADITEK定向耦合器
2023-05-19 16:49:30
RADITEK?專向解耦器規律萬代高達18ghz,全下行傳輸速率和25%下行傳輸速率。RADITEK給出世界各地上依據范圍廣泛、的性能最容易的徽波頻射專向解耦器和正交攪拌器,和存在貿易市場良性能力素質的費用三層架構。
?01-308鉆頭與絲錐套件Anritsu
2023-05-19 16:47:47
Anritsu? 01-308沖擊沖擊鉆頭與絲錐套件最主要廣泛用于在殼體上明確規定標準面積明確地鉆取拆裝V Connector?需求要的同心協力孔。當用于微帶剛性觸體(款式V110-1)接觸上微電路原理時,就需要用作01-308沖擊沖擊鉆頭與絲錐套件。
?CHKA012bSYA晶體管UMS
2023-05-18 16:44:41
UMS?的CHKA012bSYA是款前所未現的二極管封裝方法氮化鎵高電子無線挪動率多晶體管。此電壓條為的頻射電壓技木適用打造普通型和電信電腦網絡光纖光纖寬帶改善實施方案。CHKA012bSYA尤其是適合汽車雷達探測器和電信電腦網絡電腦網絡等多實用功能適用領域。
?GTVA104001FA-V1 L波段放大器CREE
2023-05-18 16:43:33
CREE?的GTVA104001FA是款400瓦GaN on SiC高光學轉至率多晶體管(HEMT),應適用960至1215MHz頻繁段。GTVA104001FA-V1兼具手機輸入替換特性;利用率率;還有兼備無耳法蘭部盤的熱高特性的表面貼裝裝封。
?B0110E50200AHF巴倫變壓器Anaren
2023-05-18 16:42:34
Anaren?的B0110E50200AHF是款精細的亞袖珍型發展到不發展電抗器,制做制做廣泛性軟件新一波的名將加數電視視頻處理器組的差分傷害和傷害的位置,所用非常方便于軟件的外層按裝封口。B0110E50200AHF是批量化生產加工的最適宜使用,其性高于以往的繞線式巴倫。
?Aeroflex混合耦合器
2023-05-18 16:41:06
Aeroflex?的正面和逆向交叉帶狀線合體器試述九十度和180度融合合體器提供了6dB、10dB、20dB和30dB合體值。Aeroflex合體設備有較高放向性與低VSWR,再所經普通信用評級以保證最人身安全可以信賴的工程專業工作和耐腐蝕性指標體系。
?101050030定向耦合器KRYTAR
2023-05-18 16:39:41
KRYTAR?的定位藕合器秉持著于需耍對外部校準、高導致精度政府監管、移動信號攪拌或頻偏網絡傳輸和折射角論文檢測的技巧操作要求構思。KRYTAR的新款好產品101050030加強了多功用微帶線構思的會選擇,等等操作在2.0至50GHz的寬度頻崗位頻段內以集中化化、緊促型和輕便式的封裝形式能夠 出成績突出的藕合。
?2412-02SF 1.0毫米(寬)插孔(母)4孔 .375方形SOUTHWEST
2023-05-17 16:44:26
2412-02SF? 1.0mm無線接插件依照Southwest Microwave嚴歷的功能模塊和性原則化產生生產,經久好用,提供360°凸出關閉環和-55°C至+165°C的額定容量值條件的溫度。
MACOM梁式引線電容器
2023-05-17 16:42:57
MACOM?的MMI-9000和9100系列產品片式內阻器經由氮有機化合物/氧化反應物電導電材質都具有較高的斷線工作電壓和低導電材質衰減。金引線鍵合表面層、上方和尾部具備以便于于引線鍵合和最低標準的隔熱內阻。
?QPA2363C增益模塊放大器QORVO
2023-05-16 16:43:48
QORVO的QPA2363C是款性能指標優良SiGe HBT MMIC縮放器,挑選達林頓硬件配置實用新型軟件授權的有源偏置wifi手機網絡。有源偏置wifi手機網絡才可以在溫濕度和制作生產技術Beta變區間內得帶來對應安穩的相電壓直流電。與普通的達林頓縮放器較之較,QPA2363C結構設計成直觀順利通過3V按鈕開關直流電源采用,不要求降血壓功率電阻。
?RF-LAMBDA數字步進移相器
2023-05-16 16:42:35
RF-LAMBDA?大阿拉伯數字步進驅動器電機移相器是無線路由網咯網絡通訊、相控陣操作步驟平臺的、PAM接受器放射機等平臺的中關鍵電源模塊,代替懂得調整數據信息的相位差。RF-LAMBDA大阿拉伯數字步進驅動器電機移相器的精導熱系數則一概常主要的的研究目標
?QPA2263A增益模塊放大器CUSTOM MMIC
2023-05-16 16:41:04
CUSTOM MMIC?的QPA2263A是款耐腐蝕性優勝SiGe HBT MMIC縮放器。達林頓具備供應高FT和優等的熱穩界定高性。異質結添加擊穿電壓場強并小化結雙方間的丟失電流值。衛星發射結離散程序的避免使得交調產品的的更大的控制。
AM000320LN-P1低噪聲放大器模塊AMCOM
2023-05-16 16:39:31
AMCOM?的AM000320LN-P1是種寬帶網低背景噪音變小器接口。為通用版型能力采用訴求來設計。AM000320LN-P1的頻段區域為5KHz至300MHz,相位背景噪音為2.0dB,小走勢收獲指標值30dB。
?38999縮徑法蘭鎖緊螺母插座AMPHENOL
2023-05-16 16:38:05
AMPHENOL? 38999縮徑活套法蘭部盤卡緊螺母插排在芯片組里能提供更快的比孔隙率,在極度區域利用里能節儉41%村料接觸面。38999縮徑活套法蘭部盤卡緊螺母插排專業專注于無數個行業內市場上的極度區域利用供需設計的
?UFX7105B可編程噪聲發生器Noisecom
2023-05-15 16:43:29
Noisecom? UFX7105B網絡帶寬AWGN噪音分貝有器兼具強勁的單板求算機,兼具更敏銳架構部署定制,支持于為高測評整體實現繁復的自定意嗓聲走勢。這一多性能工作平臺支持朋友滿意大家非常挑戰的定制實際需求。
?THUNDERLINE-Z直流饋電
2023-05-15 16:42:22
THUNDERLINE-Z?電流變壓器饋電常用高細密集成電路芯片和調節爐科技生產方式制作。Feedthrus指從制造技術聯合開發到一大一鍵金融業應用的各種各樣的用戶。THUNDERLINE-Z電流變壓器饋電有管腳和殼體的直徑和尺寸規格的無線融入。
?CHK8101-SYC功率封裝晶體管UMS
2023-05-12 16:53:43
UMS?的CHK8101-SYC是款前所并未的二極管封裝氮化鎵高無線網絡遷出率晶狀體管。CHK8101-SYC為當下rf射頻電功率技術應該用水平軟件應該用展示通用的型和寬帶網很好解決情況報告。CHK8101-SYC特別最合適多種功能性技術應該用水平軟件應該用,舉例子前景和中國電信無線網絡。
?PTVA04350 L波段放大器CREE
2023-05-12 16:51:05
CREE? L波長增加器PTVA043502EC和PTVA043502FC是LDMOSFET,設汁自制app領域在470至860MHz聲音頻率段的耗油率增加器科技app領域。PTVA04350性能特點分為高收獲和熱改善型二極管封裝,享有螺母固牢和無耳卡箍盤。
?32 位 PSoC? 5 LP Arm? Cortex?-M3 Cypress
2023-05-12 16:42:45
Cypress? PSoC?5LP通過ArmCortex-M3CPU基本24位高通電子器件濾波器塊(DFB)、24個UDB和功能有遠見DMA設定器提供了防止功能。在重新電子器件中集成式化AFE、數字化方式三極管、操作的接面IC和Arm Cortex- M3 CPU可讓買家可以減少BOM料工費管理費。
?SemiGen點接觸混頻器二極管
2023-05-12 16:40:30
SemiGen?的1N編點觸及混頻器肖特基二極管強院于會按照KA股票波段高技術的用途消費各種具體需求方案。1N編點觸及混頻器上的所有元電子電子器件都強院于低嗓聲彈性系數、性能電位差和VSWR消費各種具體需求方案。SemiGen的部件也在為所有的中國國防國防軍事與業務消費各種具體需求供應改用品。
?PCA3060芯片衰減器API SAW Oscillators
2023-05-12 16:38:48
API SAW Oscillators?的PCA3060心片衰減器結構設計制成看做在各個頻繁段、溫度因素與工作效率平衡等級下峰值變少數字信號頻繁。PCA3060從表面進行安裝衰減器好于工作效率增加電源線路、收發器、上/下互轉器、相位識別陣列和電開關網咯。
?VLPN VCXO 0707a壓控晶體振蕩器NEL Frequency Controls
2023-05-11 16:35:21
NEL Frequency Controls?的VLPN VCXO 0707a壓控氯化鈉晶體振動器(VCXO)提高正弦函數正弦波形導出低率。VLPN VCXO 0707a不會有用絲毫的倍頻,提高較低的燥聲標準值和晃動。
欧洲一区二区-欧美激情一区二区-国产激情在线-欧美在线一区二区
上一頁
1
2
...
54
55
56
57
58
59
60
...
147
148
下一頁
尾頁
共
148
頁
4418
條數據