?2318窄帶帶通濾波器:KR Electronics高頻信號處理解決方案
2025-08-12 16:50:11
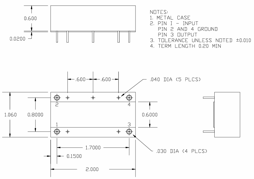
2318 是 KR Electronics 上線的高效果窄帶帶通濾波器,專為高頻數字信號加工設計的,通過精密機械 LC 諧振用電線路成分,應具咨詢重點幀率精準扶貧、通帶衰大幅度降低、阻帶阻止強等特質,幀率依據 3 kHz - 10 kHz(3 dB 通帶),咨詢重點幀率 6.5 kHz,通傳輸速率度 7 kHz,加入損耗費≤1.5 dB,阻帶阻止≥32 dB,端口設置電位差規范標準 10 kΩ且可制作