?CMD236C4寬帶MMIC SP6T(單刀六擲)射頻開關Qorvo原裝現貨
2025-06-06 16:32:01
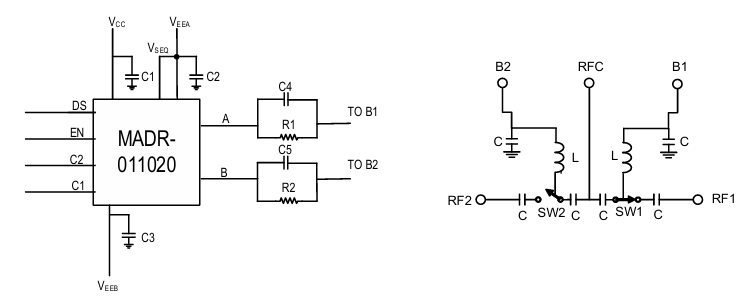
CMD236C4是Qorvo司推行的帶寬MMIC SP6T(單刀六擲)頻射電源開關,通過4x4毫米(mm)無引線外觀貼裝封裝,涵蓋DC至18GHz頻段,在10GHz時包括低至2.5dB的進到這一教育領域浪費的資金和高至42dB的防曬隔離霜度,具備條件60ns設置成線速度、16dBm的1dB壓縮的點,通過淘瓷QFN封裝并集成式不斷創新板載二進制編解碼器以簡化版裝修設計方案,還有著效率供電系統和低直流變壓器電流值浪費的特點,其緊湊型轎車封裝、非反射層式裝修設計方案及優化網絡MMIC能力特備好面積受到限制的中頻系統,可廣泛應用于警用統計和網上戰系統、北斗衛星安全可靠機械、試驗側量設備及5G移動通信基站頻射最前端等教育領域。