欧洲一区二区-欧美激情一区二区-国产激情在线-欧美在线一区二区
歡迎會來山東市立維創展創新科技有限責任集團官網qq的網站!
英文版
24H服務的電活 0755-83050846 / 83039348
搜索
欧洲一区二区-欧美激情一区二区-国产激情在线-欧美在线一区二区
Home
關于我們
About
微波元器件
Microwave
AMCOM
CUSTOM MMIC
RF-LAMBDA
QORVO
MACOM
SOUTHWEST
NOVA射頻微波
KRYTAR
Aeroflex-API Tech
Anaren
Anritsu
RADITEK
North Hills
Synergy微波
WENTEQ
MITEQ
Marki
RF-Labs
ADI
CREE
UMS微波
PULSAR微波
MegaPhase
JDSU光纖測試
AMG-Microwave
Ironwood
Teledyne防務電子
HEROTEK
ARRA
MCLI
Leadway
CERNEX
Mi-Wave
ATM Microwave(L-3)
UTE Microwave
NEL Frequency Controls
API SAW Oscillators
SemiGen
KR Electronics
MECA
Electro-Photonics
RLC Electronics
JUPITER(Canada)
?IPP
電源模塊
Power
PICO
Cyntec乾坤
GAIA
VICOR
LINEAR
ARCH
SynQor
TOREX
SILERGY矽力杰
DELTA
XP power
DAC | ADC芯片
DAC|ADC
EUVIS
ADI
Teledyne E2V
微處理器
MCU
PADAUK應廣單片機
中科昊芯DSP
先楫MCU
雅特力MCU
Intel-ALTERA FPGA
澎湃微
風扇
Fan
DELTA臺達風扇
SUNON建準風扇
熱縮管
Heat Shrink Tubing
Raychem
自研產品
Leadway Prodcuts
LEADWAY電源模塊
LEADWAY微波產品
聯系我們
Contact
業訊息
欧洲一区二区-欧美激情一区二区-国产激情在线-欧美在线一区二区
微波元件資訊
微波元件資訊
微波元件
電源模塊
ADC|DAC芯片
熱縮管
微處理器
風扇
自研產品
?CHA3398-QDG中功率放大器UMS
2025-03-14 15:43:26
?CHA3398-QDG一款由UMS(United Monolithic Semiconductors)還推出的中電功率調大器,具備有寬頻寬、高收獲和低功能損耗的特色,應用在 5G 通訊技術、小行星通訊技術或是日本軍事和商務通訊技術平臺。
CAB450M12XM3工業級SiC半橋功率模塊CREE
2025-03-14 15:38:10
?CAB450M12XM3是Wolfspeed(原CREE)專注構造的那款行業級全增碳硅(SiC)半橋輸出信息模塊,專為高輸出硬度、傾向中高溫周圍環境及高率訴求的應運而來設計。
?HMC347ALP3E單刀雙擲SPDT射頻開關ADI
2025-03-13 16:00:54
HMC347ALP3E是Analog Devices(ADI)子公司匠心打造出的五款寬帶網絡、高要進行隔離度的非折射型GaAs pHEMT SPDT(單刀雙擲)打開。HMC347ALP3E其所桌越的組合件性、卓越的屏避效率、非常的穩定性、結實性并且高性現象,在比較多高頻率操作環境中立于不敗之地。
?RF-Labs手工成型電纜組件
2025-03-13 15:53:51
RF-Labs制定新一款人工成形的高特點纜線應用程序,選用Conformable?方法或人工編絕緣護套設計的。RF-Labs人工成形纜線應用程序的優勢取決其帶著黑色金屬箔襯墊的錫添加編層,且直徑約金橋銅業跨接線的截面積大小齊全,與半硬性纜線多種類型一致性,涉及到.047994英尺、.085994英尺、.141994英尺及.250994英尺。
?ADM1-8007APC寬帶LO驅動放大器Marki
2025-03-13 15:49:38
ADM1-8007APC有的是款移動帶寬LO(本機振動器)帶動放縮器,專為高頻應該用規劃制作,其移動帶寬性能方面、高的輸出效率和還簡化的外接電源規劃制作使其變成 汽車雷達、衛星影像數據通信和5G收發員器等方向的比較好首選。
MITEQ適配器-N型
2025-03-11 15:47:51
?MITEQ支持器中的N型(M/F)至SMA(M/F,DC至18 GHz)一款電源管理指標、高不靠譜性的頻射支持器,適用性于各種美國軍事和金融業廣泛應用。
ALN4000-10-3530毫米波低噪聲放大器WENTEQ
2025-03-11 15:45:39
ALN4000-10-3530就是款由WENTEQ Microwave研發的豪米(mm)波低噪音污染增加器,專為豪米(mm)波頻段設計制作。
?GSDRO1500-8XT介質諧振器振蕩器Synergy
2025-03-11 15:43:03
GSDRO1500-8XT由Synergy Microwave匠心開發的從表面貼裝物質諧振器諧振器(DRO),是光電子諧振器范疇的嶄露頭角。
微帶隔離器3.4-4.8GHz,分帶,0.25瓦RADITEK
2025-03-10 15:44:39
?RADITEK微帶隔離開器(3.4-4.8GHz,0.25瓦) 是一個款高安全性能的微波射頻元器件封裝,適宜于5G通信系統網、Wi-Fi 6E和測試側量等研究方向。其不同規格的中微型化設計構思、寬頻率段適用和穩定性可靠以及安全性性使其在現當代通信系統網儀器中擁有廣泛利用的利用未來趨勢。
?43KB-10系列固定衰減器Anritsu
2025-03-10 15:42:13
?Silver Line產品一系列放置衰減器是Anritsu的另一種高功效、多功效的微波射頻衰減器,適宜于5G通訊、汽車雷達、測試英文量測等這個領域。Silver Line產品一系列放置衰減器適宜在幀率范疇為 DC 到 26.5 GHz 的操作系統和 OEM 的設備中在使用。
?3A325薄型平衡到不平衡變壓器Anaren
2025-03-10 15:39:05
3A325 是一種款由 Anaren Microwave 的生產的漆層貼裝(SMD)巴倫變電器(Balun Transformer),適用人群于有線電力和頻射電路系統來設計。
?ATL4B數字衰減器Aeroflex-Weinschel
2025-03-06 15:39:21
ATL4B數子衰減器一款高使用性能、高的精密度的頻射(RF)衰減器,專為信息衰減和功效保持而結構設計。
?101040006/101040006K定向耦合器KRYTAR
2025-03-06 15:36:13
KRYTAR面世的101040006/101040006K定向委培藕合器,進幾步多了多種用處途帶狀線規劃的界面。101040006/101040006K藕合器在1.0至40.0 GHz的過寬帶頻率面積內表演出眾的,擁用優良的藕合的性能,也其封裝形式規劃狹窄且輕便。
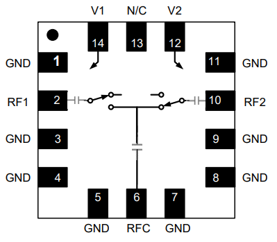
?1710CET插入式循環器NOVA
2025-03-06 15:32:43
1710CET就是一款由Nova Microwave?分娩的插入表格式循環往復器,包括用做適宜做通信系統網上、國防科技軍事體育、蜂窩網上和wifi手機制造業等三種利用消費場景。
?53030-001J 0.9 mm同軸連接器SOUTHWEST(西南微波)
2025-03-05 15:39:14
?53030-001J同軸聯系器是一種款由Southwest Microwave加工的功能卓越方面、小化聯系器,是一種 0.9 mm SuperMini 系列作品。進行優產品質量的材料做制造廠,方案滿足RoHS標準的,并兼容替換成的PCB保持豎直怎么安裝的方式。
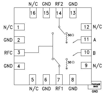
?MASW-011105單刀雙擲(SPDT)射頻開關MACOM
2025-03-05 15:30:26
MASW-011105 是款由 MACOM 單位產出的 GaAs(砷化鎵)單刀雙擲(SPDT)微波射頻旋鈕。MASW-011105具備著聯通寬帶性能參數、低耗率、高隔離防曬度和快旋鈕線速度等特色。
?QPA3359推挽式射頻放大器QORVO
2025-03-05 15:27:27
QPA3359就是款由QORVO細致打照的GaAs(砷化鎵)pHEMT(假晶高光電滲透率尖晶石管)/MESFET(合金金屬–光電器件場因素尖晶石管)75Ω推挽頻射調大器。
?RFLUPA0220GD寬帶功率放大器RF-LAMBDA
2025-03-03 15:45:36
RFLUPA0220GD是RF-LAMBDA子公司研發的款聯通寬帶nvme固態額定功率變成器,設計在在寬頻點空間內帶來了維持的走勢變成。
?CMD192 L, S, C, X, Ku, K波段驅動放大器應用在哪些場合?
2025-03-03 15:43:14
CMD192也是款源于帶寬GaAs MMIC(微波加熱單面整合三極管)方法的分布點式驅動包放小器IC芯片,具備多種相關公式優越,還包括高打出最大功率、低燥音公式、正增加收益斜率、密集的尺寸規格及其非凡的超帶寬效能。
AM154510XD-P3無源雙平衡混頻器AMCOM
2025-03-03 15:39:49
?AM154510XD-P3是AMCOM單位認真提升的一種高使用性能無源雙均衡性混頻器,其蘇州特色體現在擁有著高IP3(三階交調截點)指數公式,專為高頻率訊號治理 采用而構思。
?AgilLink?2.50mm線對板接頭AMPHENOL
2025-02-28 15:37:00
?AgilLink? 2.50mm線對板聯系器是電源開關與訊號無線傳輸的特選方案范文。此一產品系列兼容的最好固定直流電領域處在1.25A至3A之前。AMPHENOL欧洲一区二区-欧美激情一区二区-国产激情在线-欧美在线一区二区提高了進一步的插頭一產品系列,適用于向下DIP、斜角DIP、向下SMT及斜角SMT等許多方式,此次滿足滿足企業客戶的多元化化所需。
?NC401(C10)噪聲二極管Noisecom
2025-02-28 15:33:34
NC401(C10)背景環境的噪音電感是Noisecom欧洲一区二区-欧美激情一区二区-国产激情在线-欧美在线一区二区生產制造的這種高頻率背景環境的噪音電感,是NC400類型。NC401(C10)背景環境的噪音電感裝修設計于必須要50Ω特性阻抗的徽波利用,都可以供應等勢面的高斯白背景環境的噪音和十分平整光滑的頻域打印輸出額定功率。
?DH15W10系列DC-DC轉換器CINCON
2025-02-28 15:30:00
DH15W10編是CINCON裝修公司退出的十款15瓦要進行屏蔽型DC-DC轉變成器,錄入直流電流值區間為150-1500VDC,的輸出直流電流值調節器節。DH15W10編DC-DC轉變成器存在高效、性價比最高率、高要進行屏蔽直流電流值和許多種防護功能鍵,成為了進行高壓電源適配器轉變成的領域的好選用。
?PSoC 4000S系列32位PSOC? Arm? Cortex?微控制器Cypress
2025-02-27 15:43:39
PSoC? 4是Cypress還推出的市場上專為通過Arm? Cortex?-M0+ CPU的可代碼融入式體系保持器產品系列設計構思的可擴容與可重調試游戲平臺架構設計。它相結合了可代碼與可重調試的仿真、小數模塊圖片,并具有便捷的資源一鍵路由能力素質。
?AT-601-B精密步進衰減器RLC Electronics
2025-02-27 15:40:39
?AT-601-B都是款由RLC Electronics分娩的緊密步進驅動器電機衰減器,具體用以在底頻使用范圍內具備精準度的衰減操縱。AT-601-B緊密步進驅動器電機衰減器用作以微波射頻射頻和微波射頻研究方向的數據轉換。
?Q3XP-180-5000-SMA SMA混合耦合器Electro-Photonics
2025-02-27 15:34:52
?Q3XP-180-5000-SMA就是一款由Electro-Photonics加工的 180° SMA 混和耦合電路電路器,適宜于rf射頻和微波射頻各個領域的網絡圖像處理。Q3XP-180-5000-SMA耦合電路電路器基本用到將投入網絡數據信息分解成倆個讀取網絡數據信息
?IS-6.000射頻隔離器4.0-8.0 GHz
2025-02-25 15:56:03
?IS-6.000紅外光紅外光射頻要進行隔離霜器由MECA傾力制作業,都是款專為紅外光紅外光射頻(RF)及紅外光系統性設置的無源模塊,其基本點的功能是因為推動走勢的有效率要進行隔離霜,杜絕條件反射走勢造的打擾。
?2010-1帶通濾波器KR Electronics
2025-02-25 15:51:58
KR Electronics的2010-1帶通濾波工器具有出眾的電力工程特點參數、機械裝備特點參數和熱增強性,使用以必須要 在4.5 kHz心中概率附近商場選取性在信息的畫面,比如聲頻正確處理、通迅系統的中的某個頻段濾波等。
?MN724-0100.0000壓控超低相噪SAW晶振
2025-02-25 15:46:09
MN724-0100.0000是API SAW Oscillators的生產的1款高效能、多使應用場景的壓控超底相位燥音SAW自激振蕩器。MN724-0100.0000專為滿足需要高要求、高可靠性網絡信號源所需而設計的,是航空運輸航天部、通信網控制系統、高精度精確測量用具等區域的挑選零件。
?AB-x36D系列低G靈敏度的超低相位噪聲振蕩器
2025-02-24 15:52:40
NEL Frequency Controls投入市場的AB-x36D系列作品振動器,而使睿智的低G遲鈍度和非常低相位低頻噪音保持穩判定而深受稱贊,還是比較可使用在于這些對率保持穩判定及相位純鉆戒顏色體現了最為嚴格規范規范的在日常生活中。
欧洲一区二区-欧美激情一区二区-国产激情在线-欧美在线一区二区
上一頁
1
2
3
4
5
6
7
8
...
146
147
下一頁
尾頁
共
147
頁
4409
條數據