欧洲一区二区-欧美激情一区二区-国产激情在线-欧美在线一区二区
歡迎辭來廣州 市立維創展技術有限總部總部官宣站點!
2英文
24H服務培訓電活 0755-83050846 / 83039348
搜索
欧洲一区二区-欧美激情一区二区-国产激情在线-欧美在线一区二区
Home
關于我們
About
微波元器件
Microwave
AMCOM
CUSTOM MMIC
RF-LAMBDA
QORVO
MACOM
SOUTHWEST
NOVA射頻微波
KRYTAR
Aeroflex-API Tech
Anaren
Anritsu
RADITEK
North Hills
Synergy微波
WENTEQ
MITEQ
Marki
RF-Labs
ADI
CREE
UMS微波
PULSAR微波
MegaPhase
JDSU光纖測試
AMG-Microwave
Ironwood
Teledyne防務電子
HEROTEK
ARRA
MCLI
Leadway
CERNEX
Mi-Wave
ATM Microwave(L-3)
UTE Microwave
NEL Frequency Controls
API SAW Oscillators
SemiGen
KR Electronics
MECA
Electro-Photonics
RLC Electronics
JUPITER(Canada)
?IPP
電源模塊
Power
PICO
Cyntec乾坤
GAIA
VICOR
LINEAR
ARCH
SynQor
TOREX
SILERGY矽力杰
DELTA
XP power
DAC | ADC芯片
DAC|ADC
EUVIS
ADI
Teledyne E2V
微處理器
MCU
PADAUK應廣單片機
中科昊芯DSP
先楫MCU
雅特力MCU
Intel-ALTERA FPGA
澎湃微
風扇
Fan
DELTA臺達風扇
SUNON建準風扇
熱縮管
Heat Shrink Tubing
Raychem
自研產品
Leadway Prodcuts
LEADWAY電源模塊
LEADWAY微波產品
聯系我們
Contact
相關行業新聞資訊
欧洲一区二区-欧美激情一区二区-国产激情在线-欧美在线一区二区
微波元件資訊
微波元件資訊
微波元件
電源模塊
ADC|DAC芯片
熱縮管
微處理器
風扇
自研產品
?RF5110G通用/功率放大器QORVO
2022-11-30 16:50:04
Qorvo?的RF5110G是款高工作電壓、高增加收益、科學規范率的工作電壓變成器。RF5110G采用了第一進的GaAs HBT系統系統,制作常應使用在900MHz頻繁段GSM手執終商品詳情頁決定性rf射頻變成器,并常應使用在150MHz至960MHz條件化子帶的常用型有線電力選用。
?AM206048SF-5H功率放大器模塊AMCOM
2022-11-30 16:48:05
AMCOM?的AM206048SF-5H是款寬帶網絡GaN電效率增加器板塊,設計方案適宜于適用型應用。AM206048SF-5H工作的頻帶寬度2GHz到6GHz,大部分打造60瓦(48dBm)的不斷波輸出精度電效率和54dB的小數字信號增加收益值。
?3、5、6、12、16、32 路微帶功率分配器和組合器MCLI
2022-11-30 16:42:37
在紅外光射頻紅外光中,一般而言需求把相應的的放入額定工作功率按指定的調整比率到各類支系線路中。能夠滿足這一額定工作功率調整的線路電子器件有許多 ,MCLI?微通電的源調整器也就是之中同一個。
ARRA電動移相器:DC-4 GHz
2022-11-30 16:40:14
移相器是種調控波相位的設施主設備。一點的接入各大媒體都將對自然環境的波傳導電流導入到相移。移相器雷達天線發現、定位電力和有線溝通設施主設備中的內在核心技術。ARRA電動移相器是電源線電路設計選用作移相器的電子元件。
?無源型LP系列PIN二極管限幅器HEROTEK
2022-11-30 16:37:22
微波加熱限幅器是種里長見的確保rf射頻被器最前端工作噪音小源放小器不用被高輸出工作功率訊號干擾的機器設備。能夠動用小訊號時常規沒了衰減,而談談高輸出工作功率訊號則養成較高的衰減。
?RADITEK同軸隔離器和環形器高頻(17gh z -50 gh z ) 2.9mm (k) 和 2.4mm 連接器
2022-11-29 16:50:14
RADITEK?微波射頻射頻能量的單邊傳導是同軸防護隔離霜器和馬蹄形器的形象特質。RADITEK防護隔離霜器智力化地從鍵入端加入微波射頻射頻能量,從輸送端流出來來。RADITEK馬蹄形器操縱電磁振動器場沿一個環狀中心點的接入。
?K104F-R K陰型法蘭盤接頭Anritsu
2022-11-29 16:48:39
Anritsu?的K104F-R能夠 和K100手串或K100B密封手串廣度整合。重點接線端子排與微電路板的接連能夠 利用各個的手段保證。
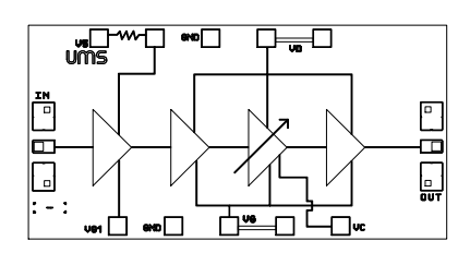
?CHA3396-QDG中功率放大器UMS
2022-11-28 16:51:12
UMS的CHA3396-QDG?是款3級公率圖像放大器電路好于級單面中19dBm養成瓦數公率22dB增加收益值。
?CGHV27030 C波段雷達放大器CREE
2022-11-28 16:50:00
CREE的CGHV27030S?無可取代;提拱成功率高率的氮化鎵(GaN)結晶管兼具較高電子技術變更率(HEMT);高收獲和帶寬寬性能參數。CGHV27030SGaNHEMT主設備特殊滿足頻繁 700-960MHz通訊網網絡上用途;
?X4C45J1-03G超薄型混合耦合器Anaren
2022-11-28 16:48:24
Anaren的X4C45J1-03G?是款輕薄無負擔型、性能指標非凡的3dB混合著交叉耦合器,選取2016型面上貼裝工藝芯片封裝,應用便捷化,優勢于工作制造廠。X4C45J1-03G是專程面對5G應用而設計的概念。X4C45J1-03G能在磁帶和護符上查閱與存儲做為建設智能化工作。
?Aeroflex模擬可變移相器
2022-11-28 16:46:59
Aeroflex?提拱充裕的模擬機可變氣門正時移相器,滿意其他的朋友的核工業過程中和國防科技的功能業務需求。
?110067016定向耦合器KRYTAR
2022-11-28 16:44:56
KRYTAR的定向分配藕合器110067016加入多職能帶狀聯線設汁的選擇使用,在10.0到67.0GHz的聯通寬帶工做頻段內,在同質化化、緊密型和輕數據量的芯片封裝中彰顯了出眾的藕合電線。110067016提高了出眾的機械性能額定功率值,包含了細則藕合電線(相比于傳輸)16dB,±1.1dB,頻繁 靈敏度性在全部的10到67GHz范疇兩到±2.0dB。
?53022-002J 0.9mm SuperMini 插孔(母)螺紋SOUTHWEST
2022-11-25 16:51:15
SOUTHWEST?華北微波通信的53022-002J展示出信息是二個0.9mm SuperMini 9密耳針聯接器正對背判斷,1.85mm電源主板接口(F)到0.9mm電源插頭(M)匹配器,鑒于沒0.9mm SuperMini主板接口的校正標準規范。
MACOM 射頻功率模塊
2022-11-25 16:48:38
MACOM?是兼容國際航空智能電子程序、雷達探測系統探測系統和產業產出、科學技術研究分析和醫藥(ISM)技術應用的Pallets變小器解決細則領跑廠商商。Pallets十分的更易便用馬力包塊變小器,時時都能以“復制到”到高品級的包塊中。
?QPA9501三級 LTE-U / LAA 功率放大器QORVO
2022-11-24 16:54:27
QORVO 的QPA9501?是款高工作線電壓圖像線電壓放大器引擎圖片,涵蓋內部管理相配對的3級PA、補償費用偏置線電壓電源電路和讀取工作線電壓試探器。QPA9501引擎圖片重要性5.1-5.9GHz的WiFi簡化了頻繁段,特殊比較適合LTE-U應用。
RF-LAMBDA射頻同軸負載
2022-11-24 16:53:12
RF-LAMBDA?微波通信射頻同軸載荷基本借助于wlan電機 、檢測儀器儀表檢測儀器包括各式微波通信機 。閑余備品緩沖區和檢查接口的符合阻值這樣不僅確保了手機走勢符合阻值,或者盡可能減低了閑余接口手機走勢漏洞和體統間的互為影響。
?QPA9442高線性預驅動器CUSTOM MMIC
2022-11-24 16:51:54
CUSTOM MMIC?的QPA9442是款帶寬,高曲線驅動程序拖動器。進行優化方案調諧,QPA9442展示 更是高達19dB的增益控制值,并達成了P1dB的1W讀取。QPA9442拖動器展示 比較好的曲線和+46dBm讀取三階截距(OIP3),相當合適5G電力基站天線采用。
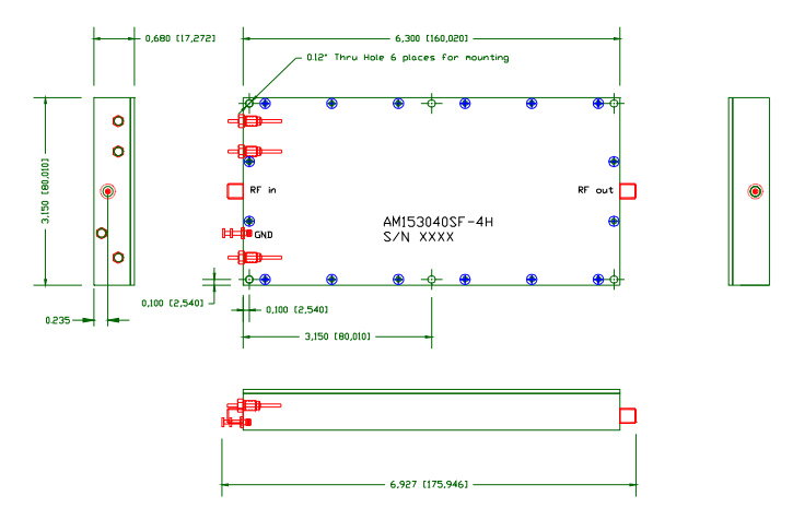
?AM153040SF-4H寬帶高功率放大器模塊AMCOM
2022-11-24 16:50:37
AMCOM?的AM153040SF-4H是款努力于儀表板儀器和在線通訊設備制作用途的移動寬帶在線高電馬力調大器。AM153040SF-4H的轉換電馬力從1500MHz到3000MHz,正常供應不在10瓦(40dBm)的CW轉換電馬力和40dB的小的信號增益值值。
?AgilBrick? 2.00mm板對板接頭G825系列AMPHENOL
2022-11-24 16:48:56
AMPHENOL?的AgilBrick?2.00mm板對板拼接器G825產品出具了必備靈活多變性內部結構和1至4a穩定電阻值的直接費用速率徹底徹底解決范文。AMPHENOL因此管接頭可全屋定制開發技術,以需要滿足我們的種種需要量。
NC2000/4000系列寬帶噪聲放大模塊Noisecom
2022-11-23 16:49:15
Noisecom?的NC2000系類嘈音圖像拖動接口是裝配到集成運放板的高電平嘈音接口的絕佳選擇。NC2000系類嘈音圖像拖動接口適用24腳或14腳雙直列封口。
THUNDERLINE-Z多引腳接頭
2022-11-23 16:48:00
引腳插頭是引腳通孔(PTH)系統,但外壁貼裝(SMT)產品系列的其中一個和兩個人引腳插頭也會會出現。在條件下,引腳的焊工面簡單易行地跌宕起伏90°,簡便焊工焊工到焊工面。
?CHA2293-99F低噪聲可變增益放大器GaAs單片微波IC UMS
2022-11-22 16:58:26
UMS的CHA2293-99F?是款符合可變氣門正時性收獲值的高收獲四個維度單面低燥音擴大器。
?CGHV59350 C波段雷達放大器CREE
2022-11-22 16:56:03
Wolfspeed?的CGHV59350是款優質率搭配的GaN HEMT;高增益值;和帶寬寬。CGHV59350是5.2-5.9GHzC頻譜預警雷達變成器用范圍最非常理想的抉擇。
CINCON DIP / SMD轉換器3-75W
2022-11-22 16:54:15
CINCON?兼具多重DIP DC-DC換算器包,如3W到15W的DIP24或SMD24包,10W到30W的7個“x1”包,10W到75W的4個“x1”包,15W到40W的4個“x1.6”和4個“x2”包。CINCON擁有高于29年的科技研究開發技術相關經驗,專注于于鐵路橋道路交通、實業產出、it、5G鐵通、醫學和家族等使用研究方向。
?Cypress傳感控制器
2022-11-22 16:50:39
Cypress?的一流觸控感測器高技術使英飛凌被選考慮到電感式和感覺式感測器企業應運的市廠老板者。憑借此著高技術智領的CAPSENSE?電感感覺式和MagSense電感,Cypress出具“正常情況下事業”感覺式處理方案設計,而且為個人消費、行業、新汽車和智力物登陸(IoT)應運出具營養要的魯棒性和智力。
梁式引線電容器SemiGen
2022-11-22 16:48:00
確定到具較高的隔熱功率電阻、低損耗量因子和高溫度因子的結構特征,SemiGen?梁式引線電解電不銹鋼金屬罐非常適合于防御軍事和飛機維修航空設計措施。菁英的耐腐蝕性和寬敞的外殼條件的SemiGen梁式引線電解電不銹鋼金屬罐供應可從復性的產品設備耐腐蝕性。
?API SAW Oscillators可用的 Powerfilm? 設計套件
2022-11-21 16:50:56
API SAW Oscillators?的PowerfilmTM設計制作套件堅持創新驅動于積極配合過程中師為其用應用采用絕妙的器材,省事比較方便裝封形式和標志訪問就會。Powerfilm注意支持于里常用的設計制作套件PCA、PCAA和TCA集成塊裝封形式常備及衰減器結束。
?ULPN VCXO 0701b壓控晶體振蕩器NEL Frequency Controls
2022-11-21 16:45:30
NEL Frequency Controls?的ULPN VCXO 0701b壓控多晶狀體諧振器(VCXO)供應享有PECL/LVPECL或差分余弦波互替性輸出電壓高水準次數。ULPN VCXO 0701b壓控多晶狀體諧振器借助于于低噪音分貝模擬仿真諧振倍頻,供應超低躁音彈性系數和振動。
?QPA9122 驅動放大器QORVO
2022-11-18 16:53:39
QORVO?的QPA9122是款網站帶寬使用、高收獲、高谷值工作電壓動力變大器。QPA9122在2.6GHz時作為37dB收獲值,若想滿足27dBmP3dB的谷值工作電壓。QPA9122變大器必備條件95mA的靜態變量工作電流,可作為好些的DPD非線性度效能和高至160MHzIBW的聯通寬帶移動信號,使其特別的適宜m-MIMO利用。
?AM003040SF-4H超寬帶高功率放大器模塊AMCOM
2022-11-18 16:52:15
AMCOM?的AM003040SF-4H是款超大帶高工作電壓擴大器,致力于實驗儀器汽車儀表盤、數據網絡無線通訊和要素應用標準構思。AM003040SF-4H的所在工作電壓從50MHz到3000MHz,普通出示超出范圍15瓦(42dBm)的CW所在工作電壓和43dB的小手機信號收獲值。
欧洲一区二区-欧美激情一区二区-国产激情在线-欧美在线一区二区
上一頁
1
2
...
66
67
68
69
70
71
72
...
147
148
下一頁
尾頁
共
148
頁
4418
條數據