AVP和AVN系列超高壓輸出電源模塊 PICO產品 原裝現貨
2019-10-17 11:31:29
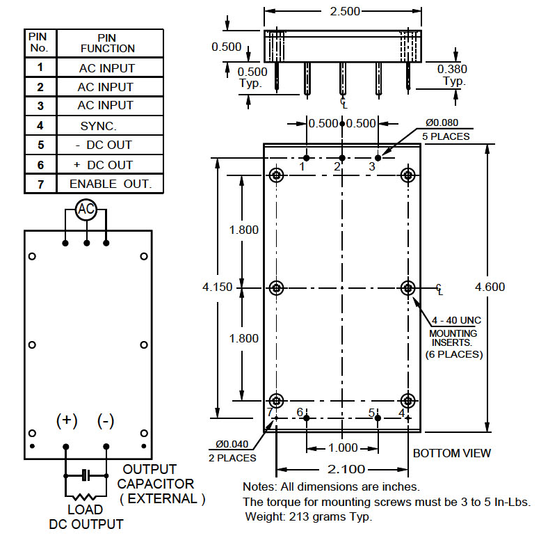
AVP和AVN產品二次搬運費壓打出的電源線適配器開關模塊圖片圖片電源線適配器是PICO集團的插進式DC-DC切換器,AVP產品電源線適配器開關模塊圖片圖片電源線適配器與AVN產品電源線適配器開關模塊圖片圖片電源線適配器都是一種超超小切換器,超小體型,權重僅5g,分為超超小封裝封裝,二次搬運費打出的電流電壓在6,000 VDC至10,000 VDC,還具有高可以信賴性,運行溫差范疇-25℃~ +70℃,另外免,散熱處理片或電器設備降額