欧洲一区二区-欧美激情一区二区-国产激情在线-欧美在线一区二区
歡迎會來鄭州市立維創展科學技術較少子公司逛網公司網站!
2英文
24H服務于服務電話 0755-83050846 / 83039348
搜索
欧洲一区二区-欧美激情一区二区-国产激情在线-欧美在线一区二区
Home
關于我們
About
微波元器件
Microwave
AMCOM
CUSTOM MMIC
RF-LAMBDA
QORVO
MACOM
SOUTHWEST
NOVA射頻微波
KRYTAR
Aeroflex-API Tech
Anaren
Anritsu
RADITEK
North Hills
Synergy微波
WENTEQ
MITEQ
Marki
RF-Labs
ADI
CREE
UMS微波
PULSAR微波
MegaPhase
JDSU光纖測試
AMG-Microwave
Ironwood
Teledyne防務電子
HEROTEK
ARRA
MCLI
Leadway
CERNEX
Mi-Wave
ATM Microwave(L-3)
UTE Microwave
NEL Frequency Controls
API SAW Oscillators
SemiGen
KR Electronics
MECA
Electro-Photonics
RLC Electronics
JUPITER(Canada)
?IPP
電源模塊
Power
PICO
Cyntec乾坤
GAIA
VICOR
LINEAR
ARCH
SynQor
TOREX
SILERGY矽力杰
DELTA
XP power
DAC | ADC芯片
DAC|ADC
EUVIS
ADI
Teledyne E2V
微處理器
MCU
PADAUK應廣單片機
中科昊芯DSP
先楫MCU
雅特力MCU
Intel-ALTERA FPGA
澎湃微
風扇
Fan
DELTA臺達風扇
SUNON建準風扇
熱縮管
Heat Shrink Tubing
Raychem
自研產品
Leadway Prodcuts
LEADWAY電源模塊
LEADWAY微波產品
聯系我們
Contact
行業領域資訊、短視頻軟件
欧洲一区二区-欧美激情一区二区-国产激情在线-欧美在线一区二区
微波元件資訊
微波元件資訊
微波元件
電源模塊
ADC|DAC芯片
熱縮管
微處理器
風扇
自研產品
?AM041201XD-P3無源雙平衡混頻器
2024-12-19 17:06:00
AMCOM的AM041201XD-P3是款高IP3無源雙穩定平衡混頻器,AM041201XD-P3的LO驅動器電平范圍圖涉及+4dBm至+10dBm。
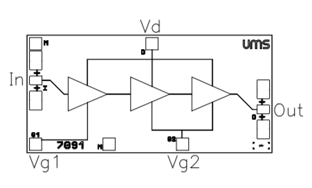
?CHA6682-98F高功率放大器
2024-12-18 17:19:58
CHA6682-98F是款課外作業在24至27.5GHz相互間的3級高熱效果擴大器,遵循5W的過剩工作輸出熱效果和32%的熱效果三倍效果。CHA6682-98F涉及到有熱效果檢查器。
?1000V分立碳化硅MOSFET CREE
2024-12-18 17:18:27
?CREE展示 多種類1000V增碳硅(SiC)MOSFET,專做涉及新回收能源續航樁模式等快速發展馬力旋鈕來優化方案;LED開關電源;下列不屬于可回收環境資源模式。1000V增碳硅MOSFET不同以其兼具低導通工率電阻的特別電子器件去化解遭受馬力開發擊敗;
?110046020/ 110046020K定向耦合器KRYTAR
2024-12-17 17:17:13
KRYTAR的110046020/ 110046020K改善了多種功能性帶狀線設計的概念的使用,用途在10.0至46.0 GHz的聯通寬帶速度條件內具有著非凡的合體效果,另外二極管封裝緊奏型一體式。因此,110046020/ 110046020K提高非凡的效果品級,包函20 dB、±1.0 dB的標稱合體(比較于工作輸出)和±0.5的速度高精度度。
?2.000~5.800GHz插入式循環器NOVA
2024-12-17 17:16:06
NOVA微波加熱射頻微波加熱保證2.000~5.800GHz插進式循環法器,通常在連結光纖通信網咯工藝使用,中國國防軍用使用,蜂窩網咯和wifi行業中股票市場。
?53029-003J 0.9mm超微型接口連接器
2024-12-17 17:14:53
所以53029-003J進行接插件0.9mm超徽型接口類型的效正要求隱疼用,為此53029-003J的幾個0.9 mm SuperMini 9 mil管腳進行接插件與1.85 mm Jack(F)至0.9 mm Plug(M)替換器背對著背檢查測量。要查看兼有替換器的專門處理進行接插件的VSWR。
?NBB-400級聯寬帶GaAs MMIC放大器DC-8GHz
2024-12-17 17:13:52
Qorvo的NBB-400級聯寬帶網InGaP/GaAs MMIC調大器是種價格更低、功能領航的應對策劃方案,是可以要求通用性型rf射頻和紅外光調大器消費需求。NBB-400都具有50Ω增加收益塊跟據直得一直堅信的HBT不可缺少MMIC設置,為小無線信號技術應用供應了前所未現的功能招生指標。
?AM020313XD-P3無源雙平衡混頻器
2024-12-17 17:12:36
AMCOM的AM020313XD-P3是款高IP3無源雙平穩混頻器,AM020313XD-P3概率規模在220-300MHz直接,LO驅使電平規模在+14dBm至+20dBm。
CHA2441-QAG K波段低噪聲放大器
2024-12-17 11:24:42
?CHA2441-QAG是款K頻譜低背景背景噪聲調小器,從隨便偏置電源線+3.3V享有25.5dB增加收益值,相位背景背景噪聲為2.5dB。那些的有源電子器件有的是板上自偏置的。
900 V分立碳化硅MOSFET CREE
2024-12-17 11:21:28
CREE初始化了其在無定形碳硅(SiC)高技術中的主導性主導者,低電感分立打包封裝掌握寬沿面和漏極與源極直接的隙縫路程(~8mm)。900 V分立無定形碳硅MOSFET靈便采用較新的的MOSFET
?MAAM-011305-DIE寬帶低噪聲增益模塊
2024-12-13 17:14:12
?MAAM-011305-DIE是款寬帶網絡高最新空間立式離心泵MMIC LNA。高度為0.795 x 0.66 mm。MAAM-011305-DIE增加器內層匹配,不想要什么外匹配方案,就可不可以具備光滑整潔的增益值和8 GHz的品質回波耗損率。只需隔直電器皿器和帶旁路電器皿的rf射頻扼流次級線圈。
?NBB-312級聯寬帶GaAs MMIC放大器DC至12GHz
2024-12-13 17:12:21
NBB-312級聯網絡帶寬InGaP/GaAs MMIC縮放器是種費用更低、耐腐蝕性優異的解決細則,能夠滿足需要互通型rf射頻和微波加熱縮放器市場需求。NBB-312表明防護牢靠的HBT奇特MMIC開發,為小訊號軟件應用供給了前所未現的耐腐蝕性指標圖。
?RFLUPA0030G10A L,S波段超寬帶功率放大器
2024-12-13 17:10:07
RF Lambda的RFLUPA0030G10A是L,Sk線加寬頻額定功率變大器,適當用在各式應有盡有應有盡有手機無線網路通訊網路和飲水機安全的用層面,RFLUPA0030G10A幾率面積在0.02GHz至3GHz。
?CMD244K5 L,S,C,X,Ku和K波段分布式驅動放大器
2024-12-13 17:07:39
Qorvo的CMD244K5是款寬帶網GaAs MMIC分布圖制作式驅程變小器,頻率面積從DC到20 GHz,應用無高壓導線外面貼裝封裝類型方法。
AM012514XD-P3無源雙平衡混頻器
2024-12-13 17:06:24
?AMCOM的AM012514XD-P3是款高IP3無源雙失衡混頻器,AM012514XD-P3的LO驅動下載電平范圍圖收錄+14dBm至+20dBm。
?CHA2190-99F K,Ka波段低噪聲放大器
2024-12-12 17:27:45
CHA2190-99F是款二級自偏置帶寬單支低環境噪聲調大器。CHA2190-99F使用的標準的的pHEMT研制的技藝:柵極圖片尺寸為0.25μm,會根據基材上的通孔、暖空氣橋和電子束柵極夜刻的技藝。CHA2190-99F以存儲芯片行駛帶來。
?1700 V分立碳化硅MOSFET CREE
2024-12-12 17:26:18
CREE的1700 V炭化硅(SiC)MOSFET可能達成對比較小、有熱使用率的熱使用率更換裝置。與硅基處里方法相信較,CREE炭化硅科技可能提高自己裝置熱使用率密度單位、較高的工作的的頻率、較小的的結構制作、更冷門的的控制器、較小的控制器規格尺寸(電調節器、電解電玻璃容器、濾波器和低壓變壓器)和全局利潤熱使用率。
?RLC Electronics寬帶肖特基和隧道二極管探測器
2024-12-11 17:24:10
RLC Electronics移動寬帶肖特基和鐵路橋電感測探器一般是中用同軸機系統,在10 MHz至18.0 GHz的頻次超范圍內檢查高至100 mW的一定微波加熱工率。
?Q20HA-9500R寬帶雙向耦合器
2024-12-11 17:22:03
Q20HA-9500R是款帶寬雙邊交叉交叉耦合控制電路器,具備有高專注性和高瓦數進行處理轉化率。Q20HA-9500R定位交叉交叉耦合控制電路茶具備有低進到這一領域耗損、高瓦數使用性能、高專注性、小打包封裝中的平滑交叉交叉耦合控制電路控制電路。
?IS-3.000射頻隔離器2.000-4.000 GHz
2024-12-11 17:20:19
MECA可以保證的IS-3.000屏蔽防曬器采用SMA母接觸器,對數正態分布額定工率為30瓦,辦公頻段為2.000-4.000 GHz。可以保證好IP 67標準的的屏蔽防曬器。
?NBB-310級聯寬帶GaAs MMIC放大器
2024-12-11 17:15:58
Qorvo的NBB-310級聯帶寬InGaP/GaAs MMIC縮放器是種成本費用更低、性能參數優秀的很好解決計劃方案,都可以考慮互通型頻射和微波射頻縮放器應用消費需求。
?AM012509XD-P3無源雙平衡混頻器
2024-12-11 17:14:48
AMCOM的AM012509XD-P3是款高IP3無源雙不平衡量混頻器,AM012509XD-P3的LO控制電平范圍內在+10dBm至+16dBm。
?CHA2193-99F K,Ka波段低噪聲放大器
2024-12-10 17:10:14
CHA2193-99F是款三級視頻低燥聲放縮器。集成電路芯片的正反面是頻射和交流電的接地。極為有利的于優化提升布置的過程。CHA2193-99F秉承于從中國國防中國軍事到商業區保障電力系統的一般采用具體需求設計。
1200V分立碳化硅MOSFET CREE
2024-12-10 17:09:20
CREE的1200 V炭化硅(SiC)MOSFET編使用高效率軟件來進行優化機系統,如應急指揮供電(UPS)、發電機控住機系統和帶動器、旋鈕供電電路系統、儲熱生產設備、新電力能源電動四輪車快充、進行高壓DC/DC裝換器等。
?2413帶通濾波器KR Electronics
2024-12-09 17:08:22
KR 2413也是個400Hz帶通濾波器。通暢適用性于PCB打包封裝,其它的通帶速度均可用。
?SemiGen電感器線圈
2024-12-09 17:07:33
SemiGen的電感感應次級線圈一般 是在石英砂基材上選用復合膜工藝設計生產的。高精度五金光刻技木和非化學式蝕刻技木保證衛生的表面,以基本保障渦流感應次級線圈直接的不均度。
?AN-x3A低G靈敏度的超低相位噪聲VCO
2024-12-09 17:06:20
NEL Frequency Controls的AN-x3A低G精確度度的超高相位嗓聲特別適于在有有晃動或減快速的前提條件下所需有超高相位嗓聲的壓控硫化鋅振動器(VCXO)的選用。
?NBB-300級聯寬帶GaAs MMIC放大器
2024-12-09 17:04:33
Qorvo的NBB-300級聯網絡帶寬InGaP/GaAs MMIC調小器是種成本投入更低、特性優質的應對方法,還可以要求通用版型微波加熱射頻和微波加熱調小器運行需要量。
?AM011714XD-P3無源雙平衡混頻器
2024-12-09 17:02:47
AMCOM的AM011714XD-P3是款高IP3無源雙不平衡量混頻器,AM011714XD-P3 LO能夠電平超范圍包擴+14dBm至+20dBm。
?CHA5350-99F Ku,K波段中功率放大器
2024-12-06 17:04:07
CHA5350-99F都是種四個維度單支MPA,一般 是在1dB收獲值文件壓縮下要具備26.5dBm的內容導出電機功率,與34dBm的高IP3內容導出關聯。
欧洲一区二区-欧美激情一区二区-国产激情在线-欧美在线一区二区
上一頁
1
2
...
7
8
9
10
11
12
13
...
147
148
下一頁
尾頁
共
148
頁
4412
條數據