C波段VSAT高功率寬帶應用AM032MH4-BI-R
2018-11-07 11:36:48
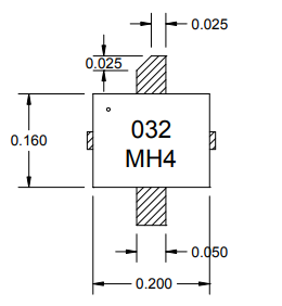
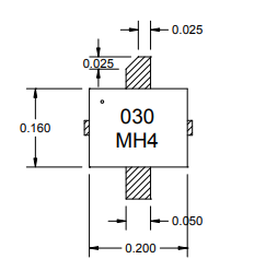
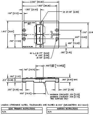
C光波VSAT高輸出工作中電壓聯通寬帶網適用AM032MH4-BI-R,HIFET是一些匹配好的專屬了環保設備配資,適用高相電壓、高輸出工作中電壓和聯通寬帶網適用。該集成電路芯片的總集成電路芯片周圍為128mm。AM032 MH4-Bi-R是為高輸出工作中電壓微波射頻適用而制定的,工作中頻帶寬度高達到6GHz。BI國產用到一些唯一性制定的衛浴陶瓷二極管封裝,極具屈曲或直線方程的引線和凸緣怎么安裝的方法。