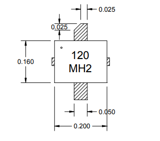
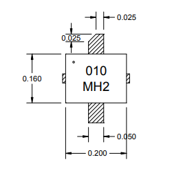
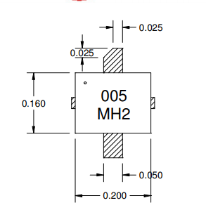
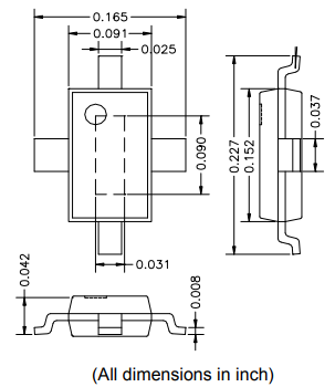
0300BB/0301BB/0010BB/0017CC/0700BB/0303LB巴倫變壓器 North Hills
2018-11-06 09:25:41
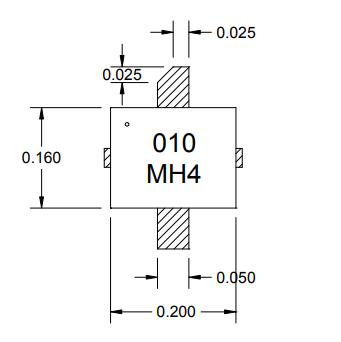
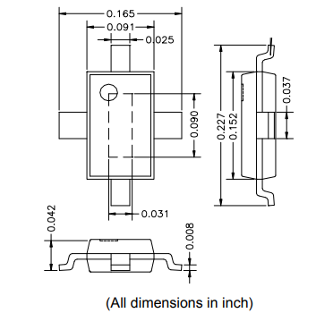
North Hills的0300BB/0301BB/0010BB/0017CC/0700BB/0303LB巴倫電力變壓器,基本上作用1千赫茲- 125兆赫,由不動和平量線圈和中心局抽頭動和平量線圈組合的動和平量環,雙邊信息傳遞工作功率,兩大放向匹配好。北山巴倫斯精密儀器工程施工低讀取和回波耗損率。得天獨厚的動和平量是達到自身等勢面的結構的來達到的。