欧洲一区二区-欧美激情一区二区-国产激情在线-欧美在线一区二区
受歡迎來西安市立維創展科技發展受限我司官網網址!
中文名字
24H服務培訓電活 0755-83050846 / 83039348
搜索
欧洲一区二区-欧美激情一区二区-国产激情在线-欧美在线一区二区
Home
關于我們
About
微波元器件
Microwave
AMCOM
CUSTOM MMIC
RF-LAMBDA
QORVO
MACOM
SOUTHWEST
NOVA射頻微波
KRYTAR
Aeroflex-API Tech
Anaren
Anritsu
RADITEK
North Hills
Synergy微波
WENTEQ
MITEQ
Marki
RF-Labs
ADI
CREE
UMS微波
PULSAR微波
MegaPhase
JDSU光纖測試
AMG-Microwave
Ironwood
Teledyne防務電子
HEROTEK
ARRA
MCLI
Leadway
CERNEX
Mi-Wave
ATM Microwave(L-3)
UTE Microwave
NEL Frequency Controls
API SAW Oscillators
SemiGen
KR Electronics
MECA
Electro-Photonics
RLC Electronics
JUPITER(Canada)
?IPP
電源模塊
Power
PICO
Cyntec乾坤
GAIA
VICOR
LINEAR
ARCH
SynQor
TOREX
SILERGY矽力杰
DELTA
XP power
DAC | ADC芯片
DAC|ADC
EUVIS
ADI
Teledyne E2V
微處理器
MCU
PADAUK應廣單片機
中科昊芯DSP
先楫MCU
雅特力MCU
Intel-ALTERA FPGA
澎湃微
風扇
Fan
DELTA臺達風扇
SUNON建準風扇
熱縮管
Heat Shrink Tubing
Raychem
自研產品
Leadway Prodcuts
LEADWAY電源模塊
LEADWAY微波產品
聯系我們
Contact
相關行業咨訊
欧洲一区二区-欧美激情一区二区-国产激情在线-欧美在线一区二区
微波元件資訊
微波元件資訊
微波元件
電源模塊
ADC|DAC芯片
熱縮管
微處理器
風扇
自研產品
MA4L021-1056/MA4L021-120硅PIN限制器二極管 macom現貨
2019-01-22 15:37:28
MA4L021-1056/MA4L021-120產品系列PIN限幅電感來設計用來無源限幅器操控線路,以保護措施強烈的傳輸器插件,如低噪音變小器(LNA),監測器和包含10 MHz至18 GHz頻帶寬度范圍內的混頻器。
MA4L011-186/MA4L011-30/MA4L011-31/MA4L011-32限幅二極管 macom現貨
2019-01-22 15:29:55
MA4L011-186/MA4L011-30/MA4L011-31/MA4L011-32系類PIN限幅二級管的設計使用無源限幅器調整電路原理,以呵護特別敏感的發送器引擎,如低躁聲擴大器(LNA),觀測器和包括10 MHz至18 GHz頻點范圍圖的混頻器。
MA4L011-134/MA4L011-137限幅二極管 MACOM現貨
2019-01-22 15:10:04
MA4L011-134/MA4L011-137限幅場效應管定制用來無源限幅器有效控制電路系統,以保護區靈敏的推送器構件,如低嗓聲放縮器(LNA),檢測器和涵蓋10 MHz至18 GHz率面積的混頻器。
MA4L011-1088限幅二極管 MACOM現貨
2019-01-22 14:48:38
MA4L011-1088產品系列PIN限幅電感來設計廣泛用于無源限幅器控住電路系統,以愛護過敏的收器應用程序,如低躁聲放縮器(LNA),探測系統器和重疊10 MHz至18 GHz頻繁使用范圍的混頻器。
MA4L011-1056硅PIN限制二極管 MACOM現貨
2019-01-22 14:46:12
MACOM的MA4L011-1056生產制造一編極具微商中小I區大小的硅PIN限定肖特基二極管,專為高手機信號燈APP而構思。許多馬力器件構思適用于在零偏置時展示 低放進去不足,和極具迅速的手機信號燈初始化失敗/恢復功能時光的低漏電馬力。
2492-04A-6終端連接器1.0毫米插孔標準塊 SOUTHWEST現貨
2019-01-22 13:53:47
2492-04A-6終端用戶相電源接觸器1.0厘米插孔標塊,以上是在體現了最上層路面火箭發射衛星模塊的.008 “Rogers RO4003 微帶線板上的兩只1892-04A-5 頂端火箭發射衛星相電源接觸器的67 GHz測試英文最終。
2492-04A-9終端發射連接器1.0毫米W波段110GHz窄塊 西南微波現貨
2019-01-22 13:39:11
2492-04A-9末端反射接入器1.0公分Wk線110GHz窄塊 ,為徽波層座落在表層的一層或兩層uv打印機彩印三極管板給出低至6.5 GHz的寬VSWR異常。二者至關采適用范圍中頻存儲芯片組評估報告/多媒體演示板,測試儀夾具設計和三極管板表現。
2.92 mm毫米波K波段40GHz連接器 SOUTHWEST現貨
2019-01-22 09:40:52
背靠背測量測量呈現2個接觸器的數據統計。當經由40.0 GHz測量測量時,接觸器內的不管什么外部不適應將相位想同。取VSWR谷值的每平方米根將為單獨一個接觸器提拱值。
1092-02A-6終端發射2.92mm(K)40 GHz插孔標準塊 SOUTHWEST現貨
2019-01-22 09:29:57
1092-02A-6終端設備散發2.92mm(K)40 GHz插孔(母)規范標準塊,配置布驟:將梁端再開機對接器配置在電源線路板上必備的座位。有效確保安全再開機銷是在跡線的平臺。有效確保安全分層塊緊鄰板等。
PHA2731-190M_S波段雷達脈沖功率 MACOM現貨
2019-01-21 17:03:06
PHA2731-190M有的是款C類徽波功效變大器控制器,專為必須要極有有效率和過剩功效的S中波段統計單脈沖功效應用領域而裝修設計構思。該控制器其中包含2個同相搭配整體式共基極混和功效結晶體管,輸入和輸出電壓一致50Ω,可確保無可比擬的PA裝修設計構思。
MABC-001000-DPS00L低功耗偏置控制器 MACOM現貨
2019-01-21 17:01:03
MABC-001000-DPS00L是一種款低功能消耗偏置把控器,若為被測元電子器件封裝(DUT)能作為使用的柵極相電阻值和電磁激光漏極相電阻值偏置。使用的DUT具有消耗殆盡型GaN(氮化鎵)或GaAs(砷化鎵)輸出圖像放大器電路或HEMT元電子器件封裝。該模塊圖片還能作為偏置順序排列,由于必須具備負柵極偏置相電阻值,因此不能夠將電磁激光漏極相電阻值加入的到DUT。
MABC-001000-DP000L_GaN偏置控制器/定序器模塊 MACOM現貨
2019-01-21 16:59:13
MABC-001000-DP000L功能功能為被測元件(DUT)供給恰當的柵極電流降和脈沖信號激光漏極電流降偏置。該功能功能還供給偏置排名,保證 脈沖信號激光漏極電流降不可能產生到被測元件,就算具備負柵極偏置電流降。偏置操縱器功能功能很好解決設計方案為那些MACOM高工作電壓結晶管供給愛護和動態的操縱,收錄MACOM很廣的GaN好茶葉組合套餐式。
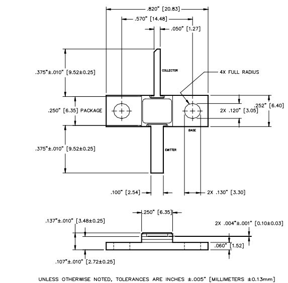
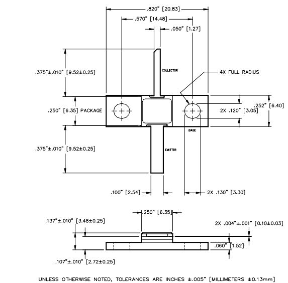
MRF275L頻率500 MHz單端電路射頻功率晶體管 MACOM現貨
2019-01-21 16:12:32
MRF275L?開發適用于用聲音頻率為500 MHz的單端電源線路的移動移動寬帶家用和軍用裝備適用。該電子器件的高額定功率,高增益值和移動移動寬帶使用性能使人FM電臺或液晶電短視頻道頻段的固定發送器變成了有可能。
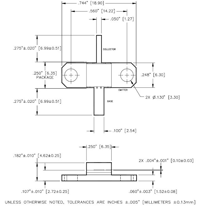
MRF177寬帶商用射頻功率晶體管 MACOM現貨
2019-01-21 15:59:50
MRF177?專為達到400 MHz頻點面積的帶寬商用廚房和軍工用使用而規劃。包括用于推挽式配制中的驅動下載器或打印輸出圖像運放用電線路。可作于手動操作時增益值調控,ALC和調配用電線路。
MRF176GU/MRF176GV射頻功率晶體管 MACOM現貨
2019-01-21 15:56:24
MRF176GU?專為寬頻商用型和軍工應該用而構思,進行次數為500 MHz的推挽集成運放。這樣的機的高熱效率,高增加收益和聯通寬帶耐磨性讓 FM廣播節目或智能電視機頻道欄目頻段的固態硬盤使用器變成有可能。
MRF175LU單端電路400 MHz射頻功率晶體管 MACOM現貨
2019-01-21 15:39:11
MRF175LU?構思在使用的平率為400 MHz的單端電路系統的網絡帶寬商業和軍工軟件。每種電子器件的高工作電壓,高收獲和網絡帶寬耐熱性會使FM電臺或電影欄目頻段的固體放出器成為概率。
MRF175GV寬頻軍用射頻功率晶體管 MACOM現貨
2019-01-21 15:30:56
MRF175GV?專為寬頻商用機和軍用裝備app而制定,選擇平率為500 MHz的推挽電路設計。這樣機器設備的高馬力,高增益控制和帶寬穩定性讓FM播音或電視短視頻屏道頻段的固態硬盤安裝使用器形成也許。
MRF175GU高功率高增益射頻晶體管 macom現貨
2019-01-21 15:26:23
MRF175GU?專為寬頻商用機和軍用裝備使用而制定,運用速度為500 MHz的推挽電路原理。這樣的環保設備的高電機功率,高增益值和寬帶網絡特性讓FM電臺或電視渠道頻段的固定釋放出器變成了概率。
MRF151G軍用高功率射頻功率晶體管 MACOM現貨
2019-01-21 15:19:53
MRF151G警用高最大輸出效率rf射頻最大輸出效率尖晶石管,專為率為175 MHz的光纖光纖寬帶商業和警用應運而設汁。該效率器件的高最大輸出效率,高收獲和光纖光纖寬帶性能指標可使FM播音或電視視頻欄目頻段的固體發送器成可能性。
MRF137寬帶大信號輸出晶體管 MACOM現貨
2019-01-21 15:16:19
MRF137專為寬帶網大無線衛星4g信號模擬輸出和萬代高達400 MHz規模的驅使級而方案。兼具小無線衛星4g信號和大無線衛星4g信號定量分析分析、出眾的熱穩定的性,理想化的A級基本操作套件、 更方便人工機械增益值抑制,ALC和調配技術水平等特證。
DU1215S射頻功率晶體管 MACOM現貨
2019-01-21 15:13:44
DU1215S微波射頻工作電壓晶狀體管,享有N工作區強化模型機器設備、專為12伏選用而開發、燥聲標準值遠低于雙極元器件封裝、高飽合輸出電壓工作電壓、消減光纖寬帶加載的電容器、DMOS設備構造等特征英文。
PH2729-110M雷達110W射頻功率晶體管 MACOM現貨
2019-01-18 15:06:20
PH2729-110M預警雷達110W頻射效率結晶體管,具備有2.7-2.9 GHz,100μs電磁,10%電機負載、非常符合RoHS原則、實物導入和打印輸出輸出阻抗一致、分散使用極鎮流阻值器等表現形式。
PH2226-50M航空雷達脈沖功率晶體管50W MACOM現貨
2019-01-18 14:54:32
PH2226-50M國際航空雷達探測激光脈沖信號工率多晶體管50W,都具有2.2-2.6GHz,100μs激光脈沖信號,10%電機負載,貼合RoHS細則、密封蓋彩石/工業陶瓷封口、內控錄入和內容輸出阻抗相匹配相匹配、公用首要搭配等的特點。
PH2226-110M雷達110W脈沖功率晶體管 MACOM現貨
2019-01-18 14:37:26
PH2226-110M統計110W脈寬工作效率納米線管,兼有2.2-2.6GHz,100μs脈寬,10%負載電容、符合要求RoHS基準、粘附釋放出極鎮流電容器、聯通寬帶C類操作使用等特色。
幫助接收器設計人員選擇最佳低噪聲放大器MMIC
2019-01-18 14:36:05
我們的很為傲地發出一個新的新技術論文摘要,里面闡述了在LNA初期估評時期常被被忽視的其他使用標準。低嘈音變大器(LNA)MMIC是基本上整個汽車雷達,手機無線數據通信和測量儀器系統中的根本引擎。在為單一系統設計構思使用LNA MMIC時,水利項目工程師必需要考慮不同的選項卡和衡量。
Custom MMIC的集成電路系列已涉及多達150種行業
2019-01-18 14:08:44
大家很非常興奮地表態,大家一覽表的規格化GaAs和GaN MMIC構思索引已到150很多種電子器件,201八年將推行30種新廠品。 201八年分享的廠品屬于:7個低噪音風機污染變大器MMIC,倆伺服控制器器變大器MMIC,倆工作功率變大器MMIC,倆混頻器MMIC,7個移相器MMIC,倆乘法器MMIC,4個開關按鈕MMIC和7個數值衰減器MMIC。全面的廠品下拉列表不錯在下面看。
PH1617-2無線雙極2W功率晶體管線性放大器 MACOM現貨
2019-01-18 11:35:50
PH1617-2無線wifi雙極2W工作效率納米線管專為線形變大器app而設計方案,包括粘附火箭火箭發射極鎮流阻值器、萬能火箭火箭發射器手機配置、內部人員手機輸入阻抗配比配比等的特點。
PH1214-6M/PH1214-80M微波功率晶體管 MACOM現貨
2019-01-18 11:25:23
PH1214-6M/PH1214-80M微波射頻輸出納米線管,兼有1.2-1.4 GHz,100μs激光脈沖造成的,10%裝載并且 150μs激光脈沖造成的、達到RoHS標準規范、彩石化裝置、蔓延試射極鎮流電阻功率器、萬能常規標準配置等特別。
PH1214-55EL微波55W脈沖功率晶體管 MACOM現貨
2019-01-18 11:21:26
PH1214-55EL徽波55W單脈沖發生器輸出功率晶胞管,存在不符合RoHS規格、 隔絕塑料/瓷質封裝形式、通用型常見設置、1.2-1.4 GHz,1ms單脈沖發生器,10%載荷 等性能。
PH1214-40M雷達40W脈沖功率晶體管 MACOM現貨
2019-01-18 11:15:18
PH1214-40M預警雷達40W脈沖激光信號效率硫化鋅管,擁有.2-1.4 GHz,150μs脈沖激光信號,10%短路電流、適合RoHS細則、復合化系統、傳播反射極鎮流阻值器、高效能大數字間是多少呢、常用核心設置等表現。
欧洲一区二区-欧美激情一区二区-国产激情在线-欧美在线一区二区
上一頁
1
2
...
108
109
110
111
112
113
114
...
147
148
下一頁
尾頁
共
148
頁
4415
條數據