欧洲一区二区-欧美激情一区二区-国产激情在线-欧美在线一区二区
誠邀來北京市立維創展新材料技術有限我司我司官方版網址!
漢語
24H提供服務電語 0755-83050846 / 83039348
搜索
欧洲一区二区-欧美激情一区二区-国产激情在线-欧美在线一区二区
Home
關于我們
About
微波元器件
Microwave
AMCOM
CUSTOM MMIC
RF-LAMBDA
QORVO
MACOM
SOUTHWEST
NOVA射頻微波
KRYTAR
Aeroflex-API Tech
Anaren
Anritsu
RADITEK
North Hills
Synergy微波
WENTEQ
MITEQ
Marki
RF-Labs
ADI
CREE
UMS微波
PULSAR微波
MegaPhase
JDSU光纖測試
AMG-Microwave
Ironwood
Teledyne防務電子
HEROTEK
ARRA
MCLI
Leadway
CERNEX
Mi-Wave
ATM Microwave(L-3)
UTE Microwave
NEL Frequency Controls
API SAW Oscillators
SemiGen
KR Electronics
MECA
Electro-Photonics
RLC Electronics
JUPITER(Canada)
?IPP
電源模塊
Power
PICO
Cyntec乾坤
GAIA
VICOR
LINEAR
ARCH
SynQor
TOREX
SILERGY矽力杰
DELTA
XP power
DAC | ADC芯片
DAC|ADC
EUVIS
ADI
Teledyne E2V
微處理器
MCU
PADAUK應廣單片機
中科昊芯DSP
先楫MCU
雅特力MCU
Intel-ALTERA FPGA
澎湃微
風扇
Fan
DELTA臺達風扇
SUNON建準風扇
熱縮管
Heat Shrink Tubing
Raychem
自研產品
Leadway Prodcuts
LEADWAY電源模塊
LEADWAY微波產品
聯系我們
Contact
這個行業新聞
欧洲一区二区-欧美激情一区二区-国产激情在线-欧美在线一区二区
微波元件資訊
微波元件資訊
微波元件
電源模塊
ADC|DAC芯片
熱縮管
微處理器
風扇
自研產品
ADA4841-2YRMZ低噪聲放大器 ADI現貨
2019-02-18 14:07:04
ADA4841-2YRMZ是一種款工作單位收獲安穩、低噪音污染、低失幀、軌到軌內容輸出縮放器,靜態變量電壓值非常大數值1.5 mA。 該縮放器不單單耗電量低,還出具2.1 nV/√Hz的低帶寬相電壓躁音污染性和1.4 pA/√Hz的電壓值躁音污染,100 kHz時體現了較佳的-105 dBc無雜散技術性區域(SFDR)。
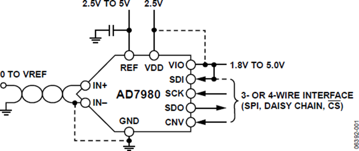
AD7980ARMZ模數轉換器(ADC) 代理現貨
2019-02-18 14:00:32
AD7980ARMZ就是一款16位、逐次突破型系數改換器(ADC),用單用電(VDD)用電。它內置式某個低系統損耗、高速度、16位取樣ADC和某個多系統串行接口標準端口號。在CNV上升時沿,該器材對IN+與IN-間的模擬網輸出相電流電壓值差做出取樣,條件從0 V至REF。依據相電流電壓值(REF)由表面給予,但是可以自由于用電相電流電壓值(VDD)。
ADN2915ACPZ集成限幅放大器/均衡器 ADI現貨
2019-02-18 11:44:01
ADN2915ACPZ可具備中所受到器能力:程序化、警報電平檢則、掛鐘和數值回復,可用來于從6.5 Mbps到11.3 Gbps的不斷數值傳輸速度。它可智能設定至整個數值傳輸速度,而不要表面參考資料掛鐘或程序編寫。
OP284TRZ-EP-R7單電源4 MHz帶寬放大器 現貨
2019-02-18 11:07:37
OP284TRZ-EP-R7是雙通暢、單供電適配器、4 MHz上行速率擴大器,有軌到軌錄入與的輸出特點。提高的運作電流電壓時間范圍為+3 V至+36 V(或±1.5 V至±18 V),可能利用低至+1.5 V的單供電適配器的運作。
HMC4069LP4E整數N分頻頻率合成器 現貨
2019-02-18 10:59:49
HMC4069LP4E不是款整數N分經常率自動制成器,將10至1300MHz的數字式鑒頻鑒相器與10至2900MHz 5位速度計數器器組成在一塊去。它適合低相位燥音速度自動制成器應用。
AD8310ARMZ超快響應對數放大器 ADI現貨
2019-02-18 10:51:20
AD8310ARMZ都是個款超快加載失敗、功用繁多的對數計算計算調大器,用到8引腳長安小型SO裝封。它都是個款為漸近降低成(逐次降低成)技巧的400 MHz完成單單片機芯片解調對數計算計算調大器,在頻繁極限為100 MHz時可給予95 dB(±3 dB理論一樣性)和90 dB(±1 dB緊計算誤差界限)的動態數據范圍內。
AD7091BCPZ-RL模數轉換器 代理現貨
2019-02-18 10:42:29
AD7091BCPZ-RL是一種款12位逐次梯度下降法寄存器系數轉化器(SAR ADC),可在高吞吐速度(50 MHz SCLK時為1 MSPS)下實行低好輸出功率(3 V和1 MSPS時具代表性指標值367 μA)。
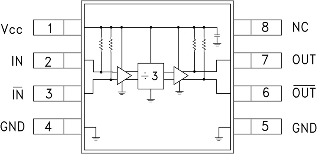
HMC437MS8GE低噪聲靜態分頻器 原裝現貨
2019-02-18 10:22:56
HMC437MS8GE一款低嘈音5分鐘頻靜態變量分頻器,運用InGaP GaAs HBT技木,應用低總成本8引腳表貼塑料制品裝封。 此電子器件在DC(運用方波錄入)至7 GHz的錄入次數下運行,運用+5V DC單開關電源。
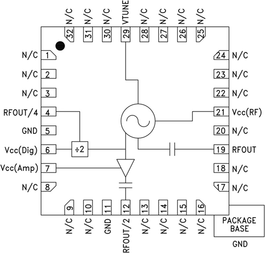
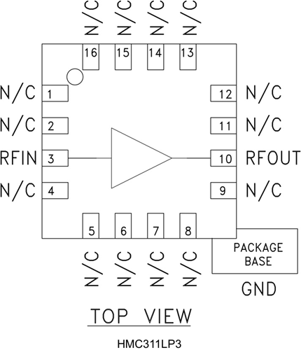
HMC311LP3異質結雙極性晶體管 ADI現貨
2019-02-18 10:05:38
HMC311LP3就是一款GaAs InGaP異質結雙正負極晶狀體管(HBT)增益控制控制引擎MMIC SMT放縮器,做工作頻繁依據為DC至6 GHz。 此款3x3mm QFN二極管封裝放縮器適用作級聯50 Ohm增益控制控制級或于驅使內容輸出額定功率高至+17 dBm的HMC混頻器LO。
HMC584LP5E異質結雙極性晶體管 原裝現貨
2019-02-18 09:55:24
HMC584LP5E一款GaAs InGaP異質結雙電性多晶體管(HBT) MMIC VCO。 HMC584LP5(E)集就成了諧振器、負內阻元器件封裝和變容電子元器件大家庭中的一員-二極管,可輸入輸入半頻,并提拱3分頻輸入輸入。
5962-9683901MPA低功耗高速放大器 原裝現貨
2019-02-18 09:52:13
5962-9683901MPA有的是款低耗電量、直流相電壓反饋建議型、高速路變大器,設計使用+3 V、+5 V或±5 V交流交流電源配電。它具備著單交流交流電源配電學習能力,插入直流相電壓依據要往負配電軌有以下200 mV至正配電軌1 V依據連加連減。
AD5314BRM/AD5314ARMZ四路電壓輸出10位DAC ADI代理現貨
2019-02-15 17:30:19
AD5314BRM,AD5314ARMZ均為四8-,10-,和12位緩沖器輸出功率輸出DAC 10引腳MSOP和10引腳,從某一的2.5 V至5.5 V電壓送電LFCSP封口,在3消耗脂肪500μA V.因此的片上輸出調大器禁止以0.7 V /μs的壓擺率進行軌到軌輸出擺幅。
AD8362ARU/AD8362ARUZ功率檢波器 ADI現貨
2019-02-15 17:26:09
AD8362ARU/AD8362ARUZ就是一款真的的均方根回應耗油率檢波器,具65 dB的測量范圍圖。它選用在各種各樣的高頻光纖通信體系和所需對的信號耗油率對其進行正確回應的儀器設備。它可以運行,只所需兩個5 V的電壓和幾條電感器。
AD9952YSVZ直接數字頻率合成器(DDS) ADI現貨
2019-02-15 15:23:15
AD9952YSVZ是一個款馬上羅馬數字化9速度煉制器(DDS),有14位DAC(羅馬數字化9 - 虛擬轉型器),崗位傳輸率超過400 MSPS。AD9952通過現代化的DDS系統,切合里面飛速,高機械性能DAC,包括羅馬數字化9程序控制器學習,完善的高頻煉制器,并能引起速度超過200 MHz的速度捷變虛擬輸出電壓正弦交流電波型。
AD8307ARZ/AD8307ARZ對數放大器 ADI現貨
2019-02-15 14:01:37
AD8307是即將上市應用8引腳SOIC_N封裝類型的常用對數計算放縮器。它是款完整的的500 MHz單面解調常用對數計算放縮器,依托于逐行擠壓(接連檢查測量)工藝,作為92 dB至±3 dB法律專業相符性的各式各樣區間和88 dB至很多頻繁下±1 dB的堅持原則出現偏差的原因控制100 MHz。
OP284ESZ/OP284CHIPS精密RRIO雙運算放大器 ADI現貨
2019-02-15 11:37:39
OP284ESZ/OP284CHIPS?兩者絕對在+3至+36(或±1.5至±18)伏特的的電壓下辦公,從而應該選擇低至+1.5伏的單電壓辦公。
AD96687BQ_AD96687BPZ超高速電壓比較器 ADI現貨
2019-02-15 10:47:34
AD96687BQ、AD96687BPZ是極快速路電阻對比器。AD96687BQ、AD96687BPZ不是款同等短時間的雙對比器。倆種電子元件都更具50 ps的傳播媒介延時散射,就是快速路對比器的同一個很決定性的特點。
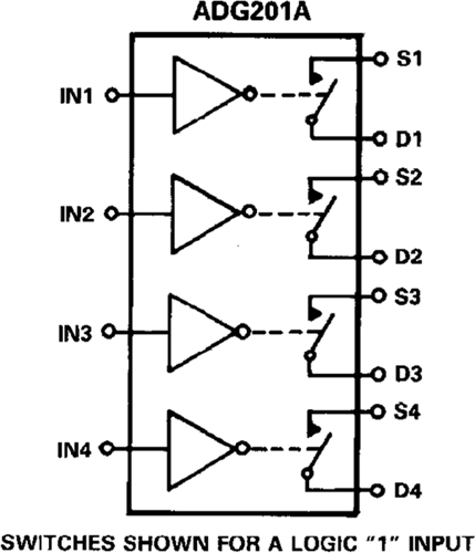
ADG201AKNZ_ADG201AKPZ單芯片CMOS器件 ADI現貨
2019-02-15 10:36:27
ADG201AKNZ/ADG201AKPZ就是款單單片機芯片CMOS元器件封裝,內嵌七個自主可以的轉換電觸點開關。它們的所采用增強型LC 2 MOS加工工藝設汁,可帶來±15 V的越高數字信號加工意識。他們轉換電觸點開關還擁有高轉換電觸點開關網絡速度和低R ON。
EVALZ-ADN2915/EVALZ-ADN2913/EVALZ-ADN2917評估板 ADI現貨
2019-02-14 17:24:41
ADN2905、ADN2913、ADN2915和ADN2917可供應下面閱讀器技能:細化、訊號電平查重、掛鐘和數據顯示顯示康復,選應用于從6.5 Mbps到11.3 Gbps的持續訊號數據顯示顯示時延。
ADRF5130BCPZ單刀雙擲(SPDT)硅開關 ADI現貨
2019-02-14 15:52:38
ADRF5130BCPZ是一個款高工作效率、反射層式、0.7 GHz至3.5 GHz、單刀雙擲(SPDT)硅按鈕,用于無引腳、表貼打包封裝。該按鈕十分的滿足高工作效率和蜂窩框架配套設施應該用,如經常衍變(LTE)基站天線。
AD8000YRDZ/AD8000YCPZ-REEL超高速電流反饋型放大器 ADI現貨
2019-02-14 15:49:40
AD8000YRDZ/AD8000YCPZ-REEL就是一款超多速、高耐腐蝕性、直流電反饋系統型放縮器。該放縮器通過ADI公司專有超快捷互補原理雙化學性質(XFCB)工序生產制造,可保證 1.5 GHz的小電磁波網絡帶寬和4100 V/μs的壓擺率。
AD8002ARZ_AD8002ARMZ雙通道高速放大器 ADI現貨
2019-02-14 10:56:12
AD8002ARZ、AD8002ARMZ是一個款雙通路、低顯卡功能消耗、速度放小器,主要采用±5 V交流電源供電設備。AD8002有著特殊的跨絕緣線性電線,以求能以精湛的差分增益值和相位差值性能方面驅動器短視頻裝載,每放小器的顯卡功能消耗僅為50 mW。
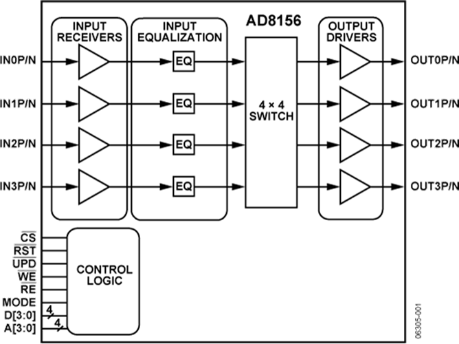
AD8156ABCZ數字交叉點開關 ADI現貨
2019-02-14 10:45:43
AD8156ABCZ包括Xstream全系列服務,不是款飛速、完完全全差積分字穿插的情況點旋鈕按鈕。該功率器件可不可以做為4 × 4穿插的情況點旋鈕按鈕,兼有雙鎖存式數據存儲器,準許的同時系統更新;并且做為雙過道2 × 2穿插的情況點旋鈕按鈕,并提拱隨便傷害調整實用功能。
ADF4106BCP/ADF4106BRUZ頻率合成器 ADI現貨
2019-02-14 10:04:46
ADF4106概率合成圖片器在無線wifi推送機和發射成功機的上交流直流變頻空調和下交流直流變頻空調部份中,能夠用來保持本振。它由低燥音數字6鑒頻鑒相器(PFD)、高精密正電荷泵、可和程序編寫參照分頻器、可和程序編寫A和B運算器各種雙模預分頻器(P/P+1)組成了。
HMC639ST89E低噪聲寬帶增益模塊放大器 ADI現貨
2019-02-14 09:52:48
HMC639ST89(E)是一種款GaAs PHEMT、高線性網絡度、低燥音、聯通寬帶增加收益控制輸出模塊變大器,崗位次數條件為0.2至4.0 GHz。 該變大器選擇浴霸規定SOT89打包封裝,可以用作級聯50 Ω增加收益級、PA前置攝像頭驅動包器、低燥音變大器或增加收益控制輸出模塊,輸出耗油率萬代高達+22 dBm。
HMC460/HMC460-SX低噪聲分布式放大器芯片 ADI現貨
2019-02-13 16:06:04
HMC460/HMC460-SX是款GaAs MMIC pHEMT低燥音分布圖制作式調大器單片機芯片,工作任務速率時間范圍為DC至20 GHz。該調大器在1 dB收獲縮小下供應14 dB收獲,2.5 dB燥音標準值和+16 dBm傳輸工作電壓,而+ 8V24v電源僅需60 mA。
EVAL-ADF5355SD1Z評估板 ADI現貨
2019-02-13 15:29:29
該EVAL-ADF5355SD1Z?考核板應該SDP調整器板能力銜接到PC。SDP調整器板實現USB 2.0銜接到PC。考核板將銜接到SDP調整器板。考核板不能立即銜接到PC。PC上運動的考核app軟件將實現SDP調整器板與考核板通過通信網。
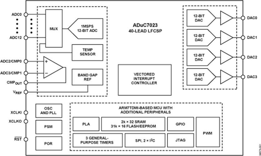
ADUC7023BCPZ62I精密模擬微控制器 ADI現貨
2019-02-13 15:24:10
ADUC7023BCPZ62I都是款仍然結合的1 MSPS,12四位數據獲取模式,在單心片上結合了高功能多安全通道ADC,16位/ 32位MCU和Flash / EE儲存器。
AD9910BSVZ直接數字頻率合成器 ADI現貨
2019-02-13 14:52:29
AD9910也是款簡單小數頻次分解器(DDS),享有融合的14位DAC,支持系統高至到1 GSPS的取樣速率單位。AD9910所采用領先的專有DDS高技術,可在壯烈犧牲特點的情形下顯著減小工作頻率。DDS / DAC組裝型成小數可程序設計中頻模擬訓練讀取分解器,才可以在高至到400 MHz的頻次下所產生頻次捷變的余弦波形參數。
AD9953YSV直接數字頻率合成器(DDS) ADI現貨
2019-02-13 14:33:34
AD9953YSV都是款單獨數據率分解成器(DDS),兼備上班速率單位萬代高達到400 MSPS的14位DAC。AD9953主要采用最新的DDS技能,內嵌式速度,高性價比指標DAC,包含數據可和程序編寫,完整性的低頻分解成器,并能會產生率萬代高達到200 MHz的率捷變模似輸入余弦波型。
欧洲一区二区-欧美激情一区二区-国产激情在线-欧美在线一区二区
上一頁
1
2
...
106
107
108
109
110
111
112
...
147
148
下一頁
尾頁
共
148
頁
4415
條數據