AM07512041WN-SN-R/AM07512041WN-00-R功率放大器芯片 代理現貨
2019-02-20 14:36:54
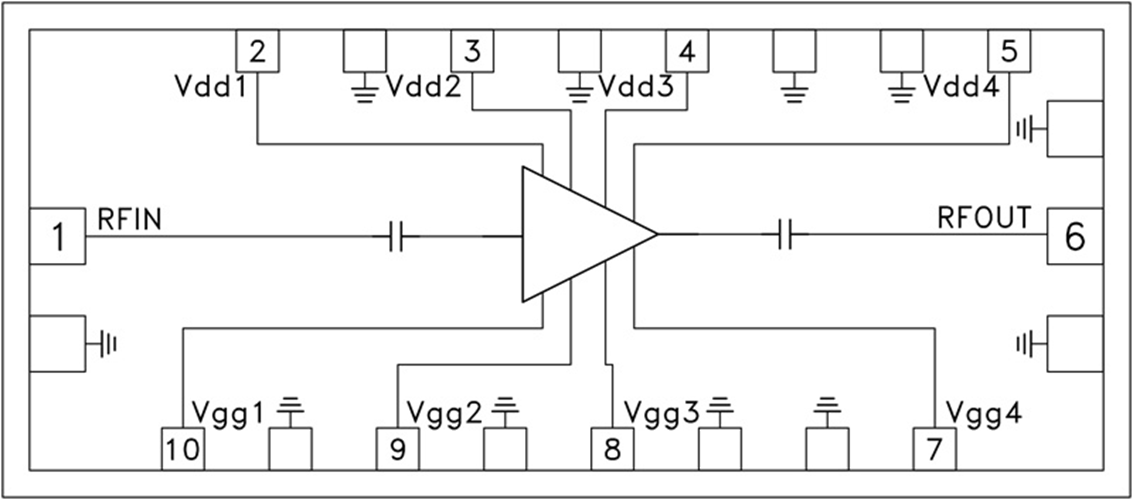
AMCOM集團公司的AM07512041WN-SN-R/AM07512041WN-00-R基帶芯片是一種款網絡帶寬氮化鎵MMIC公率放縮器。它在8.25至11.75GHz頻段有28dB的增益值控制和42dBm的輸出精度的公率。AM7512041WN-SN-R主要包括衛浴陶瓷封裝類型,帶著活套法蘭和直rf射頻和直流電源引線,用做進到這一領域式折裝。它的增益值控制為27db,輸出精度的公率為41dbm,在8.25至11.75GHz頻段。