欧洲一区二区-欧美激情一区二区-国产激情在线-欧美在线一区二区
喜歡來長沙市立維創展創新科技有限總部總部關方網站建設!
英文版
24H售后服務電話 0755-83050846 / 83039348
搜索
欧洲一区二区-欧美激情一区二区-国产激情在线-欧美在线一区二区
Home
關于我們
About
微波元器件
Microwave
AMCOM
CUSTOM MMIC
RF-LAMBDA
QORVO
MACOM
SOUTHWEST
NOVA射頻微波
KRYTAR
Aeroflex-API Tech
Anaren
Anritsu
RADITEK
North Hills
Synergy微波
WENTEQ
MITEQ
Marki
RF-Labs
ADI
CREE
UMS微波
PULSAR微波
MegaPhase
JDSU光纖測試
AMG-Microwave
Ironwood
Teledyne防務電子
HEROTEK
ARRA
MCLI
Leadway
CERNEX
Mi-Wave
ATM Microwave(L-3)
UTE Microwave
NEL Frequency Controls
API SAW Oscillators
SemiGen
KR Electronics
MECA
Electro-Photonics
RLC Electronics
JUPITER(Canada)
?IPP
電源模塊
Power
PICO
Cyntec乾坤
GAIA
VICOR
LINEAR
ARCH
SynQor
TOREX
SILERGY矽力杰
DELTA
XP power
DAC | ADC芯片
DAC|ADC
EUVIS
ADI
Teledyne E2V
微處理器
MCU
PADAUK應廣單片機
中科昊芯DSP
先楫MCU
雅特力MCU
Intel-ALTERA FPGA
澎湃微
風扇
Fan
DELTA臺達風扇
SUNON建準風扇
熱縮管
Heat Shrink Tubing
Raychem
自研產品
Leadway Prodcuts
LEADWAY電源模塊
LEADWAY微波產品
聯系我們
Contact
制造業新聞
欧洲一区二区-欧美激情一区二区-国产激情在线-欧美在线一区二区
微波元件資訊
微波元件資訊
微波元件
電源模塊
ADC|DAC芯片
熱縮管
微處理器
風扇
自研產品
CMPA801B025F高效25W功率放大器6-12 GHz 現貨
2019-02-22 15:56:21
CMPA601C025F GaN HEMT MMIC放縮器能供給25瓦的功效,瞬時下行帶寬為6至12 GHz。GaN HEMT MMIC用于了耐溫提升型10引腳衛浴陶瓷芯片封裝類型。這一款元件用于了50歐姆的小圖片尺寸芯片封裝類型,可能供給高功效6至12 GHz高效率放縮器。
CMPA601C025F高效25W功率放大器 現貨
2019-02-22 15:52:54
CMPA601C025F GaN HEMT MMIC放縮器帶來了25瓦的工率,瞬時資源帶寬為6至12 GHz。GaN HEMT MMIC應用耐低溫怎強型10引腳陶瓷圖片二極管芯片封裝。一款元器件芯片封裝應用50歐姆的小面積二極管芯片封裝,可帶來了高工率6至12 GHz效率高放縮器。
CGHV14800F高電子遷移率晶體管L波段雷達系統 現貨
2019-02-22 15:36:39
Wolfspeed的CGHV14800也是種氮化鎵(GaN)高電子技術變遷率尖晶石管(HEMT),特別設定于高高質量率,高增益值和聯通寬帶寬基本功能,這使人CGHV14800是1.2 - 1.4 GHz L股票波段預警雷達放小器應運的很好取舍。
CMPA0060002F功率放大器芯片2W 現貨
2019-02-22 15:26:12
Wolfspeed的CMPA0060002F有的是種體系結構氮化鎵(GaN)高電子無線技術遷入率氯化鈉晶體管(HEMT)的片式微波射頻集合電源電路(MMIC)。與硅或砷化鎵不同于,GaN兼具出眾的耐熱性,涉及到更多的穿透電壓降,更多的飽和點電子無線技術漂移強度和更多的導熱性率。
CGH40006S射頻微波6W高電子遷移率晶體管 現貨
2019-02-22 15:13:23
Wolfspeed的CGH40006S一款群星璀璨的氮化鎵(GaN)高自動化轉移率結晶體管(HEMT)。CGH40006S選用28伏單軌,為很多紅外光射頻和紅外光應運供給通用性光纖寬帶來解決方式。
CGHV1J006D高壓氮化鎵(GaN)高電子遷移率晶體管 現貨
2019-02-22 14:16:56
Wolfspeed的CGHV1J006D有的是種通過0.25μm柵極時長制造出方法的氫氟酸處理硅襯底上的各類高壓氮化鎵(GaN)高光電遷徙率硫化鋅管(HEMT)。這一GaN-on-SiC品牌極具表現出色的高頻,高效性基本特征。
CGH35240F氮化鎵240W高電子遷移率晶體管 CREE現貨
2019-02-22 14:02:50
Wolfspeed的CGH35240F不是種氮化鎵(GaN)高電子器件遷址率多晶體管(HEMT),專業規劃采用優質率,高收獲和寬帶網寬功能性,使CGH35240F加入3.1 - 3.5 GHz,Sk線的良好選用,雷達探測變小器APP。
CGHV31500F高增益S波段雷達系統晶體管500W 代理現貨
2019-02-22 13:52:53
Wolfspeed的CGHV31500F都是種氮化鎵(GaN)高電子廠遷出率多晶體管(HEMT),正規的設計中用高使用率率,高收獲和聯通寬帶寬工作,使CGHV31500F稱得上2.7 - 3.1 GHz s中波段汽車雷達的完美選 - 放縮器應該用。
CGH40010寬帶10W射頻功率GaN HEMT 現貨
2019-02-22 13:48:12
Wolfspeed的CGH40010就是一款群星璀璨的氮化鎵(GaN)高電子遷出率晶胞管(HEMT)。CGH40010主要采用28伏軌道、,為各式徽波射頻和徽波應用帶來普通網絡帶寬完成計劃方案。GaN HEMT享有更高工作能力,高增益值和網絡帶寬寬工作能力,使CGH40010稱為線型和減少放小器電路原理的完美選購。
CMPA2560025F高效率S波段雷達系統電子遷移率晶體管 現貨
2019-02-22 11:39:53
Wolfspeed的CGHV35400F就是種氮化鎵(GaN)高電子設備遷入率晶狀體管(HEMT),專為便捷率,高增益控制和網絡帶寬寬功能性而制作,使CGHV35400F為2.9 - 3.5 GHz,S中波段的不錯會選擇,預警雷達變大器分為。晶狀體管分為440210型瓷器/金屬質法蘭盤芯片封裝。
CGHV35400F氮化鎵400W高電子遷移率晶體管 現貨
2019-02-22 11:34:52
Wolfspeed的CGHV35400F就是種氮化鎵(GaN)高智能移動率結晶管(HEMT),專為高效、性價比最高率,高收獲和寬帶網寬作用而制作,使CGHV35400F變成2.9 - 3.5 GHz,S頻譜的很好用到,汽車雷達放小器應用領域。結晶管用到440210型瓷磚/廢金屬法蘭片封裝類型。
CGH40035F高電子遷移率晶體管(HEMT) 代理現貨
2019-02-22 11:30:11
Wolfspeed的CGH40035F是一種款群星璀璨的氮化鎵(GaN)高電子技術搬遷率尖晶石管(HEMT)。CGH40035F運用28伏正軌,為各種各樣的紅外光射頻和紅外光APP提供數據基礎的聯通寬帶很好解決方式。
CGHV96100F2高功率100W功率放大器 CREE現貨
2019-02-22 10:24:49
Wolfspeed的CGHV96100F2是增碳硅(SiC)襯底上的氮化鎵(GaN)高電子技術遷出率氯化鈉晶體管(HEMT)。與別技術好于,一種GaN內切換(IM)FET具備有卓越的工作功率扣減轉化率。
CGHV96050F2碳化硅高電子遷移率晶體管 代理現貨
2019-02-22 10:22:17
Wolfspeed的CGHV96050F2是炭化硅(SiC)基鋼板上的氮化鎵(GaN)高智能電子搬遷率晶狀體管(HEMT)。與其它的技巧好于,這樣的GaN內控搭配(IM)FET具備著出眾的質量附帶質量。
CMD194C3寬帶K波段低噪聲放大器芯片 代理現貨
2019-02-22 09:21:37
CMD194C3就是一款寬帶網絡K股票波段GaAs MMIC低躁音放縮器,采用了無引腳3x3 mm朔膠表明貼裝(SMT)封口。CMD194C3極為適宜于小尺寸大小和低顯卡功耗是關健來設計條件的微電子戰和微波通信程序。
MKHS-02L0-400-275-2620直角PCB連接器 Airborn現貨
2019-02-21 15:37:31
MKHS-02L0-400-275-2620平角PCB對接器,接口化平角母的面版硬件配置對接器,可在2排硬件配置中保持各種各樣的quadrax和的信號接口三人組合。
MKHS-02L0-100-175-2810直角表面貼裝PCB連接器 現貨
2019-02-21 15:33:56
MKHS-02L0-100-175-2810控制器化公頭夾角外壁板裝有接觸器,限制在2排系統配置中使用的所有quadrax和的表現控制器團體。插頭線,2排,飛速控制器:1-10,的表現接觸點:0-50。
RM212-060-102-5500帶安裝耳鍍通孔PCB連接器 現貨
2019-02-21 11:28:52
RM212-060-102-5500這樣的表公頭PCB的組裝接器,兩排接線柱行間距為0.075“。這樣的接器具備著保持垂直的組裝方問,并的組裝在PCB的化學鎳通孔上。這樣的接器具備著的組裝耳,適用將接器固定的到集成運放板上。
RM222-060-202-5500帶安裝耳的直插座直鍍通孔PCB連接器 現貨
2019-02-21 11:16:01
RM222-060-202-5500一題材母頭PCB按裝進行防水接連器,兩排觸點開關間隔為0.075“。那些進行防水接連器存在向下按裝目標,并按裝在PCB的塑膠電鍍通孔上。那些進行防水接連器存在按裝耳,適用將進行防水接連器固定位置到電源pcb板上。
MQHT-212-009-161-41ZG高溫電纜連接器 現貨
2019-02-21 11:05:09
MQHT-212-009-161-41ZG常溫電線接入器,許多的常溫薄型公電線接入器,有2排和3排接線柱開關,排距為0.050“。它們之間的規格面積為9至51接線柱開關。
MSHT-262-009-433-220S高溫直角鍍通孔(PTH) 現貨
2019-02-21 10:58:02
MSHT-262-009-433-220S高熱直線鍍通孔(PTH),一系統高熱母PCB安轉對接器,有2排和3排接大電流繼電器,距離為0.050“。他們對接器具備直線位置,薄型,并使用的較小的占位總面積安轉到PCB的鍍膜通孔。可展示9到56個接大電流繼電器的長度。
MQHT-212-015-161-41ZG高溫薄型電纜連接器 代理現貨
2019-02-21 10:52:26
MQHT-212-015-161-41ZG中室溫薄型電攬聯接器,全方位產品中室溫薄型公電攬聯接器,有2排和3排接觸點開關,邊距為0.050“。這句話的尺寸大小領域為9至51接觸點開關。
MSHT-262-015-433-220S高溫直角鍍通孔PCB連接器 現貨
2019-02-21 10:28:34
MSHT-262-015-433-220S氣溫夾角鍍通孔PCB相聯接器,一類型氣溫母PCB布置相聯接器,有2排和3排接接點,間隙為0.050“。以下相聯接器有著夾角朝向,薄型,并的使用較小的占位戶型布置到PCB的塑料電鍍通孔。可給出9到54個接接點的外形尺寸。
RM212-080-102-5500通孔PCB連接器 Airborn現貨
2019-02-21 10:22:09
RM212-080-102-5500通孔PCB相連器幾種表公頭PCB裝有相連器,兩排接觸點排距為0.075“。這一些相連器具保持豎直裝有中心點,并裝有在PCB的電渡通孔上。這一些相連器具裝有耳,適用將相連器調整到集成運放板上。
RM222-080-202-5500直鍍通孔PCB連接器 Airborn現貨
2019-02-21 09:46:48
RM222-080-202-5500直鍍通孔PCB連結器,一類型母頭PCB進行裝設連結器,兩排接線柱行間距為0.075“。這種連結器含有鉛垂進行裝設大方向,并進行裝設在PCB的真空鍍膜通孔上。這種連結器含有進行裝設耳,用到將連結器固定位置到用電線路板上。可給予10到100個接線柱的規格尺寸。
MM-2C2-009-261-29WA后面板安裝電纜連接器 Airborn現貨
2019-02-21 09:28:20
Airborn的MM-2C2-009-261-29WA末尾板安轉拖鏈拖鏈電纜無線聯接器,一產品系列末尾板安轉拖鏈拖鏈電纜無線聯接器,含有畫面密封圈和0.050“的接受寬度。因此的尺碼依據為9到100接觸點。
MM-212-009-161-41WQ金屬電纜連接器 airborn原裝現貨
2019-02-21 09:17:31
airborn的MM-212-009-161-41WQ重五金電力電纜進行射頻拼接器,一系類公頭重五金進行射頻拼接器,有兩排,七排和四排觸頭,跨距為0.050“。這樣進行射頻拼接器有焊杯,壓接線方法和尾纖端接形式。這句話的尺寸范圍圖為9到51觸頭。
HMC462低噪聲分布式放大器裸片2-20 GHz 代理現貨
2019-02-20 16:30:56
HMC462是款GaAs MMIC PHEMT崗位噪音小污染分布范疇式擴大器裸片,崗位頻繁范疇為2至20 GHz。 該擴大器給予15 dB增益值控制、2.0至2.5 dB的噪音污染彈性系數和+15 dBm打印輸出工作電壓(1 dB增益值控制收縮),用+5V單電原時耗電量僅為63 mA。
HMC435AMS8GE非反射式DC-4GHz開關 ADI代理現貨
2019-02-20 16:19:17
HMC435AMS8GE是一個款非散射式DC-4 GHz GaAs MESFET SPDT旋鈕,應用軟件節省成本低8引腳MSOP8G面上貼裝二極管封裝,中含外露的接地焊盤。 該旋鈕十分的好蜂窩/3G和WiMAX/4G應用軟件,滿足多達60 dB的隔離霜、0.8 dB的低插入表格損耗量和+50 dBm的搜索IP3。
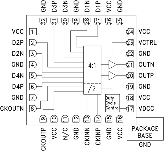
HMC847LC5高速4:1多路復用器 ADI現貨
2019-02-20 16:15:19
HMC847LC5一款4:1多路重復在使用技術器,的設計軟件于45 Gbps資料串行軟件。 多路重復在使用技術器在放入鐘表的互轉點鎖存三個差分放入。 該器材在使用半濃度鐘表的下滑沿和下滑沿來串行傳送數據報告資料。
欧洲一区二区-欧美激情一区二区-国产激情在线-欧美在线一区二区
上一頁
1
2
...
104
105
106
107
108
109
110
...
147
148
下一頁
尾頁
共
148
頁
4415
條數據