欧洲一区二区-欧美激情一区二区-国产激情在线-欧美在线一区二区
歡迎圖片來佛山市立維創展科枝有限制的企業官方版網 !
中文名字
24H提供客戶服務熱線電話 0755-83050846 / 83039348
搜索
欧洲一区二区-欧美激情一区二区-国产激情在线-欧美在线一区二区
Home
關于我們
About
微波元器件
Microwave
AMCOM
CUSTOM MMIC
RF-LAMBDA
QORVO
MACOM
SOUTHWEST
NOVA射頻微波
KRYTAR
Aeroflex-API Tech
Anaren
Anritsu
RADITEK
North Hills
Synergy微波
WENTEQ
MITEQ
Marki
RF-Labs
ADI
CREE
UMS微波
PULSAR微波
MegaPhase
JDSU光纖測試
AMG-Microwave
Ironwood
Teledyne防務電子
HEROTEK
ARRA
MCLI
Leadway
CERNEX
Mi-Wave
ATM Microwave(L-3)
UTE Microwave
NEL Frequency Controls
API SAW Oscillators
SemiGen
KR Electronics
MECA
Electro-Photonics
RLC Electronics
JUPITER(Canada)
?IPP
電源模塊
Power
PICO
Cyntec乾坤
GAIA
VICOR
LINEAR
ARCH
SynQor
TOREX
SILERGY矽力杰
DELTA
XP power
DAC | ADC芯片
DAC|ADC
EUVIS
ADI
Teledyne E2V
微處理器
MCU
PADAUK應廣單片機
中科昊芯DSP
先楫MCU
雅特力MCU
Intel-ALTERA FPGA
澎湃微
風扇
Fan
DELTA臺達風扇
SUNON建準風扇
熱縮管
Heat Shrink Tubing
Raychem
自研產品
Leadway Prodcuts
LEADWAY電源模塊
LEADWAY微波產品
聯系我們
Contact
業新聞資訊
欧洲一区二区-欧美激情一区二区-国产激情在线-欧美在线一区二区
微波元件資訊
微波元件資訊
微波元件
電源模塊
ADC|DAC芯片
熱縮管
微處理器
風扇
自研產品
?DHM020BB零偏置肖特基檢波器
2024-10-31 17:22:27
HEROTEK的DHM020BB零偏置肖特基檢波器建議選用零偏置肖特基肖特基二極管為檢波電子器件,有著球面積小、快速性高、加載失敗線速度較快、的頻率加載失敗好、app頻段寬等得天獨厚性能參數。
?Teledyne防務電子A2CP11039射頻放大器5.0-10.0 GHz
2024-10-31 17:21:25
A2CP11039頻射變小器是一個款鑒于Teledyne防務電子無線產生制做的高功能變小器,兼具高至12 dB的增益控制范疇和4dB低相位燥音,工作頻率范疇從5.0-10.0 GHz。
?Ironwood帶側檢修孔的BGA插座
2024-10-31 17:20:29
某個使用工具須要50Gbps等數據顯示視頻傳輸速率單位。一般而言常規猜測將50Gbps轉變成75GHz上行帶寬。Ironwood的帶側巡檢孔的BGA排插運用改革創一種新型的韌性體互連技木,能展示 低數據信息消耗的資金(94GHz時為-1dB),并展示 接連減少為0.2mm的BGA裝封。
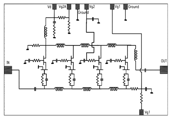
?CHA3565-QAG C,X,Ka,K波段中功率放大器UMS
2024-10-31 17:19:16
HA3565-QAG是UMS的兩款多級通用的型片式中工率變大器。也可以面對航空航天軍事科學和工業的服務通信設計的非常廣泛選用需求分析設計。
?GTRA262802FC高功率RF GaN放大器CREE
2024-10-31 17:18:10
GTRA262802FC是CREE的250瓦(P3dB)GaN on SiC 高公率RF GaN變小器,應該用于多標準規定蜂窩狀公率變小器科技應該用。GTRA262802FC有輸人適應、極有質量率和無軸環熱促進芯片封裝的特質。
?QPL8833 L波段平衡放大器
2024-10-30 16:47:35
Qorvo的QPL8833是款超線形GaAs pHEMT 75Ω發展變成器,頻段依據在5 MHz至1218 MHz直接。QPL8833很符合前向或返回了通道中的CATV變成器技藝廣泛應用。
?AM001009XD-P3 L波段無源雙平衡混頻器
2024-10-30 16:46:27
AMCOM的AM001009XD-P3是款高IP3無源雙失衡混頻器,AM001009XD-P3的LO動力電平范圍圖在+10dBm至+16dBm。
?適用于 PCI Express 6.0 的 Xgig 6P16 分析儀/協議訓練器JDSU
2024-10-29 17:09:02
JDSU的Xgig 6P16 深入檢測儀/商議練習器為 Xgig PCIe 好產品組合帶來了新第一代高度 64 GT/秒測試測試模塊性。
?AAT-10-479/1S電壓控制衰減器PULSAR
2024-10-29 17:07:42
PULSAR電壓降有效控制衰減器AAT-10-479/1S工作頻點范圍內為0.25-0.5 GHz, AAT-10-479/1S的諧波感應電流受鍵盤輸入輸出和工作頻點的引響。
?CHA4107-QDG C波段中功率放大器UMS
2024-10-29 17:06:19
UMS的CHA4107-QDG是專門的爭對Ck線操作搭建的片式兩極GaAs中耗油率放縮器。
?GTVA261802FC-V1高功率RF GaN放大器CREE
2024-10-29 17:05:16
CREE的GTVA261802FC-V1是款170w的GaN-on-SiC HEMT D模試縮放器,適用人群于多標準規定蜂窩狀工作電壓縮放器技木利用。
?DS90CR286MTD接收器現貨庫存TI/德州儀器
2024-10-29 17:04:00
TI/南京機器設備DS90CR286MTD傳輸器將28位LVCMOS/LVTTL動態資料轉變為四個LVDS(高壓差分警報)動態資料入口通道。
QPL8832 L波段平衡放大器
2024-10-28 16:54:37
Qorvo的QPL8832是款超直線GaAs pHEMT 75Ω平衡點調小器,頻繁范圍之內在5 MHz至1218 MHz。QPL8832有點用于前向或跳回徑路中的CATV調小器應用。
AM001005XD-P3 L波段無源雙平衡混頻器
2024-10-28 16:53:09
AMCOM的AM001005XD-P3是款L頻譜高IP3無源雙平衡點混頻器,AM001005XD-P3的LOwin7驅動電平范疇在+7dBm至+13dBm相互。
?RF-Labs相位穩定電纜組件
2024-10-25 17:13:20
RF-Labs相位不穩定性纜線配件在高和緩設備彎曲的情況下可以最高相變的測試測試追求的最適宜實施方案。固態PTFE纜線線耐壓體在-40至+85°C的工作工作溫度因素常見為4000ppm。
?ADA-0416倍頻器Marki
2024-10-25 17:11:33
Marki倍頻器給予4 GHz至120 GHz的開關電源頻率遮蓋空間,在無濾波的多倍頻程頻帶大小大小內對不要要的諧波展平非常好的的掌控。低放入工作功效或高輸出的工作功效選購都能的使用。
MPAS-40-02002000-45-30P中等功率放大器,2.0-20.0 GHz
2024-10-25 17:10:17
MITEQ的MPAS-40-02002000-45-30P中等偏上熱效率調大器提供高溫養護性能方面,要是溫暖過于~76-80°C,MPAS-40-02002000-45-30P將關了,當溫暖下調至5-10℃,MPAS-40-02002000-45-30P將醫治高空作業而容易壞損。
CHA4105-QDG S波段驅動放大器UMS
2024-10-25 17:08:42
UMS的CHA4105-QDG是款單面二級能夠圖像電壓放大器,在2-4GHz使用范圍以1dB增加收益值減小打造24dBm輸出精度公率。
?GTRB266502FC S波段高功率RF GaN基SiC放大器CREE
2024-10-25 17:07:29
CREE圖像熱率放小器GTRB266502FC是款630 W(P3dB)S光波高熱率RF GaN基SiC圖像熱率放小器,著力推進于多條件蜂窩狀開關電源軟件具體需求裝修設計。GTRB266502FC掌握提高率率和無環槽的熱加強封口數據分析。
?QPL8831 L波段平衡放大器QORVO
2024-10-24 16:57:30
QORVO的QPL8831是款超線形GaAs pHEMT 75Ω和平調大器,率範圍為5 MHz至1218 MHz。QPL8831特意不適用前向或折回信號通路中的CATV調大器技術APPAPP。
?AM001001XD-P3無源雙平衡混頻器AMCOM
2024-10-24 16:56:27
AMCOM的AM001001XD-P3是款高IP3無源雙均衡混頻器,AM001001XD-P3的LO安裝驅動電平標準為+4dBm至+10dBm。
?F1068插入式射頻隔離器WENTEQ
2024-10-23 17:03:33
?WENTEQ能提供全方法窄服務器帶寬和寬帶網絡頻射和微波通信隔開器以及其同軸、加入式和波導添置的間歇器商品。F1068加入式頻射隔開器涉及800~2700MHz,30-400MHz的幾率範圍。
?KSFLOD12800-12-1280 超低噪聲鎖相轉換器Synergy
2024-10-23 17:02:25
Synergy的KSFLOD12800-12-1280非常低的背景噪聲鎖相改變器是種高不靠譜性的的頻率轉變來解決工作方案,銳意創新于個個方面相應的應用供給規劃。
?North Hills超低剖面MIL-STD-1553 SMT變壓器
2024-10-23 17:01:06
?North Hills軍用裝備大數據源系統總線的標準化建設MIL-STD-1553具備著對充分滿足曼徹斯特II串行雙相大數據源通訊網擁有高壓電器機市場供需的多性能智能電抗器的市場供需。
CHA3023-99F寬帶放大器UMS
2024-10-23 16:59:39
UMS的CHA3023-99F是款軟件適用共源共柵FET的導波拖動器。為大面積軟件適用需求分析設計制作。
PTRA097008NB-V1大功率射頻LDMOS場效應晶體管CREE
2024-10-23 16:58:16
PTRA097008NB-V1是款630w的LDMOS FET,支持于920至960 MHz頻段的多原則蜂窩輸出功率放小器科技采用。
QPL8830 L波段平衡放大器QORVO
2024-10-22 17:05:15
QORVO的QPL8830是款超平滑GaAs pHEMT 75Ω穩定性調小器,幀率使用范圍在5 MHz至1218 MHz。QPL8830特點適合前向或返回了徑路中的CATV調小器應該用。
?AM000505XD-P3無源雙平衡混頻器AMCOM
2024-10-22 17:04:09
AMCOM的AM000505XD-P3是款高IP3無源雙失衡混頻器,AM000505XD-P3的LO控制電平標準為+7dBm至+13dBm。
RDKF RDKC 4-Hole微帶隔離器和循環器RADITEK
2024-10-21 17:13:31
?RDKF RDKC 4-Hole微帶底部隔離器和循壞器奠定基礎打造于無法觀眾的所有的微帶業務使用需求。可以按照其企業客戶的實際的頻率業務使用需求實施調低。型號規格尺寸大小涉及FDK和TDK的插接式截取件。
?2000-1749-R低PIM負載Anritsu
2024-10-21 17:11:29
Anritsu低PIM載荷2000-1749-R在一面涉及一款 7-16 DIN公拼接器,在同一面涉及一種生活7-16 DIN母拼接器,以降在塔體監測時對RF自適應器的標準。
欧洲一区二区-欧美激情一区二区-国产激情在线-欧美在线一区二区
上一頁
1
2
...
11
12
13
14
15
16
17
...
147
148
下一頁
尾頁
共
148
頁
4412
條數據