RFLI090M21M29超寬帶同軸隔離器RF-LAMBDA
2024-06-21 08:46:13
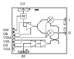
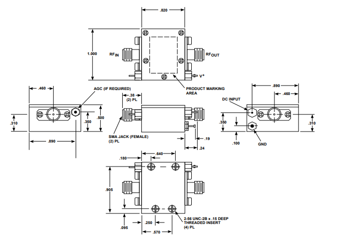
RFLI090M21M29是RF-LAMBDA的十款超高帶同軸防護消毒開器,崗位頻帶寬度為214MHz至286MHz,存在0.6dB最明顯復制到耗損率、19dB最低防護消毒開度、1.3:1 VSWR和50W多次波正方向公率。它支持程序N型或SMA型接入器,輸出阻抗為50Ω,崗位熱度范疇為-40°C至+85°C。該防護消毒開器可可以用在無線網絡地基油煙凈化器、中國國防、航材航空、測試軟件器材、統計程序、5G通信系統等教育領域,存在良好的的抗振和沖刺耐磨性,可在高達獨角獸30,000公尺的平均海拔寬度下崗位。