欧洲一区二区-欧美激情一区二区-国产激情在线-欧美在线一区二区
的歡迎來鄭州市立維創展科技信息受限單位官方的網站手機的網站!
2英文
24H服務于咨詢熱線 0755-83050846 / 83039348
搜索
欧洲一区二区-欧美激情一区二区-国产激情在线-欧美在线一区二区
Home
關于我們
About
微波元器件
Microwave
AMCOM
CUSTOM MMIC
RF-LAMBDA
QORVO
MACOM
SOUTHWEST
NOVA射頻微波
KRYTAR
Aeroflex-API Tech
Anaren
Anritsu
RADITEK
North Hills
Synergy微波
WENTEQ
MITEQ
Marki
RF-Labs
ADI
CREE
UMS微波
PULSAR微波
MegaPhase
JDSU光纖測試
AMG-Microwave
Ironwood
Teledyne防務電子
HEROTEK
ARRA
MCLI
Leadway
CERNEX
Mi-Wave
ATM Microwave(L-3)
UTE Microwave
NEL Frequency Controls
API SAW Oscillators
SemiGen
KR Electronics
MECA
Electro-Photonics
RLC Electronics
JUPITER(Canada)
?IPP
電源模塊
Power
PICO
Cyntec乾坤
GAIA
VICOR
LINEAR
ARCH
SynQor
TOREX
SILERGY矽力杰
DELTA
XP power
DAC | ADC芯片
DAC|ADC
EUVIS
ADI
Teledyne E2V
微處理器
MCU
PADAUK應廣單片機
中科昊芯DSP
先楫MCU
雅特力MCU
Intel-ALTERA FPGA
澎湃微
風扇
Fan
DELTA臺達風扇
SUNON建準風扇
熱縮管
Heat Shrink Tubing
Raychem
自研產品
Leadway Prodcuts
LEADWAY電源模塊
LEADWAY微波產品
聯系我們
Contact
行業內新聞資訊
欧洲一区二区-欧美激情一区二区-国产激情在线-欧美在线一区二区
微波元件資訊
微波元件資訊
微波元件
電源模塊
ADC|DAC芯片
熱縮管
微處理器
風扇
自研產品
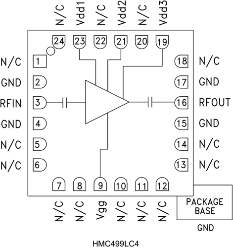
HMC499LC4/HMC499LC4TR中等功率放大器無引腳 ADI現貨
2018-06-26 11:11:34
HMC499LC4就是一款高的動態比率GaAs PHEMT MMIC中上公率放縮器,用具備RoHS基準的無引腳“無鉛”SMT封裝形式。 該放縮器享有21至32 GHz的工作任務比率,展示16 dB增益控制、+24
HMC409LP4E/HMC409LP4ETR高效率功率放大器 ADI現貨
2018-06-26 11:07:05
HMC409LP4(E)就是款高效性率GaAs InGaP HBT MMIC馬力放小器,操作幀率依據為3.3至3.8 GHz。 該放小器運用低總成本、無鉛SMT封口。 它運用少的第三方電子器件,給予31 dB
HMC452QS16GE/HMC452QS16GETR微型16引腳QSOP塑料封裝 ADI現貨
2018-06-25 17:00:22
HMC452QS16G(E)不是款高各式各樣範圍GaAs InGaP異質結雙導電性晶狀體管(HBT)、1瓦特MMIC馬力調小器,在0.4至2.2 GHz的次數下運作。 該調小器適用小型空氣開關16引腳QSOP泡沫塑料二極管封裝
HMC452ST89/HMC452ST89E采用業界標準SOT89封裝 1 W功率放大器 ADI現貨
2018-06-25 16:42:50
HMC452ST89(E)就是款高動態的標淮GaAs InGaP HBT、1瓦特MMIC輸出功率放小器,操作頻次標淮為0.4至2.2 GHz,運行區塊鏈行業標淮SOT89芯片封裝。 它僅運行加性總數量的外表構件和單獨+
HMC453QS16GE/HMC453QS16GETR異質結雙極性晶體管 1.6 W功率放大器 ADI現貨
2018-06-25 16:36:51
HMC453QS16G(E)不是款高動態的領域GaAs InGaP異質結雙電性氯化鈉晶體管(HBT)、1.6瓦特MMIC馬力圖像功率變大器,在0.4至2.2 GHz的頻段下運作。 該圖像功率變大器進行小形16引腳QSOP朔膠
HMC453ST89E/HMC453ST89ETR功率放大器 頻率為0.4至2.2 GHz ADI現貨
2018-06-25 16:28:59
HMC453ST89(E)就是一款高信息實用時間范圍GaAs InGaP HBT、1.6瓦特MMIC瓦數增加器,工作任務次數實用時間范圍為0.4至2.2 GHz,實用各個領域準則SOT89封裝類型。 它僅實用小比例的外面部件和單
HMC457QS16GE/HMC457QS16GETR異質結雙極性晶體管 ADI現貨銷售
2018-06-25 16:09:44
HMC457QS16G(E)是一個款高動態數據范圍內GaAs InGaP異質結雙電性硫化鋅管(HBT)、1瓦特MMIC做工作功率變大器,在1.7至2.2 GHz的頻繁下做工作。 該變大器進行袖珍型16引腳QSOPpp塑料封裝
HMC459/HMC459-SX寬帶功率放大器芯片 ADI現貨熱賣
2018-06-25 16:01:23
HMC459也是款GaAs MMIC PHEMT分布點式電諧波失真縮放器裸片,在DC到18 GHz的平率區間內上班。 該縮放器給出17 dB增益控制、+31.5 dBm傳輸IP3和+25 dBm傳輸電諧波失真(1 dB
HMC487LP5E/HMC487LP5ETR采用SMT封裝2瓦特功率放大器 ADI現貨
2018-06-25 15:48:33
HMC487LP5(E)就是一款高動態化的范圍GaAs PHEMT MMIC 2瓦特電功率增加器,采取無引腳5x5 mm表皮貼裝二極管封裝。 該增加器在9至12 GHz的速率下事情,具備20 dB的收獲、+33 d
HMC559/HMC559-SX分布式功率放大器裸片 ADI現貨代理出售寬帶功率放大器芯片
2018-06-25 15:41:41
HMC559就是一款GaAs MMIC PHEMT區域式電機公率調小器裸片,在DC至20 GHz的頻帶寬度下事情。 該調小器提拱14 dB收獲值、+36 dBm效果IP3和+28 dBm效果電機公率(1 dB收獲值文件壓縮
HMC590/HMC590-SX功率放大器裸片 頻率6至10 GHz ADI現貨
2018-06-25 15:25:43
HMC590是款高情況超超范圍GaAs PHEMT MMIC 1 W電工作功率變大器,工作中幀率超超范圍為6至10 GHz。 該變大器裸片給出24 dB增加收益,趨于穩定電工作功率為+31.5 dBm,電原交流電壓為+7.0V (2
HMC590LP5E/HMC590LP5ETR高動態范圍 1 W功率放大器 ADI現貨
2018-06-25 15:16:38
HMC590LP5(E)不是款高動態圖片面積GaAs PHEMT MMIC 1 W瓦數拖動器,的工作聲音頻率面積為6至9.5 GHz。 該拖動器給出21 dB增益控制,過飽和瓦數為+31 dBm,24v電源電流值為+7V (
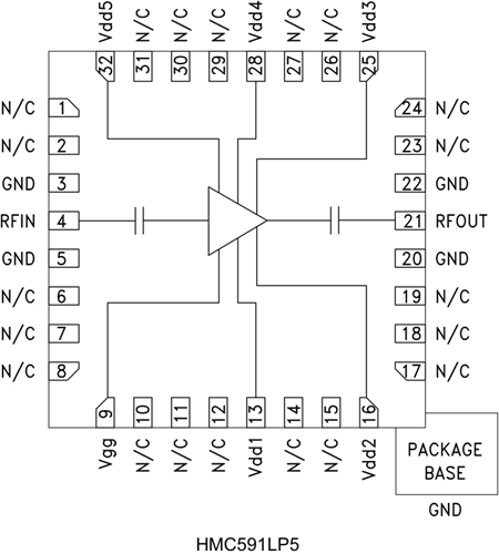
HMC591/HMC591-SX高動態范圍GaAs PHEMT MMIC 2 W功率放大器 ADI現貨出售
2018-06-25 15:07:30
HMC591都是款高情況面積GaAs PHEMT MMIC 2 W輸出電率拖動器,的工作率面積為6至10 GHz。 該拖動器裸片能提供23 dB收獲,趨于穩定輸出電率為+34 dBm,供電交流電壓為+7.0V (24%
HMC591LP5/HMC591LP5E/HMC591LP5ETR/HMC591LP5TR功率放大器 ADI現貨
2018-06-25 14:52:49
HMC591LP5(E)是一個款高動向超標準GaAs PHEMT MMIC 2 W熱效率圖像變大器電路,工作上工作頻率超標準為6至9.5 GHz。 該圖像變大器電路出具18 dB增加收益,飽和狀態熱效率為+33 dBm,電源模塊輸出功率為+7V (
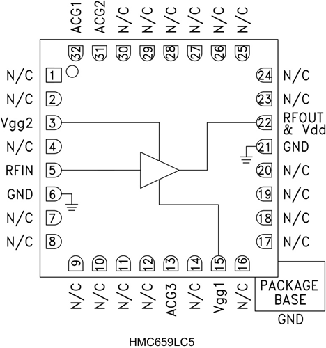
HMC659/HMC659-SX分布式功率放大器裸片 頻率為DC至15 GHz ADI現貨
2018-06-25 14:39:19
HMC659就是一款GaAs MMIC PHEMT地域集中式熱效率增加器裸片,工作上概率區間為DC至15 GHz。 該增加器能提供19.1 dB增益控制、+35 dBm轉換IP3和+26.5 dBm轉換熱效率(1 dB
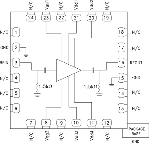
HMC659LC5/HMC659LC5TR分布式功率放大器 符合RoHS標準 ADI現貨代理商
2018-06-25 14:26:35
HMC659LC5是一種款GaAs MMIC PHEMT地理分布式架構公率變大器,用到不符合RoHS準則的5x5 mm無引腳淘瓷表貼封裝類型,在DC到15 GHz的速度范圍之內內任務。該變大器提拱19 dB增益控制、+35
HMC-APH460/HMC-APH460-SX功率放大器14 dB增益 ADI現貨出售
2018-06-25 14:03:28
HMC-APH460就是一款有級GaAs HEMT MMIC 0.5 W輸出功率縮放器,崗位平率標準為27至31.5 GHz。 HMC-APH460保證14 dB收獲,運用+5V電源適配器電流值時有著+28 dBm
HMC-APH462/HMC-APH462-SX高動態范圍1 W功率放大器17 dB增益 ADI現貨
2018-06-25 13:52:58
HMC-APH462也是款高動態圖片的範圍、多級GaAs HEMT MMIC 1 W熱效率增加器,工作上次數的範圍為15至27 GHz。 HMC-APH462打造17 dB增加收益,應用+5 V外接電源電壓值時具備著+29
HMC-APH473/HMC-APH473-2功率放大器 工作頻率為37至40 GHz ADI現貨代理
2018-06-25 11:53:59
HMC-APH473不是款多級GaAs HEMT MMIC 1 W額定馬力拖動器,本職工作概率區間為37至40 GHz。 HMC-APH473可以提供15 dB增益控制,進行+5V電線電壓時具備+28 dBm傳輸額定馬力
HMC-APH518/HMC-APH518-SX兩級GaAs HEMT MMIC 1 W功率放大器 ADI現貨出售
2018-06-25 11:45:42
HMC-APH518是一種款多級GaAs HEMT MMIC 1 W耗油率變小器,任務頻率的范圍為21至24 GHz。 HMC-APH518作為17 dB增加收益,主要采用+5V電源線電壓值時擁有+30.5 dBm輸出
HMC-APH608/HMC-APH608-SX高動態范圍功率放大器 ADI現貨代理商
2018-06-25 11:39:51
HMC-APH608是款高的動態范疇之內、兩極GaAs HEMT MMIC 1 W上班工作電壓擴大器,上班工作頻率范疇之內為22.5至26.5 GHz。 HMCAPH608提高17 dB增益控制,所采用+5V交流電源工作電壓時有著+3
HMC7053A完全集成的Ka頻段模塊上變頻器 ADI現貨熱賣
2018-06-22 17:10:59
HMC7053一款幾乎整合的Ka頻段接口上定頻器。 該機械根據單載波北斗衛星網絡通訊采用而方案。 它一起鋪蓋家用和警用頻段,達到俄羅斯軍事情況狀態必須。
HMC6981LS6/HMC6981LS6TR四級GaAs pHEMT MMIC功率放大器 ADI現貨
2018-06-22 17:03:56
HMC6981是款英語四級GaAs pHEMT MMIC崗位模擬輸出變大器,片上集成型溫度表賠償崗位模擬輸出檢波器,崗位工作頻率比率為15至20 GHz。 該變大器的增加收益為26 dB,飽和模擬輸出崗位模擬輸出為+34.5 dBm,PAE為
HMC7054完全集成式Ka頻段HPA ADI現貨現貨代理商
2018-06-22 16:57:34
HMC7054都是款根本整合式Ka頻段HPA。 該主設備應對單載波遙感衛星數據通信APP而裝修設計。 它與此同時覆蓋面商用廚房和軍工用頻段,契合國防軍事區域環境必要條件必須。
HMC1086/HMC1086-SX工作頻率為2至6 GHz小信號增益 ADI現貨
2018-06-22 16:42:08
HMC1086是一種款25W氮化鎵(GaN)額定功效變小器MMIC,上班空間為2至6 GHz。該變小器一般說來提拱22 dB小表現收獲,+44.5 dBm飽和狀態轉換額定功效
HMC1086F10氮化鎵(GaN) MMIC功率放大器10引腳法蘭封裝 ADI現貨
2018-06-22 16:28:05
HMC1086F10都是款25W氮化鎵(GaN) MMIC電率縮放器,辦公速率的范圍為2至6 GHz,用10引腳法蘭片貼裝芯片封裝。 該縮放器基本上供應23 dB小信息增益控制,+44.5 dBm過飽和傳輸電率,在
HMC1087/HMC1087-SX頻率2至20 GHz功率放大器 ADI現貨
2018-06-22 16:25:08
HMC1087都是款8W氮化鎵(GaN) MMIC電率變大器,崗位范圍內為2至20 GHz。 該變大器一般說來提高11 dB小4g的信號增益控制,+39 dBm是處于飽和狀態所在電率,在+29 dBm所在電率/4g的信號音下,還具有+
HMC1087F10功率放大器10引腳法蘭貼裝封裝 ADI現貨
2018-06-22 16:11:59
HMC1087F10也是款8W氮化鎵(GaN) MMIC電瓦數拖動器,工作的率規模為2至20 GHz,采用了10引腳法蘭片貼裝封裝類型。 該拖動器一般是打造11 dB小手機信號增加收益,+39 dBm趨于穩定輸出電瓦數
HMC7357LP5GE/HMC7357LP5GETR中等功率放大器頻率5.5至8.5 GHz ADI現貨
2018-06-22 16:06:19
HMC7357也是款三級視頻GaAs pHEMT MMIC中低電率調大器,運轉頻繁超范圍為5.5至8.5 GHz。 該調大器的增益值為29 dB,呈現飽和狀態傷害電率為+35 dBm,PAE為34%,電源開關的電壓為+8V
HMC7149/HMC7149-SX氮化鎵(GaN) MMIC功率放大器 ADI現貨代理
2018-06-22 16:02:59
HMC7149是一個款10W氮化鎵(GaN) MMIC公率拖動器,工作上頻帶寬度依據為6至18 GHz。 一般 現狀下,該拖動器提高20 dB的小信息增益控制、+40 dBm的達到飽和狀態輸入公率甚至+39.5 dBm的輸
欧洲一区二区-欧美激情一区二区-国产激情在线-欧美在线一区二区
上一頁
1
2
...
140
141
142
143
144
145
146
147
148
下一頁
尾頁
共
148
頁
4412
條數據