欧洲一区二区-欧美激情一区二区-国产激情在线-欧美在线一区二区
歡迎大家來河南市立維創展社會有限的公司的正式網站建設!
中文版
24H的服務電話 0755-83050846 / 83039348
搜索
欧洲一区二区-欧美激情一区二区-国产激情在线-欧美在线一区二区
Home
關于我們
About
微波元器件
Microwave
AMCOM
CUSTOM MMIC
RF-LAMBDA
QORVO
MACOM
SOUTHWEST
NOVA射頻微波
KRYTAR
Aeroflex-API Tech
Anaren
Anritsu
RADITEK
North Hills
Synergy微波
WENTEQ
MITEQ
Marki
RF-Labs
ADI
CREE
UMS微波
PULSAR微波
MegaPhase
JDSU光纖測試
AMG-Microwave
Ironwood
Teledyne防務電子
HEROTEK
ARRA
MCLI
Leadway
CERNEX
Mi-Wave
ATM Microwave(L-3)
UTE Microwave
NEL Frequency Controls
API SAW Oscillators
SemiGen
KR Electronics
MECA
Electro-Photonics
RLC Electronics
JUPITER(Canada)
?IPP
電源模塊
Power
PICO
Cyntec乾坤
GAIA
VICOR
LINEAR
ARCH
SynQor
TOREX
SILERGY矽力杰
DELTA
XP power
DAC | ADC芯片
DAC|ADC
EUVIS
ADI
Teledyne E2V
微處理器
MCU
PADAUK應廣單片機
中科昊芯DSP
先楫MCU
雅特力MCU
Intel-ALTERA FPGA
澎湃微
風扇
Fan
DELTA臺達風扇
SUNON建準風扇
熱縮管
Heat Shrink Tubing
Raychem
自研產品
Leadway Prodcuts
LEADWAY電源模塊
LEADWAY微波產品
聯系我們
Contact
行業中信息資訊
欧洲一区二区-欧美激情一区二区-国产激情在线-欧美在线一区二区
微波元件資訊
微波元件資訊
微波元件
電源模塊
ADC|DAC芯片
熱縮管
微處理器
風扇
自研產品
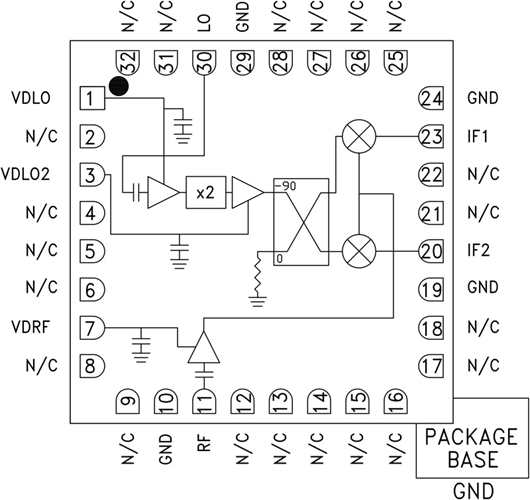
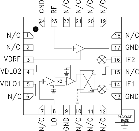
HMC264LM3/HMC264LM3TR微波集成LO放大器混頻器 ADI現貨
2018-07-06 16:16:06
HMC264LM3也是款模塊化LO拖動器的20 - 30 GHz表貼次諧波(x2) MMIC混頻器,利用SMT無引腳電子器件平臺封裝形式。 在25至35 dB時,2LO至RF隔開性能方面優異,不可三倍濾波。 LO拖動器利用單偏置(+3V至+4V)冷凝機組開發,僅需-4 dBm的能夠。
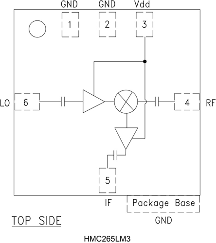
HMC265LM3/HMC265LM3TR點對點無線電下變頻器 ADI現貨
2018-07-06 15:50:11
HMC265LM3也是款融合LO和IF調大器的20 - 31 GHz表貼次諧波(x2) MMIC混頻器下伺服驅動器器,應用SMT無引腳集成電路芯片媒介封裝類型。 在28至47 dB時,2LO至RF和IF屏蔽安全性能突出,不用再增加濾波。
HMC337/HMC337-SX微波無線電混頻器芯片 ADI現貨
2018-07-06 15:47:43
HMC337電子器件一款集成型LO調小器的次諧波(x2) MMIC混頻器,需用作上直流三菱調頻器或下直流三菱調頻器。 該電子器件利用GaAs PHEMT科技,電子器件整體結構空間為1.28mm2。 2 LO至RF底部隔離效果精湛,需不需要另外濾波。
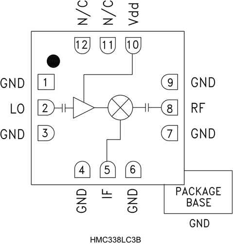
HMC338LC3B/HMC338LC3BTR軍用集成LO混頻器 ADI現貨
2018-07-06 15:36:46
HMC338LC3B就是一款集成系統LO圖像電壓放縮器的24 - 34 GHz次諧波(x2) MMIC混頻器,分為達到RoHS準則的無引腳SMT裝封。 在30 dB時,2LO至RF防曬隔離霜功能漂亮,不必增加濾波。 LO圖像電壓放縮器分為單偏置(+3V到+4V)設置,需-5 dBm的標稱安裝驅動
HMC339/HMC339-S放大器X芯片次諧波混頻器 ADI現貨
2018-07-06 13:54:32
HMC339心片是款集成系統LO變成器的次諧波(x2) MMIC混頻器,也可以作上變頻式柜器或下變頻式柜器。 該心片回收利用GaAs PHEMT枝術,心片整體結構占地面積為1.07mm2。 2LO至RF要進行隔離效能不錯,不能自己格外濾波。 LO變成器運用單偏置(+3V至+4V)冷凝機組裝修設計,僅需+2 dBm的標稱推動。
HMC404/HMC404-SX集成LO放大器芯片 ADI現貨
2018-07-06 13:51:03
HMC404電源集成塊就是一款集成式LO放縮器的次諧波(x2) MMICiso鏡象可壓制混頻器,要用作上交流三菱調頻器或下交流三菱調頻器。 該電源集成塊使用GaAs PHEMT工藝,電源集成塊總布局范圍為2.31mm2。 片內90°分層電子元器件提供數據精湛的震幅和相位取舍特性,iso鏡象可壓制大過22 dB。
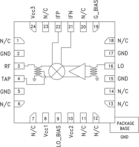
HMC689LP4E/HMC689LP4ETR基站和中繼器混頻器 ADI現貨
2018-07-05 11:45:09
HMC689LP4(E)是一種款高gif動態使用范圍無源MMIC混頻器,集合LO放小器,選取4x4 SMT QFN芯片封裝,事業工作頻率為2.0 - 2.7 GHz。 LO驅動安裝為0 dBm時,3G和4G GSM/CDMA廣泛應用都可以兌換+32 dBm的好品質顯示IP3下調頻耐熱性。
HMC685LP4E/HMC685LP4ETR高動態范圍集成LO放大器 ADI現貨
2018-07-05 11:41:27
HMC685LP4(E)是一個款高動圖時間范圍無源MMIC混頻器,集成系統LO調小器,選取4x4 SMT QFN芯片封裝,的工作的頻率為1.7 - 2.2 GHz。 LO驅動器為0 dBm時,3G和4G GSM/CDMA用需要刷出+32 dBm的精湛鍵入IP3下調頻效能。 選取1 dB (+27 dBm)縮減時,RF服務器端口使用不同鍵入手機信號電平
HMC683LP6CE/HMC683LP6CETR高通道隔離雙通道下變頻器 ADI現貨
2018-07-05 11:08:07
HMC683LP6C(E)有的是款高非線性度、雙檢修通道下直流變頻器空調器,ibmsLO增加器,選用6x6 SMT QFN封口,事業率為0.7 - 1.0 GHz。 LO驅使為0 dBm時,3G和4G GSM/CDMA應用領域需要可以獲得+23 dBm的出眾錄入IP3下直流變頻器空調性。
HMC682LP6CE/HMC682LP6CETR高線性度下變頻器 ADI現貨
2018-07-05 10:57:04
HMC682LP6C(E)有的是款高平滑度、雙節點下伺服驅動程序器器,結合LO變小器,選擇6x6 SMT QFN封裝類型,做工作頻段為1.7 - 2.2 GHz。 該元件造成3G和4G GSM/CDMA用出具+25 dBm的精湛發送IP3機械性能以做下伺服驅動程序器,LO驅動程序為0 dBm。
HMC666LP4E/HMC666LP4ETR高動態范圍無源MMIC混頻器 ADI現貨
2018-07-05 10:48:57
HMC666LP4(E)一款高動態數據區域無源MMIC混頻器,融合LO增加器,所采用4x4 SMT QFN封口,工作任務幾率為3.1 - 3.9 GHz。 HMC666LP4(E)與HMC688LP4(E)引腳兼容,后面一款2.0 - 2.7 GHz混頻器,融合LO增加器。
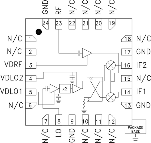
HMC786LP4E/HMC786LP4ETR集成LO放大器混頻器 ADI現貨
2018-07-05 10:41:08
HMC786LP4E是一種款一體化LO增加器的高新動態範圍無源MMIC混頻器,選擇4x4 SMT QFN封裝類型,業務頻點範圍為0.7至1.1 GHz。 LO驅程為0 dBm時,3G和4G GSM/CDMAAPP兼備+40 dBm的卓越輸入IP3下交流變頻功效。
HMC785LP4E/HMC785LP4ETR無源MMIC混頻器 ADI現貨 蜂窩集成LO放大器
2018-07-05 10:33:34
HMC785LP4E是一個款集成化LO縮放器的高信息標準無源MMIC混頻器,選擇4x4 SMT QFN封裝形式,事業頻帶寬度標準為1.7至2.2 GHz。 LO驅動器為0 dBm時,3G和4G GSM/CDMA適用有著+38 dBm的漂亮填寫IP3下直流變頻空調耐熱性。
HMC218BMS8GE/HMC218BMS8GETR固定無線超小型雙平衡混頻器 ADI現貨
2018-07-05 10:28:14
HMC218BMS8GE一款超超小型雙平橫混頻器,主要包括8引腳表貼塑裝封(MSOP)。 無源MMIC混頻器主要包括GaAs Schottky肖特基二極管和新奇的立體圖配電變壓器片內巴倫組成。 該集成電路芯片能用作上定頻器、下定頻器、雙相幅度調制器/解調器或相位相當器。
HMC773ALC3B/HMC773ALC3BTR無引腳雙平衡混頻器6 GHz至26 GHz ADI現貨
2018-07-05 10:18:06
HMC773A是一個款專用型型雙穩定性混頻器,選取無引腳、RoHS兼容型LCC裝封,也可以作6 GHz至26 GHz區間內的上直流伺服驅動器或下直流伺服驅動器。此混頻器需外表元器件或輸入用電線路。
HMC412BMS8GE/HMC412BMS8GETR微波無線電被動雙平衡混頻器 ADI現貨
2018-07-05 10:10:24
HMC412BMS8GE是一種個真實傷害雙發展混頻器,崗位在8至16千兆赫。HMC412BMS8GE與LOwin7驅動電平在9至15 dBm相互之間崗位,并在某個同一頻段上給予8 dB的轉為耗用。各種混頻器不要外表器件或偏置。
HMC558ALC3B/HMC558ALC3BTR通用型雙平衡混頻器 ADI現貨
2018-07-05 09:36:42
HMC558ALC3B是款專用型雙平穩混頻器,適用無引腳RoHS兼容型SMT芯片封裝,需用作5.5至14 GHz使用范圍內的上變頻式柜器或下變頻式柜器。一款混頻器適用GaAs MESFET加工打造,不可外鏈構件或輸入電源電路。
HMC219BMS8GE/HMC219BMS8GETR超小型通用雙平衡混頻器 ADI現貨
2018-07-05 09:34:31
HMC219B就是款超長安全自動適用雙失衡混頻器,應用8引腳超長安全自動金屬制表貼存儲芯片封裝,帶露出焊盤(MINI_SO_EP)。該無源單存儲芯片紅外光整合線路(MMIC)混頻器應用砷化鎵(GaAs)金屬制光電器件場效用多晶體管(MESFET)技術生產,不須外觀元器件封裝或配對線路。
HMC220BMS8GE/HMC220BMS8GETR微波小型雙平衡混頻器 ADI現貨
2018-07-05 09:22:49
HMC220B就是個超小型,雙發展混頻器在是一個8引腳迷爾小形壯裝封與露出墊(Mini SosiEP)。這一主要的單面紅外光結合三極管(MMIC)混頻器由砷化鎵(GaAs)肖特基電子元器件大家庭中的一員-二極管富強面干式變壓器Baluns分為。
HMC129ALC4/HMC129ALC4TR雙平衡單芯片混頻器 ADI現貨代理商
2018-07-04 10:29:57
HMC129ALC4一款常用型雙平衡點單存儲芯片微波通信模塊化電路板(MMIC)混頻器,用于符合國家RoHS標準化的無引腳無鉛LCC封口,在4 GHz至8 GHz做工作頻段內常用作上變頻器或下變頻器。HMC129ALC4十分適合須得小寸尺,不同直流電偏置和不穩定性IC耐腐蝕性的技術應用。
HMC292ALC3B/HMC292ALC3BTR雙平衡混頻器 ADI現貨
2018-07-04 10:17:29
HMC292ALC3B都是款通用的型雙和平單電源芯片徽波集成型電線(MMIC)混頻器,選擇契合RoHS的標準的無引腳無鉛LCC裝封,在14 GHz至30 GHz幀率范圍之內內能用的 作上變頻器或下變頻器。HMC292ALC3B很適所需小寸尺,需不需要電流偏置和平衡IC耐腐蝕性的應用軟件。
HMC6146BLC5A/HMC6146BLC5ATR無線電可變增益上變頻器 ADI現貨
2018-07-04 10:06:39
HMC6146BLC5A是一個款緊密型GaAs MMIC I/Q可變氣門正時氣門正時收獲值上交流伺服,通過無引腳RoHS兼容型SMT打包封裝。 該元器件打造12 dB小電磁波轉換成收獲值,存在25 dBc邊帶調控和17 db收獲值抑制。 HMC 6146BLC5A通過RF可變氣門正時氣門正時收獲值擴大器,
HMC6787ALC5A/HMC6787ALC5ATR可變增益上變頻器 ADI現貨代理商
2018-07-04 09:54:45
HMC6787ALC5A是一種款緊奏型型GaAs MMIC I/Q可調性收獲上調頻器,選擇無引腳RoHS兼容型SMT裝封。 該電子元器件能提供11 dB小數據信息轉變成收獲,具有著17 dBc邊帶調節和13 dB收獲設定。 HMC6787ALC5A選擇RF可調性收獲調大器,在其前幾天為一名I/Q混頻器,LO由X2倍頻器驅動程序。
HMC7911LP5E/HMC7911LP5ETR衛星通信上變頻器 ADI現貨熱銷
2018-07-04 09:50:28
HMC7911LP5E不是款緊湊suv型GaAs MMIC I/Q上直流變頻空調器,用到契合RoHS細則的低承載力肌內注射澆注塑料件SMT封口。 該元器件給予14 dB的小電磁波轉化成增益控制和25 dBc的邊帶遏制功效。 HMC7911LP5E用到RF放小器事情,前接由控制放小器控制LO的I/Q混頻器。
HMC7912LP5E/HMC7912LP5ETR軍用雷達上變頻器 ADI現貨
2018-07-04 09:24:31
HMC7912LP5E是款緊身型GaAs MMIC I/Q上變頻柜器,選用契合RoHS標的低地應力填充制作朔膠SMT封裝。 該電子器件作為14 dB的小走勢準換收獲和18 dBc的邊帶能夠抑制功能。 HMC7912LP5E選用RF變小器工作的,前接由驅動器軟件變小器驅動器軟件LO的I/Q混頻器。
HMC6505ALC5/HMC6505ALC5TR微波單片集成電路升頻器 ADI現貨
2018-07-04 09:15:14
HMC6505A 是一個款通過兼容 RoHS 的封口的寬敞型砷化鎵 (GaAs)、贗晶高電子為了滿足電子時代發展的需求,遷徙率晶狀體管 (pHEMT)、微波加熱單支智能家居控制集成運放 (MMIC) 升頻器,工作上平率時間范圍為 5.5 GHz 至 8.6 GHz。此電子元件提供了 15 dB 的小手機信號改變增加收益,及 22 dBc 的邊帶克制。
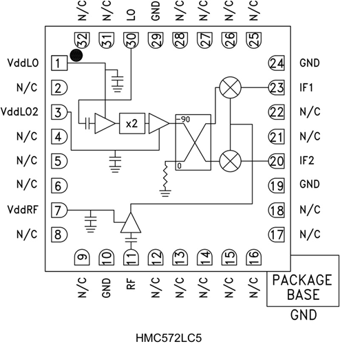
HMC572LC5/HMC572LC5TR雷達系統MMIC I/Q下變頻器 ADI現貨
2018-07-03 13:48:22
HMC572LC5就是款家用suv型GaAs MMIC I/Q下變頻柜器,主要采用非常符合RoHS標準規定的無引腳SMT封口。 該功率器件在一個頻段標準內提供數據8 dB的小4g信號轉換成增益值、3.5 dB的環境噪聲比率和18 dB的系統鏡像調控功能。
HMC904LC5/HMC904LC5TR無線電下變頻器 ADI現貨代理商
2018-07-03 13:45:37
HMC904LC5一款緊身型GaAs MMIC I/Q下調頻器,選用符合國家RoHS標準規定的無引腳SMT封裝形式。 該功率器件供應12 dB的小警報換算收獲、3 dB的噪音污染比率,并在頻段標準內供應30 dB的映射壓制特點。
HMC967LP4E/HMC967LP4ETR衛星通信變頻器 ADI現貨
2018-07-03 10:49:29
HMC967LP4E一款省油的suv型GaAs MMIC I/Q下變頻式器,用于不符合RoHS的標準的無引腳SMT封口。 該功率器件出具15 dB的小數據信息互轉增益控制、2.5 dB的的噪音常數,并在頻段范圍內內出具25 dBc的系統鏡像系統遏制耐熱性。 HMC967LP4E用于LNA,后接由有源x2倍頻器推動的系統鏡像系統遏制混頻器。
HMC977LP4E/HMC977LP4ETR軍用雷達下變頻器 ADI現貨
2018-07-03 10:41:21
HMC977LP4E有的是款狹窄型GaAs MMIC I/Q下軟啟動器器,應用滿足RoHS要求的無引腳SMT封口。 該元器件帶來了14 dB的小數據改換增加收益、2.7 dB的躁音比率和21 dBc的系統鏡像系統促使性耐熱性。 HMC977LP4E應用LNA,后接由有源x2倍頻器能夠的系統鏡像系統促使性混頻器。
欧洲一区二区-欧美激情一区二区-国产激情在线-欧美在线一区二区
上一頁
1
2
...
138
139
140
141
142
143
144
...
147
148
下一頁
尾頁
共
148
頁
4412
條數據