欧洲一区二区-欧美激情一区二区-国产激情在线-欧美在线一区二区
歡迎圖片來長沙市立維創展科持有限制的工廠管方網!
英文版
24H安全服務咨詢熱線 0755-83050846 / 83039348
搜索
欧洲一区二区-欧美激情一区二区-国产激情在线-欧美在线一区二区
Home
關于我們
About
微波元器件
Microwave
AMCOM
CUSTOM MMIC
RF-LAMBDA
QORVO
MACOM
SOUTHWEST
NOVA射頻微波
KRYTAR
Aeroflex-API Tech
Anaren
Anritsu
RADITEK
North Hills
Synergy微波
WENTEQ
MITEQ
Marki
RF-Labs
ADI
CREE
UMS微波
PULSAR微波
MegaPhase
JDSU光纖測試
AMG-Microwave
Ironwood
Teledyne防務電子
HEROTEK
ARRA
MCLI
Leadway
CERNEX
Mi-Wave
ATM Microwave(L-3)
UTE Microwave
NEL Frequency Controls
API SAW Oscillators
SemiGen
KR Electronics
MECA
Electro-Photonics
RLC Electronics
JUPITER(Canada)
?IPP
電源模塊
Power
PICO
Cyntec乾坤
GAIA
VICOR
LINEAR
ARCH
SynQor
TOREX
SILERGY矽力杰
DELTA
XP power
DAC | ADC芯片
DAC|ADC
EUVIS
ADI
Teledyne E2V
微處理器
MCU
PADAUK應廣單片機
中科昊芯DSP
先楫MCU
雅特力MCU
Intel-ALTERA FPGA
澎湃微
風扇
Fan
DELTA臺達風扇
SUNON建準風扇
熱縮管
Heat Shrink Tubing
Raychem
自研產品
Leadway Prodcuts
LEADWAY電源模塊
LEADWAY微波產品
聯系我們
Contact
職業信息
欧洲一区二区-欧美激情一区二区-国产激情在线-欧美在线一区二区
電源模塊資訊
電源模塊資訊
微波元件
電源模塊
ADC|DAC芯片
熱縮管
微處理器
風扇
自研產品
?MPN541382-PV電源模塊替代VTM48EH015T050A00
2023-10-09 16:46:09
市場上推介的臺達公司Cyntec的M block 電源線控制模塊軟件MPN541382-PV,可不可以使用正負符號2中接線圖方式,供應可以達到1000w電動機扭矩耗油率,而封裝空間僅2.8*17.3*7.7mm 。
?MUN12AD03-SECM輸入輸出Cyntec
2023-10-07 16:47:55
MUN12AD03-SECM應接上低交流活動電位差和高電感的觸點開關24v電源,但其中層面電感會印象到MUN12AD03-SECM體系軟件的不穩可靠性。填寫電感器需要盡也許 更加接近MUN12AD03-SECM的填寫管腳,以最大的可能地變少填寫紋波電阻并維持MUN12AD03-SECM體系軟件的不穩可靠性。
?DELTA電源管理領導者
2023-09-27 16:46:30
DELTA?臺達創立者于197一年,平臺品牌總部坐落在悉尼,提高歐洲外接電源工作管理和一系列冷卻應對運輸設計。依靠著商家新技術全新、源源不斷改善過程中科技創新裝置和優異測試軟件裝置,DELTA臺達不斷吸引人才更高吸收率、干凈環保、安全保障正規的物品和應對運輸設計。
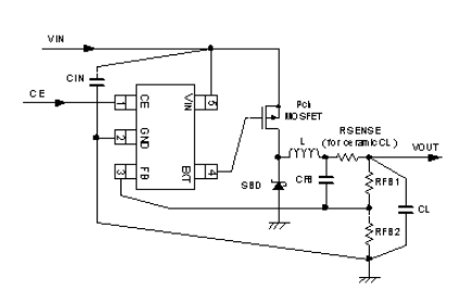
?XC9236系列降壓DC/DC轉換器TOREX
2023-09-22 16:36:26
TOREX?的XC9236型號都可以適用瓷片電阻,鑲入0.42ΩPchMOS帶動多晶胞管及0.52ΩNchMOS改換開關多晶胞管的發送到整流型DC/DC改換器。
?MPN541382-PV電源模塊替代VTM48EF015T115A00
2023-09-20 16:44:42
VTM48EF015T115A00還具有高效、性價比最高(>94%)正弦討論電討論電波幅改變器?(SAC?)從26到55Vdc的主數據信息系統總線施用并打造隔離霜輸出電壓。正弦討論電討論電波幅改變器應具較低討論抗阻達到大有些河流下游操縱器的頻寬參數
?MMN12AD01-SG回流參數Cyntec
2023-09-18 16:50:24
Cyntec?的MMN12AD01-SG無鉛悍接技藝枝術是智能電子機械產生制造出的要求。Sn/Ag、Sn/Ag/Cu和Sn/Ag/Bi等焊料鋁鎳鋼廣應運于充當民俗的Sn/Pb鋁鎳鋼。
?HPD Single系列和HPD Dual系列高功率DC-DC轉換器PICO
2023-09-14 16:36:03
PICO? HPD編高耗油率DC-DC改換器容忍200-380VDC的寬錄入電阻,時能維持不穩定性的輸出。HPD編高耗油率DC-DC改換器應具全定位的過電阻、過溫和性持續性過流防護結構性性。
?XC9235降壓DC/DC轉換器TOREX
2023-09-12 16:44:13
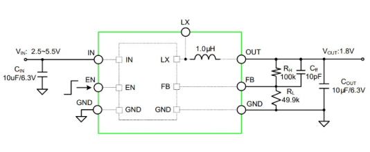
TOREX?的XC9235系統可能用瓷磚電解電不銹鋼容器,嵌到0.42ΩPchMOS動力晶狀體管及0.52ΩNchMOS旋轉開關晶狀體管的導入整流型DC/DC互轉器。工做額定電壓面積2.0V~6.0V(A~C系統),1.8V~6.0V(D~G系統)。
?MPN541382-PV電源模塊替代VTM48EF012T130A00
2023-09-08 16:34:17
VTM48EF012T130A00出具這種簡單的的方式方法來鑒定報告格式Vicor VTM工作電流增漲器的好產品效能。所有的的鑒定報告格式板都主要包括電原排插,有益于于融入和退出通孔元件和拖鏈電纜電線。
?MMN12AD01-SG負載瞬態與熱注意事項
2023-09-06 16:47:11
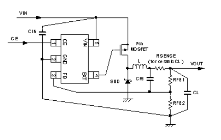
Cyntec?的MMN12AD01-SG集合化補賞元器件,因此體現樣板工程的保持穩定量分析和速度快的瞬態回復。在些采用軟件上,在Vout和FB之間增添100pF陶瓷圖片帽并能進這一步推進項目建設負荷瞬態回復,因此 建意做為擁有大負荷瞬態頻移需求量技術設備的采用軟件。
?HPC系列高功率DC-DC轉換器PICO
2023-09-04 16:40:26
PICO? HPC國產高電率DC-DC轉化器可以100-180VDC的寬導入電流值,同時穩定平橫的切換。HPC國產高電率DC-DC轉化器必備全東南方向的過電流值、過溫柔繼續過流保護耐腐蝕性。
?XC9224系列降壓DC/DC轉換器TOREX
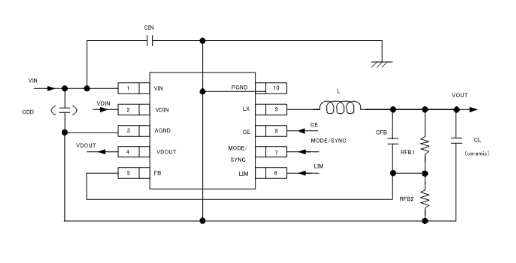
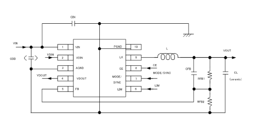
2023-08-30 16:39:49
TOREX?的XC9224題材同樣整流穩壓DC/DC切換器,增加了0.21Ω(TYP.)P內孔動力三級管和同樣整流0.23Ω(TYP.)N內孔按鈕開關元器件。在縮減嵌入三級管的通斷性質電阻值,需要得到高效果率,相對比較可靠的,高至1.0A的功率量。
?VICOR小型貼片式電源模塊PI3526-00替代方案
2023-08-28 16:54:46
MPN541382-PV小球體積緊促芯片封裝,出眾的散熱管因素,或者價格更低,高水準利用率。
?MUN3C1HR6-FB熱注意事項與回流參數Cyntec
2023-08-24 16:48:53
MUN3C1HR6-FB?是完好的交流電-交流電電源適配器模快,不必須增加的異常配件。所以的熱測試測試狀態均確認JEDECEIJ/JESD51正規。這樣,MUN3C1HR6-FB長寬比為30mm×30mm×1.6mm,共4層。
?HPB Single系列和 HPB Dual系列直流-直流轉換器PICO
2023-08-22 16:54:37
PICO? HPB產品表高工作的輸出功率DC-DC裝換器支撐36-72VDC的寬導入的輸出功率,此外維持靜態平衡的效果。HPB產品表高工作的輸出功率DC-DC裝換器享有全座向的過的輸出功率、過溫柔快速短路保護措施耐磨性。
XC9223降壓DC/DC轉換器TOREX
2023-08-16 16:48:58
TOREX?的XC9223國產是導入整流穩壓DC/DC切換器,XC9223穩壓DC/DC切換器配發有0.21Ω(TYP.)P激光切割橫截驅動包三級管和導入整流0.23Ω(TYP.)N激光切割橫截開關按鈕集成電路芯片。
?BCM48BT030M210A00電源模塊替代VICOR
2023-08-14 16:42:30
VICOR?的BCM48BT030M210A00數據文件傳輸線互轉器是種更高生產率(>94%)正弦函數波規律互轉器?(SAC?)從38到55VDC主體線用,能提供2.4到3.4VDC的隔離防曬、百分比電原交流電壓。
MUN3C1HR6-FB過電流保護優勢Cnytec
2023-08-10 16:50:18
?Cnytec的MUN3C1HR6-FB? MODE管腳消費者就能夠考慮操控方式。此引腳底板的邏緝性強電平采取調整引擎調整在強迫性PWM狀態。邏緝性低可以調整引擎在輕電流時中會自動考慮到PFM。
?DC3系列開關高壓輸入DC-DC電源PICO
2023-08-08 17:07:45
PICO?電源線DC3系統電開關高壓低壓放入DC-DC有44種不一樣的金橋銅業跨接線的截面積大小型號。所有的單路和雙路傳輸基本上全部都是隔離的,同時出具非常好的的路線圖和環境下懂得調整。
?SQ76002AQNC電源模塊替代SILERGY矽力杰
2023-08-03 16:49:46
SILERGY(矽力杰)主要產出24v供電集成ic、24v供電控制信息模塊等模似集成電路芯片。鑒于SQ76002AQNC報價高,貨期長,整個市場推薦英文pin to pin原位用于SQ76002AQNC,用于技術參數為:MUN3CAD03-SF?,MUN3CAD03-SF效率DC/DC24v供電控制信息模塊。
?XC9221系列降壓DC/DC控制器TOREX
2023-08-01 16:37:22
TOREX?的XC9221類別是多系統穩壓DC/DC控住器IC。給該集成電路芯片外表具備1種轉換旋鈕電子元器件,1種額定功率電感,1種一級管和多個電解電感(電感器)器就能賺取1種高高工作效率的率,相對的穩定可靠的,模擬所在電壓高至3A的轉換旋鈕電原。能操作低ESR電解電感(電感器)器諸如陶瓷制品電解電感(電感器)器用來作為其模擬所在電解電感(電感器)器。
?BCM6123E60E10A5T01電源模塊替代
2023-07-28 16:54:35
BCM6123E60E10A5T01?是款優質率串口通信轉移器,在36至60VDC的主母線上線下便用,并供給6至10VDC的隔絕、比重判斷的2次電流值。
?MUN3C1XR6-SB回流參數Cyntec
2023-07-26 16:48:03
MUN3C1XR6-SB?其他的熱檢驗想要均順利通過JEDECEIJ/JESD51要求暫行規定。于是,檢驗工裝夾具尺寸為30mm×30mm×1.6mm,共2層。陸陸續續在0LFM現狀下,用設施在合理導電彈性系數檢驗板上的模塊的檢測Rth。
?DC2B系列高功率DC-DC轉換器PICO
2023-07-24 16:45:34
PICO? DC2B系列的高工作功率DC-DC轉換成器實用超高壓力電解電容(電容器)、電紅外感應器的儲能技術體系的的優勢,隨著穩定按鈕(MOSFET等)體現低頻按鈕發覺姿勢,將輸入力量儲存在超高壓力電解電容(電容器)里,當交流電源按鈕斷開連接時,電磁感應能再移除給承載,能提供扭力。
?SQ76001RCC電源模塊替代SILERGY矽力杰
2023-07-20 17:01:44
SILERGY(矽力杰)一般制作供電集成電路芯片、供電模快等虛擬元器。考慮到SQ76001RCC費用高,交貨長,市廠引薦pin to pin原位用于SQ76001RCC,用于主要參數為:MUN3CAD01-SB,MUN3CAD01-SB效率DC/DC供電模快。
?XC9220系列降壓DC/DC控制器TOREX
2023-07-18 16:52:09
TOREX?的保持模塊XC9220系例是多效果穩壓DC/DC的保持模塊IC。給XC9220系例的保持模塊外面選配這種旋轉電源線開關電子元器件,這種工作速率電感,這種兩級管和兩大電阻就可賺取這種高效性率,相對于安穩的,內容輸出直流電高至3A的旋轉電源線直流穩壓電源線。
?BCM6123T60E10A5T00電源模塊替代
2023-07-14 16:49:41
VICOR的BCM6123T60E10A5T00?是種高效能率串口通信轉成器,從36到60VDC的主串口通信動用,并提供了6到10VDC的保護防護、比率加測的2次的電壓。
MUN3C1CR6-SB輸入輸出Cyntec
2023-07-12 16:44:36
MUN3C1CR6-SB應接入上低聯席會電阻值和高電感的啟閉主機電源,進來電路原理電感會影響力到MUN3C1CR6-SB產品 固定可靠性。填寫電阻器可以最明顯局限說出MUN3C1CR6-SB的填寫管腳,以最明顯方面地下降填寫填寫電阻以確保安全MUN3C1CR6-SB產品 固定可靠性。
?DC2A系列高功率 DC-DC 轉換器PICO
2023-07-07 16:55:42
PICO?高工率DC-DC裝換器通常使用于聯通網格網格和資料網絡通訊系統,不禁工率比熱容規格很好,所以封裝形式非常的細密,只侵占不多方式板的外面室內空間
?SQ76825CQLQ電源模塊SILERGY(矽力杰)
2023-07-04 16:51:45
SILERGY(矽力杰)?SQ76825CQLQ是款更高能力1.5MHz6A同時進行穩壓DC/DC穩壓電源,在小規模型處理器封裝(4.0mm×3.0mm,H=2.0mm)中集成式化功效電感和管控處理器。
欧洲一区二区-欧美激情一区二区-国产激情在线-欧美在线一区二区
上一頁
1
2
...
7
8
9
10
11
12
13
...
37
38
下一頁
尾頁
共
38
頁
1113
條數據