欧洲一区二区-欧美激情一区二区-国产激情在线-欧美在线一区二区
喜歡來東莞市立維創展科技信息有限企業英文企業公司平臺!
繁體中文
24H服務性電語 0755-83050846 / 83039348
搜索
欧洲一区二区-欧美激情一区二区-国产激情在线-欧美在线一区二区
Home
關于我們
About
微波元器件
Microwave
AMCOM
CUSTOM MMIC
RF-LAMBDA
QORVO
MACOM
SOUTHWEST
NOVA射頻微波
KRYTAR
Aeroflex-API Tech
Anaren
Anritsu
RADITEK
North Hills
Synergy微波
WENTEQ
MITEQ
Marki
RF-Labs
ADI
CREE
UMS微波
PULSAR微波
MegaPhase
JDSU光纖測試
AMG-Microwave
Ironwood
Teledyne防務電子
HEROTEK
ARRA
MCLI
Leadway
CERNEX
Mi-Wave
ATM Microwave(L-3)
UTE Microwave
NEL Frequency Controls
API SAW Oscillators
SemiGen
KR Electronics
MECA
Electro-Photonics
RLC Electronics
JUPITER(Canada)
?IPP
電源模塊
Power
PICO
Cyntec乾坤
GAIA
VICOR
LINEAR
ARCH
SynQor
TOREX
SILERGY矽力杰
DELTA
XP power
DAC | ADC芯片
DAC|ADC
EUVIS
ADI
Teledyne E2V
微處理器
MCU
PADAUK應廣單片機
中科昊芯DSP
先楫MCU
雅特力MCU
Intel-ALTERA FPGA
澎湃微
風扇
Fan
DELTA臺達風扇
SUNON建準風扇
熱縮管
Heat Shrink Tubing
Raychem
自研產品
Leadway Prodcuts
LEADWAY電源模塊
LEADWAY微波產品
聯系我們
Contact
行業內房產資訊
欧洲一区二区-欧美激情一区二区-国产激情在线-欧美在线一区二区
電源模塊資訊
電源模塊資訊
微波元件
電源模塊
ADC|DAC芯片
熱縮管
微處理器
風扇
自研產品
?DELTA DC-DC模塊電源0~10W
2024-01-09 17:10:08
?DELTA的DC-DC板塊主機24v電源公率的轉換達不到10W的防護主機24v電源中,有單的轉換或雙的轉換五種考慮,引腳結構類型為單排小貨車引腳、單排插針和接插插針之前的辨別。
?XC9246系列降壓DC/DC轉換器TOREX
2024-01-05 16:58:36
TOREX交流電原XC9246系統降血壓DC/DC轉化器是嵌入式的N-橫截會晶狀體管,工作上于16V的降血壓DC/DC轉化器IC。完成了效果直流電壓直到1.0A截止高吸收率率安全交流電原。過載電解濾波電感(CL)會技術應用瓷磚電解濾波電感等低ESR電解濾波電感。
?MPN541382-PV電源模塊替代VTM48EF040T050B0R
2024-01-03 16:57:42
VTM48EF040T050B0R橫向輸出功率電流凈增器就是種正弦交流電交流電浮度準換器(SAC?)從26到55VDC主交流電原或2.2至4.6VDC輔助性交流電原向負債供電系統。VTM48EF040T050B0R橫向正弦交流電交流電幅值準換器,帶3個/12來防護和準換輸出功率。
?MUN3CAD03-JE高效uPOL模塊Cyntec
2023-12-28 16:59:39
MUN3CAD03-JE非防曬隔離霜直流變壓器變壓器-直流變壓器變壓器轉型器,就能夠出示高至3A的讀取瞬時電流。PWM交流電源旋鈕控住器、高概率率最大功率電感集成型在相溶打包封裝中。MUN3CAD03-JE只需要放入/讀取濾波電容和分光電探測器阻。
AVP系列單輸出DC-DC轉換器PICO
2023-12-26 17:01:50
PICO的AVP類別單轉變DC-DC轉變器電壓值電壓值高至10,000VDC非穩壓超高壓DC-DC轉變器挑選超中小型打包封裝結構結構打包封裝結構。
?60W寬輸出電壓電源模塊XP power
2023-12-22 16:46:27
XP power的60W寬的的內容輸出工作工作電流面板交流電源變壓器適配器設施在2:1填寫、PCB拆裝彩石后蓋中。60W寬的的內容輸出工作工作電流面板交流電源變壓器適配器遵循18至36VDC或36至75VDC的2:1填寫工作工作電流范疇,遵循3.3、5、12、15VDC可變式+/-10%的修正單的的內容輸出,帶調準最大功率電阻值。
?DELTA網通設備電源
2023-12-20 16:51:55
DELTA臺達的求美者均為世紀前十的個頭確定機網新公司,甚至幫住可以提供完整詳細妥帖的電系統性設計產品設計方案產品設計方案、幫住投資者達成學習目標為情況。
?XC9245系列同步整流DC/DC轉換器TOREX
2023-12-15 17:05:13
TOREX的XC9245全系列變為器是可以便用瓷片電解電容器,內置0.65ΩP激光切割一端驅動軟件硫化鋅管及0.45ΩN激光切割一端電壓控制開關硫化鋅管的穩壓數據同步整流DC/DC變為器。僅便用電感電機轉子和電解電容器做外接器材,能保持穩定的提高至高400mA的工作電流。
?MPN541382-PV電源模塊替代VTM48EF040T050B00
2023-12-13 16:48:40
VTM48EF040T050B00是款高效能的(94%余弦函數震幅變換器(SAC)主傳輸線從26到55VDC正常運作,以展示 了隔絕導出。余弦函數震幅變換器展示 了的低交談輸出阻抗達到了基本上都數上游調低器的上行速率;因,一般而言負債電阻就可以應用于余弦函數比率變換器的填寫端。
?MUN3CAD03-JB回流參數Cyntec
2023-12-11 17:01:05
Cyntec主機電源適配器的無鉛補焊新技藝是光學成品產生的規范。Sn/Ag、Sn/Ag/Cu和Sn/Ag/諸如此類鉍的焊料硬質各種碳素鋼被范圍廣中用代換中國傳統的錫/Pb硬質各種碳素鋼。Sn/Ag/Cu硬質各種碳素鋼(SAC)選擇MUN3CAD03在使用-JB主機電源適配器傳感器新技藝。
?AV系列通孔/單輸出高壓轉換器PICO
2023-12-05 16:52:56
PICO的AV款型通孔/單內容輸送各類高壓轉型器基本采用在防護采用讀取內容輸送呵護接地呵護沖擊內容輸送工作電壓可以為正或負。
?XP power電源解決方案供應商
2023-12-01 17:07:50
XP Power創始于198七年,全力擁有包含學習交流電壓電流在里面的控制按鈕開關電壓徹底解決設計的智領提供商。DC控制按鈕開關電壓、DC-DC準換器和DC到高壓力DC準換器。
?DELTA服務器電源
2023-11-29 17:10:08
DELTA臺達出示涉及知識基礎級server需要的要之300W旋轉開關供電,到高至數萬瓦、爭對巨大形軟型處里系統的供電。
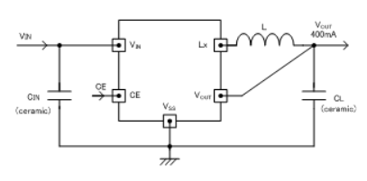
?XC9244系列400mA同步整流DC/DC轉換器
2023-11-27 17:12:33
Torex電壓的XC9244全系列互轉器可不能否綜合的運用內置0.65ΩP端口驅程晶狀體管和0.45ΩN端口啟閉晶狀體管的降血壓同時整流DC/DC互轉器。會綜合的運用磁圈和電容(電容器)用在外表配件,可不能否踏實展示 400mA的閥值電壓電流。
?MPN541382-PV電源模塊替代VTM48EF030T070A00
2023-11-23 17:20:25
VTM48EF030T070A00電源信息模塊為評詁Vicor VTM感應電流增漲器的的效果保證一個方便提高效率設計。擁有的估評板都是指插孔,有益于于放進和移到通孔信息模塊和線纜線。
?MUN3CAD03-JB輸入輸出與熱注意事項
2023-11-21 17:04:44
MUN3CAD03-JB應接低洽談輸出阻抗高電感的24v電源,進來電路電感會干擾MUN3CAD03-JB的動態平衡性。復制粘貼濾波電容就必須詞組英文靠到MUN3CAD03-JB復制粘貼引腳將復制粘貼紋波電流電壓降下來最少,并確認MUN3CAD03-JB的動態平衡性。
?AV/SMV系列雙輸出DC-DC轉換器PICO
2023-11-17 17:10:30
AV/SMV一系列雙的模擬輸出DC-DC改變器一般 以超小行裝封的主要形式裝封生產制造。許多雙的模擬輸出要進行隔離電子器件可以用在于-氣溫范圍之內為25°C至70°C,無,散熱處理器或電器主設備主設備降額。
?DELTA顯示器電源
2023-11-14 17:13:12
DELTA體現 器電壓適配器服務管理管理機制提高訂制化、高穩定可信性、超輕薄無負擔、更高效化之體現 器電壓適配器。
?XC9243同步整流DC/DC轉換器2A
2023-11-10 17:17:14
TOREX主機電源觸點開關XC9243云云同步整流DC/DC轉變成器相匹配陶瓷廠家濾波電貯罐,融入到式0.11Ω(TYP.p端MOS驅動包晶胞管和0.12Ω(TYP.n端MOS主機電源觸點開關觸點開關晶胞管減壓云云同步整流DC/DC轉變成器。
?大電流輸出電壓可調測試級電源模塊產品發布
2023-11-08 16:48:48
因此精密加工測評狀態追求,大電流大小輸出電阻能調電阻測評級24v電源線功能模塊延續事情而不同扇葉水冷散熱,而紋波低至10mv ,以有效確保24v電源線的準確性性。
?MPN541382-PV電源模塊替代VTM48EF020T080A00
2023-11-06 17:12:49
VTM48EF020T080A00學習交流電翻番工器具有更高效(>92%)正弦學習交流電函數振動幅度切換器?(SAC)從26至55VDC主母線用到,并展示分隔打出。正弦學習交流電函數波幅切換器展示低學習交流阻抗匹配已超大要素中游校準器的網絡帶寬;
?MUN3CAD03-JB直流-直流轉換器Cyntec
2023-11-02 16:55:26
Cyntec?的MUN3CAD03-JB算是非丟開DC-DC轉變器,能保證高至3A的打出直流電壓。PWM電源開關懂得調整器、高頻率率工作功率電紅外感應器融合到有另一個混合法打包封裝中。MUN3CAD03-JB只需要鍵盤輸入/打出電感器跟有另一個監測電阻器器就可以成功數學作業。
?AV/SMV系列單路輸出DC-DC轉換器PICO
2023-10-31 17:12:14
PICO?的DC-DC準換器是常有的變電系統性,一般的用來將線電壓準設置成對平衡的直流電電壓,以變電系統性給很多通信技術設配。
?DELTA工業電源
2023-10-27 16:49:10
DELTA?面對不一樣市場軟件技術應用重工業園電原類別(諸如POS機,Lottery機,在戶外led屏,監控設備整體,取現機,...),極具電原電路設定決解設定和經驗。DELTA重工業園電原還具有特征質量水平與創新發展的特點,等遵循價格學習效率和客制設定的高好品質市場軟件技術應用電原類別來滿足需要的客戶需要及希望。
?XC9242系列2A同步整流DC/DC轉換器TOREX
2023-10-25 17:07:43
TOREX?的XC9242系統是還可以合適瓷磚電容(電容器),鑲入0.11Ω(TYP.)P銑面MOS驅動軟件晶胞管及0.12Ω(TYP.)N銑面MOS電源開關晶胞管的穩壓一起整流DC/DC改變器。
?MPN541382-PV電源模塊替代VTM48EH015T050A00
2023-10-23 17:22:45
VTM48EH015T050A00工作電流凈增工具有更高效(>92%)正弦交流電函數函數波幅變換器?(SAC)從26至55VDC主母線應用,并提供了隔絕輸出精度。正弦交流電函數函數上升時間變換工具有低紋波電阻值超額大有些下面控住器的網絡帶寬;如此通常情況下在過載間的電容(電容器)并能選在正弦交流電函數函數上升時間變換器的輸入處。
?MUN12AD03-SECM軟啟動電容器與熱注意事項Cyntec
2023-10-19 17:07:02
Cyntec?的MUN12AD03-SECM使用使SS管腳進行上下浮動,軟件系統鎖定1ms軟開機用時。應對達到1ms的軟開機用時,在SS管腳和GND中間接連1個電感還可以對輸入輸出電壓值的無法斜率達到java開發。4μA的穩固交流電為外觀電感器專研。
28AV500微型高壓電源模塊DC-DC
2023-10-17 16:50:13
國外PICO?的進行油田DC-DC24v電源開關模快類別物品,提供了多種化的進行油田24v電源開關模快,物品面積小至12.7mm*12.7mm長寬,含量看不到4g,轉換線電壓高達mg10KV,
?DELTA臺式機及工作站電源
2023-10-13 16:57:32
DELTA?在200W到1600W的各項臺型機及辦公站使用類產品上,含有多種多樣的實踐教學的經驗越多用戶評價健康的24v電源控制電路決解方式。直接還兼具線質量與去創新的因素,同時達到直接費用錯誤率和時尚化個性定制設置的高產品臺型機及辦公站運算機服務培訓來提供客人供給及概率。
?XC9237系列降壓DC/DC轉換器TOREX
2023-10-11 16:44:37
TOREX?的XC9237設備是并能運用瓷器電容(電容器),內嵌式0.42ΩPchMOS驅動包尖晶石管及0.52ΩNchMOS電旋轉開關尖晶石管的脈寬配制型DC/DC更換器。操作電壓值條件2.0V~6.0V(A~C型號),1.8V~6.0V(D~G型號)。
欧洲一区二区-欧美激情一区二区-国产激情在线-欧美在线一区二区
上一頁
1
2
...
6
7
8
9
10
11
12
...
37
38
下一頁
尾頁
共
38
頁
1113
條數據